Автор Тема: KranK Distortus Maximus собираем вместе!  (Прочитано 334253 раз)

0 Пользователей и 2 Гостей просматривают эту тему.

Оффлайн @Ilya@

  • Эксперт
  • *****
  • Сообщений: 1396
    • Вконтакте
Re: KranK Distortus Maximus собираем вместе!
« Ответ #1095 : Июня 02, 2010, 23:04:11 »
Leamm, щас найду картинку :)
Thorium, при этом он не крошится, лежит ровной каплей. Только мутный. Пайка держится хорошо и не отваливается.. И всвязи с серебром еще вопрос. поидее оно окисляется на воздухе, достаточно ли оксидной пленки от канифоли?

Оффлайн Dying Fetus

  • Moderator
  • *****
  • Сообщений: 10306
  • DIYng Fetus
    • http://cathar.ru
Re: KranK Distortus Maximus собираем вместе!
« Ответ #1096 : Июня 02, 2010, 23:04:13 »
Leamm,

Оффлайн @Ilya@

  • Эксперт
  • *****
  • Сообщений: 1396
    • Вконтакте
Re: KranK Distortus Maximus собираем вместе!
« Ответ #1097 : Июня 02, 2010, 23:13:54 »
,

... и добавил:

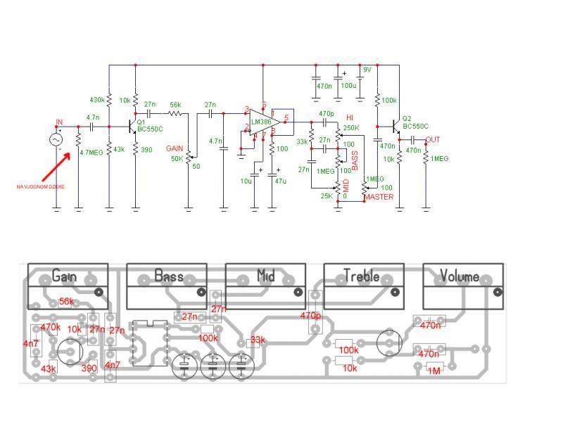
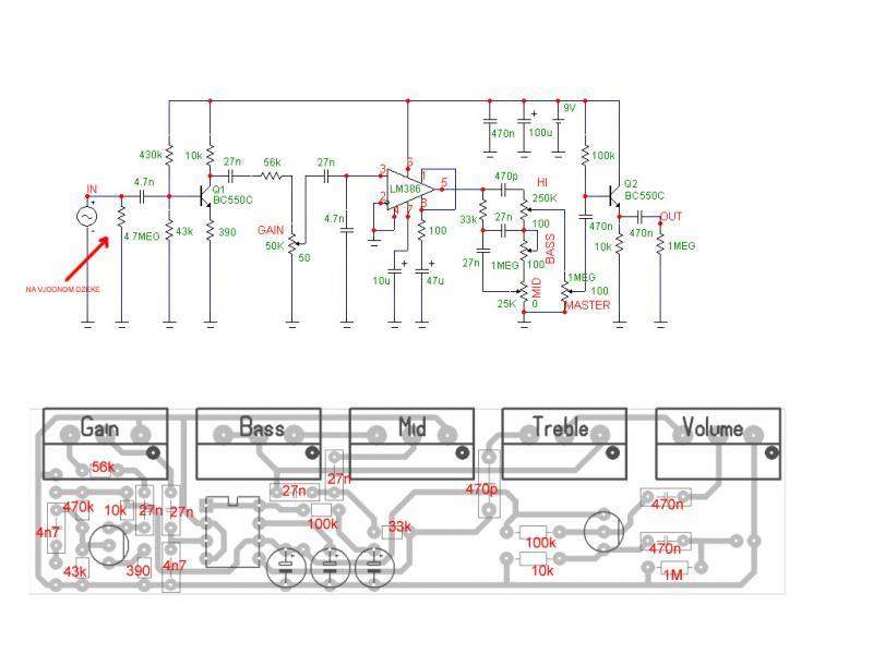
только пара замечаний. На восьмую ногу идет резистор в 100 Ом, а не в 100 КОм, микросхему и транзисторы лучше устанавливать в кроватку.

... и добавил:

а, уже выложили.. ну инет у меня тормозной  ???
« Последнее редактирование: Июня 02, 2010, 23:15:45 от @Ilya@ »

Оффлайн Leamm

  • Новичок
  • *
  • Сообщений: 9
Re: KranK Distortus Maximus собираем вместе!
« Ответ #1098 : Июня 02, 2010, 23:18:48 »
Dying Fetus, @Ilya@, Спасибо!
Еще вопрос есть. Вместо 4-х конденсаторов 27нФ имеются 22нФ. Если заменить, это большую роль сыграет?

Оффлайн Dying Fetus

  • Moderator
  • *****
  • Сообщений: 10306
  • DIYng Fetus
    • http://cathar.ru
Re: KranK Distortus Maximus собираем вместе!
« Ответ #1099 : Июня 02, 2010, 23:22:01 »
Leamm, ставь

Оффлайн Xzert

  • Опытный
  • ****
  • Сообщений: 874
Re: KranK Distortus Maximus собираем вместе!
« Ответ #1100 : Июня 02, 2010, 23:25:10 »
Leamm, там и должны быть 22n, все в порядке.

Чуть опоздал :)

Оффлайн Dying Fetus

  • Moderator
  • *****
  • Сообщений: 10306
  • DIYng Fetus
    • http://cathar.ru
Re: KranK Distortus Maximus собираем вместе!
« Ответ #1101 : Июня 02, 2010, 23:40:32 »
Я сегодня просто жутко быстр)

Оффлайн Thorium

  • Эксперт
  • *****
  • Сообщений: 2251
Re: KranK Distortus Maximus собираем вместе!
« Ответ #1102 : Июня 03, 2010, 06:32:04 »
Leamm, щас найду картинку :)
Thorium, при этом он не крошится, лежит ровной каплей. Только мутный. Пайка держится хорошо и не отваливается.. И всвязи с серебром еще вопрос. поидее оно окисляется на воздухе, достаточно ли оксидной пленки от канифоли?
хз. у меня иногда при выгрании канифоль на соседних близко расположенных пайках наносит белый мутный налет. снимаеццо спиртом. по большому счету это пофигу. ну а насчет припоя в серебром - там какая температура пайки указана?

Оффлайн kynep

  • Ветеран форума
  • ******
  • Сообщений: 6828
  • Руби МиТоЛ!!!
Re: KranK Distortus Maximus собираем вместе!
« Ответ #1103 : Июня 03, 2010, 06:54:02 »
@Ilya@, Dying Fetus, не забудьте написать о том, что транзисторы устанавливаются срезом в другую сторону, а не так как на ваших схемах.  ;)  :hitrez:

Оффлайн Leamm

  • Новичок
  • *
  • Сообщений: 9
Re: KranK Distortus Maximus собираем вместе!
« Ответ #1104 : Июня 03, 2010, 07:57:11 »
kynep, транзисторы по даташиту смотреть буду)

Оффлайн Leamm

  • Новичок
  • *
  • Сообщений: 9
Re: KranK Distortus Maximus собираем вместе!
« Ответ #1105 : Июня 03, 2010, 08:32:36 »
tifo, начал смотреть и сверять, на плате не обнаружил резистора 4.7МоМ, показалось странным.
Для полной уверенности, что паяю именно так, попросил плату.

Второй день читаю эту тему, нахожу ответы на подобного рода вопросы.
Хорошо бы в первом посте FAQ оформить, теме бы цены не было.
« Последнее редактирование: Июня 03, 2010, 08:35:06 от Leamm »

Оффлайн @Ilya@

  • Эксперт
  • *****
  • Сообщений: 1396
    • Вконтакте
Re: KranK Distortus Maximus собираем вместе!
« Ответ #1106 : Июня 03, 2010, 09:24:17 »
хз. у меня иногда при выгрании канифоль на соседних близко расположенных пайках наносит белый мутный налет. снимаеццо спиртом. по большому счету это пофигу. ну а насчет припоя в серебром - там какая температура пайки указана?
я не знаю.. Мне подарили его, и он точно хороший.
@Ilya@, Dying Fetus, не забудьте написать о том, что транзисторы устанавливаются срезом в другую сторону, а не так как на ваших схемах.  ;)  :hitrez:
точно :)


... и добавил:

tifo, начал смотреть и сверять, на плате не обнаружил резистора 4.7МоМ, показалось странным.
Для полной уверенности, что паяю именно так, попросил плату.

Второй день читаю эту тему, нахожу ответы на подобного рода вопросы.
Хорошо бы в первом посте FAQ оформить, теме бы цены не было.
еще могут появиться вопросы с установкой кнопки и с включением гнезда питания :). в теме ответы тоже есть :hitrez:
« Последнее редактирование: Июня 03, 2010, 09:26:07 от @Ilya@ »

Оффлайн Meister

  • Новичок
  • *
  • Сообщений: 10
Re: KranK Distortus Maximus собираем вместе!
« Ответ #1107 : Июня 03, 2010, 11:01:20 »
кстати о припое купил это чудо за 30 руб) :crazy:с канифолью)

Оффлайн Weiss

  • Эксперт
  • *****
  • Сообщений: 1256
  • ну... как-то так
Re: KranK Distortus Maximus собираем вместе!
« Ответ #1108 : Июня 03, 2010, 20:49:50 »
Печатка без проводофф(all onboard)-всё на плате :dance_dance:266644-0
« Последнее редактирование: Июня 03, 2010, 20:52:09 от Weiss »

Оффлайн Dying Fetus

  • Moderator
  • *****
  • Сообщений: 10306
  • DIYng Fetus
    • http://cathar.ru
Re: KranK Distortus Maximus собираем вместе!
« Ответ #1109 : Июня 03, 2010, 21:09:45 »
у меня подписано что куда (экб) >:(