зачем 12 и мост?под мост вольт 8 хватит и крен на 9
... и добавил:
ты такое поосторожнее советуй,а то потом у народа стабилизаторы горят и появляются соотв темы 
tifo, прежде чем советовать вообще такие вещи почитай про работу выпрямителя, как это устроено и вообще, потом как получаюстя пульсации на выходе выпрямителя, чему они равны, затем как работает стабилизатор и для чего он нужен, что есть стабилизированное напряжение.

Потом почитай про работу интегральных стабилизаторов, поймешь что для надежности у каждого должен быть запас. Далее про работу емкостей до и после стабилизатора и куда какие надо ставить. Как получается возбуд в интегральном стабилизаторе, от чего он может сгореть. Какой в таком случае порядок фильтрующих конденсаторов в БП. Когда прочитаешь это - еще попробуй сделать простой опыт - взять трансформатор, померять напряжение выдаваемое им без нагрузки и под нагрузкой.

После это сделай выводы и давай советы
kain613, там БП обычно импульсный... что это за трансформатор непонятно. Проще купить в магазине ТП или ТПГ на 12 в и все.
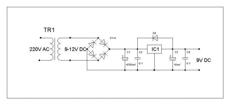
... и добавил:для интересующихся вопросом - вот схема, очекакудазачемпочему - читать Хорвица и Хилла "искусство схемотехники"

в аттаче мелкая плата которая с ТП/ТПГ лезет в любые китайские корпуса для адаптеров.
