Автор Тема: Кто нибудь переделывал Beag AEX 251  (Прочитано 34149 раз)

0 Пользователей и 1 Гость просматривают эту тему.

Оффлайн allg Автор темы

  • Новичок
  • *
  • Сообщений: 29
Кто нибудь переделывал Beag AEX 251
« : Февраля 07, 2012, 13:13:57 »
Приветствую
предложили практически даром Beag AEX 251
Кто нибудь переделывал ??
как у него выходник ??
Хочу переделать под гитарную голову

Оффлайн Neophyte

  • Опытный
  • ****
  • Сообщений: 629
Re: Кто нибудь переделывал Beag AEX 251
« Ответ #1 : Февраля 07, 2012, 13:17:59 »
У меня валяется AEX 650, тоже думаю переделать как нибудь) трансы не плохие вполне, и вроде б такие же как и в AEX 251.
А можно просто восстановить - отличный винтаж будет))))

Оффлайн ludvigtrasher

  • Эксперт
  • *****
  • Сообщений: 1601
Re: Кто нибудь переделывал Beag AEX 251
« Ответ #2 : Февраля 07, 2012, 13:21:50 »
у тебя такой?


Оффлайн allg Автор темы

  • Новичок
  • *
  • Сообщений: 29
Re: Кто нибудь переделывал Beag AEX 251
« Ответ #3 : Февраля 07, 2012, 13:31:47 »
не нетакой , у меня там  вибрато есть, переключалки фильтров
восстановить в оригинале можно но там есть лампы которых у нас ненайдешь  ЕСС808, ЕСН 81,ЕF86
да и корпус сильно пошарпаный

Оффлайн oxigen

  • Эксперт
  • *****
  • Сообщений: 1390
  • Если нельзя, но очень хочется, то можно
Re: Кто нибудь переделывал Beag AEX 251
« Ответ #4 : Февраля 07, 2012, 14:00:13 »
allg, Жаль, что ты на Украине, потолковали бы о продаже.

Оффлайн Aleksander8

  • Опытный
  • ****
  • Сообщений: 884
    • Ламповая лаборатория
Re: Кто нибудь переделывал Beag AEX 251
« Ответ #5 : Февраля 07, 2012, 16:43:14 »
восстановить в оригинале можно но там есть лампы которых у нас ненайдешь  ЕСС808, ЕСН 81,ЕF86
ЕF86 - 6Ж32П
ЕСН81 - 6И1П
ЕСС808 аналога не имеет, но меняли с перепайкой панелек на 6Н3П, которая почти аналог, только имеет другую нумерацию выводов.

Оффлайн oxigen

  • Эксперт
  • *****
  • Сообщений: 1390
  • Если нельзя, но очень хочется, то можно
Re: Кто нибудь переделывал Beag AEX 251
« Ответ #6 : Февраля 07, 2012, 17:05:18 »
allg, Посмотри здесь http://audioportal.su/showthread.php?t=209

Онлайн Dying Fetus

  • Moderator
  • *****
  • Сообщений: 10308
  • DIYng Fetus
    • http://cathar.ru
Re: Кто нибудь переделывал Beag AEX 251
« Ответ #7 : Февраля 07, 2012, 17:35:55 »
Всё можно купить - тут. Только ecc808 дорогая....

Оффлайн Bulgartabak

  • Джемер
  • *****
  • Сообщений: 2469
  • А компот?!!!
Re: Кто нибудь переделывал Beag AEX 251
« Ответ #8 : Февраля 10, 2012, 11:29:25 »
Имею такой в арсенале 8) Поменял электролиты и лампы оконечника.  Неплохая штука, вам доложу :) Почти Маршалл. Одним словом - классический древний звук :p

Оффлайн allg Автор темы

  • Новичок
  • *
  • Сообщений: 29
Re: Кто нибудь переделывал Beag AEX 251
« Ответ #9 : Февраля 10, 2012, 11:33:00 »
значит будем делать с него маршал)))

Оффлайн olesh_ka

  • Новичок
  • *
  • Сообщений: 1
Re: Кто нибудь переделывал Beag AEX 251
« Ответ #10 : Марта 19, 2012, 05:21:13 »
Я знаю этот усилитель очень давно. Мне он очень нравится, такого "чистого" звука и красивого овердрайва я не слышал много лет. Венгры были молодцы! Жаль что у них сейчас все так плохо.  Я бы его купил АЕХ-251 безо всяких переделок.  Если есть интерес напишите мне пожалуйста. И еще, не нужно его переделывать, поверьте, это отличный винтажный усилитель.

Оффлайн oxigen

  • Эксперт
  • *****
  • Сообщений: 1390
  • Если нельзя, но очень хочется, то можно
Re: Кто нибудь переделывал Beag AEX 251
« Ответ #11 : Января 09, 2013, 07:58:42 »
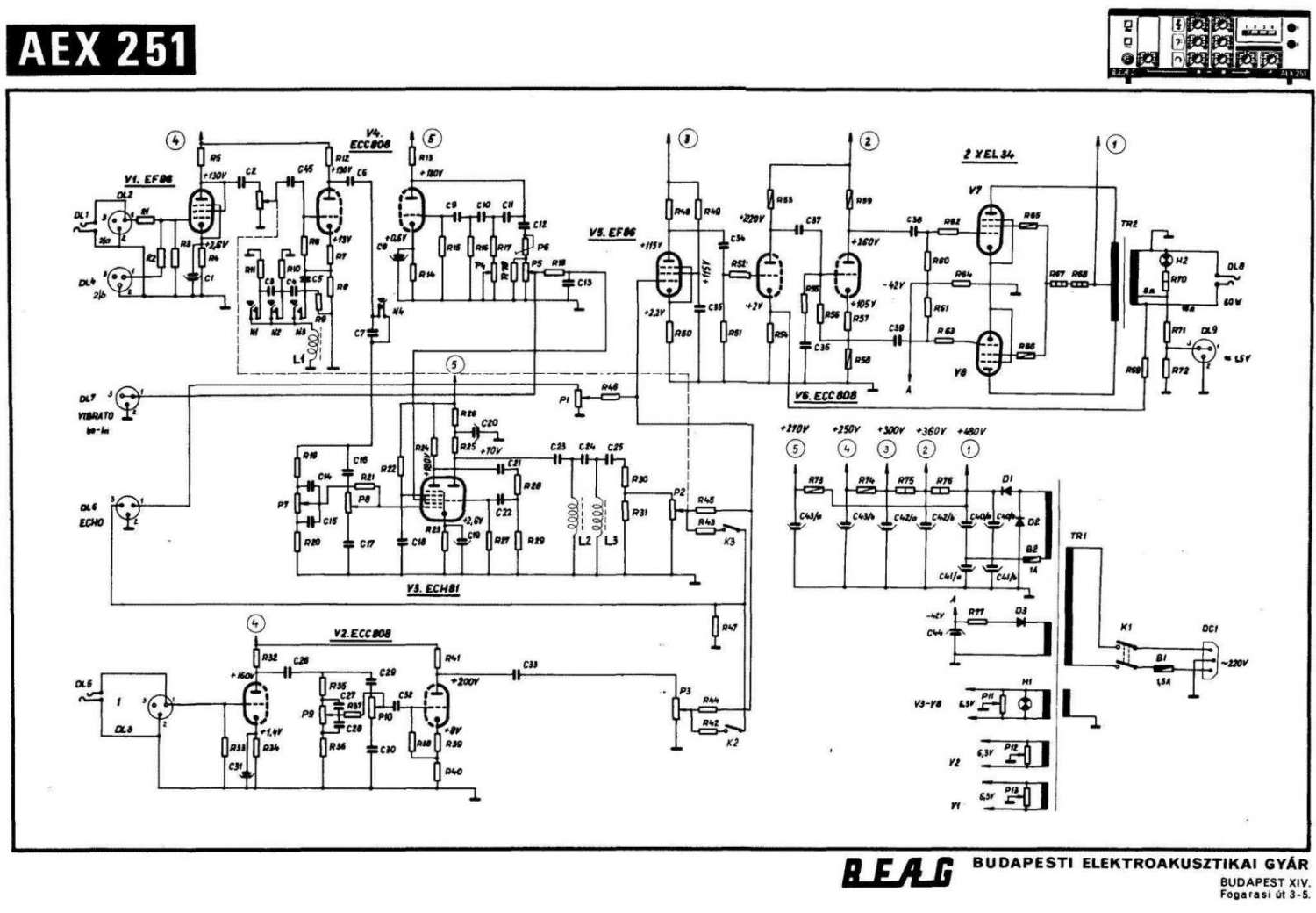
Рекомендации по "бережной" переделке AEX251 в статье  http://www.elektroncso.hu/cikkek/aex251.php . Там же есть схема переделки, правда в ней небольшая ошибочка в удвоителе напряжения смещения. И выложу более четкую схемку с номиналами от официала. Нашел когда взял себе  такой усилитель.







Понимаю, что тема имеет ограниченный интерес, но мало ли кому понадобится. Мне очень понравился как работает на звук так называемый переключатель регистров в катоде лампы Е4 (по приведенной схеме).
« Последнее редактирование: Января 09, 2013, 08:31:25 от oxigen »

Оффлайн Neophyte

  • Опытный
  • ****
  • Сообщений: 629
Re: Кто нибудь переделывал Beag AEX 251
« Ответ #12 : Января 13, 2013, 12:04:34 »
Ребят трансы годные в Beag'ах??
Есть комплект от beag aex650. Годные для гитарных звуков? :)

Оффлайн oxigen

  • Эксперт
  • *****
  • Сообщений: 1390
  • Если нельзя, но очень хочется, то можно
Re: Кто нибудь переделывал Beag AEX 251
« Ответ #13 : Января 13, 2013, 12:41:16 »
Neophyte, Судя по схеме силовой трансформатор отличается от AEX251 количеством накальных обмоток в большую сторону (их там 5), анодная обмотка также под удвоение напряжения. В выходных трансформаторах видимых отличий нет. Моточных данных не приводится. Если можешь - выложи фото маркировки трансов, я сравню со своими. Думаю, что трансформаторы от AEX650 ну оччень для гитары приемлемы. Кажется GeorgeM с ними поближе сталкивался.

Оффлайн Aleksander8

  • Опытный
  • ****
  • Сообщений: 884
    • Ламповая лаборатория
Re: Кто нибудь переделывал Beag AEX 251
« Ответ #14 : Января 13, 2013, 14:57:21 »
Выходные трансы у них нормальные. Для гитары отлично пойдут. Под нагрузку 8 и 16 Ом. К сожалению, в басовом усилке стоит гитарный транс.