Автор Тема: Кто нибудь переделывал Beag AEX 251  (Прочитано 34155 раз)

0 Пользователей и 1 Гость просматривают эту тему.

Оффлайн Vivaldis

  • Опытный
  • ****
  • Сообщений: 974
  • GuitarPlayer.Ru fan!
Re: Кто нибудь переделывал Beag AEX 251
« Ответ #105 : Февраля 02, 2020, 12:26:13 »
Если разьемы  родные не сидели на корпусе джеки нужно ставить изолированные . Там вся схема заземлена  в 1 точке на корпус.

Оффлайн XbIMbIK

  • Опытный
  • ****
  • Сообщений: 594
  • Liverpool
Re: Кто нибудь переделывал Beag AEX 251
« Ответ #106 : Февраля 03, 2020, 16:46:01 »
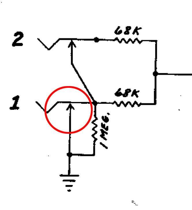
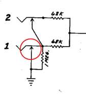
Прошу прощения, я наверное криво выразился.
Имелось ввиду вот это:
« Последнее редактирование: Февраля 03, 2020, 16:47:45 от XbIMbIK »

Оффлайн oxigen

  • Эксперт
  • *****
  • Сообщений: 1390
  • Если нельзя, но очень хочется, то можно
Re: Кто нибудь переделывал Beag AEX 251
« Ответ #107 : Февраля 04, 2020, 03:28:29 »
XbIMbIK, На передней панели родные разъемы стояли с замыканием на массу при вынутом джеке. Вечером могу сделать фото гнезда, если надо. А вот на задней панели дублирующие входные стоят трехштырьковые без замыкания. Провода, идущие к ним я просто отпаял от платы, меньше наводок.



Можно просто прибирать громкость неиспользуемого канала.

Оффлайн XbIMbIK

  • Опытный
  • ****
  • Сообщений: 594
  • Liverpool
Re: Кто нибудь переделывал Beag AEX 251
« Ответ #108 : Февраля 04, 2020, 04:52:26 »
XbIMbIK, На передней панели родные разъемы стояли с замыканием на массу при вынутом джеке. Вечером могу сделать фото гнезда, если надо. А вот на задней панели дублирующие входные стоят трехштырьковые без замыкания. Провода, идущие к ним я просто отпаял от платы, меньше наводок.



Можно просто прибирать громкость неиспользуемого канала.

Не откажусь от любой помощи, т.к. я не специалист в электронике.
И по-большому счету, самый лучший вариант — тыкать носом куда надо и что сделать.  :rolleyes:
Ну типа «Полож колдобину со стороны загогулины и два раза дергани за пымпочку» (с)

Оффлайн Владислав Утюмов

  • Завсегдатай
  • ***
  • Сообщений: 410
  • И со свечкой искали они, и с умом...
Re: Кто нибудь переделывал Beag AEX 251
« Ответ #109 : Ноября 20, 2021, 08:16:04 »
Вот и мне отдали на днях BEAG 251. Принимайте в клуб.



Собираюсь привести аппарат в рабочее состояние. Еще есть ленточный дилей к нему. Видимо надо лампы купить, и посмотреть что сломалось. На первый взгляд увидел почерневший резюк и раздолбанное гнездо предохранителя.

Также не понял, что за разъемы на входах. Похоже на джек, но показалось, что джек идет туда туговато. Силу не рискнул прикладывать застрянет еще.

Оффлайн AZG

  • Живу на форуме
  • *******
  • Сообщений: 95541
  • Санкт-Петербург
    • AZG CUSTOM
Re: Кто нибудь переделывал Beag AEX 251
« Ответ #110 : Ноября 20, 2021, 13:30:22 »
Владислав Утюмов, Если состояние аппарата хорошее, то восстанавливай. Если не очень и много погибших деталей (в том числе электролиты), то есть смысл все это безобразие переделать в полноценный гитарный усилитель. Родные трансы очень хороши, особенно под клин. Но и перегруз достойный.

Оффлайн gretsch6119

  • Частый посетитель
  • **
  • Сообщений: 213
Re: Кто нибудь переделывал Beag AEX 251
« Ответ #111 : Ноября 21, 2021, 23:43:49 »
Владислав Утюмов, Если состояние аппарата хорошее, то восстанавливай. Если не очень и много погибших деталей (в том числе электролиты), то есть смысл все это безобразие переделать в полноценный гитарный усилитель. Родные трансы очень хороши, особенно под клин. Но и перегруз достойный.
На счет трансов  согласен! Шикарные трансы. Особенно выходной. Честно, современные трансы по диапазону и мощности(имею ввиду от 40-80вт) даже рядом не стоят.  Я сам такой переделал. На клин собрал схему twin reverb , на перегруз JCM800 .  У меня вместо EL34 стоят 6550. Макс. мощность 85 ватт!