Форум гитаристов
У нас самая большая гитарная тусовка
Добро пожаловать,
Гость
. Пожалуйста,
войдите
или
зарегистрируйтесь
.
Не получили
письмо с кодом активации
?
1 час
1 день
1 неделя
1 месяц
Навсегда
В теме
В разделе
По форуму
Яндекс
Начало
Помощь
Поиск
Media
Пользователи
Общий список
Поиск пользователей
Вход
Регистрация
|
Размещение рекламы
Правила форума
Форум гитаристов
»
Оборудование
»
equipment.craft
(Модератор:
Dying Fetus
) »
Тема:
Ламповое усиление, делимся полезной информацией.
« предыдущая тема
следующая тема »
Печать
Страницы:
[<< Назад]
1
...
39
40
41
42
43
44
45
[
46
]
47
48
49
50
51
52
53
...
273
[Дальше >>]
Вниз
Автор
Тема: Ламповое усиление, делимся полезной информацией. (Прочитано 262169 раз)
0 Пользователей и 2 Гостей просматривают эту тему.
AZG
Живу на форуме
Сообщений: 95529
Санкт-Петербург
Re: Ламповое усиление, делимся полезной информацией.
«
Ответ #675 :
Марта 30, 2021, 22:08:34 »
sadky,
Пивики повально с последовательным накалом. работают годами...
... и добавил:
Ну если пентоды в чистый, можно и с накалом в 20В например - ГК-71 слабо осилить? зато какой запас по клину!
«
Последнее редактирование: Марта 30, 2021, 22:11:48 от AZG
»
Записан
Производство усилителей
AZG CUSTOM
Лампы Sovtek, EH, TungSol, GENALEX, Mullard, SED
E-mail: gishaznr(dog)narod.ru
AZG Custom Guitar,AlexTurin Baritone 7 str,AlexTurin Tele-style,Alex Turin PRS-style 7 str,AlexTurin J-style Floyd,Poznysh Starline AZG 7 str,Warwick Fortress One 5 str
tom cat
Эксперт
Сообщений: 1846
На мой век металлолома хватит...
Re: Ламповое усиление, делимся полезной информацией.
«
Ответ #676 :
Марта 31, 2021, 06:41:03 »
А последовательно- это ничего не свиваем, соединяем накалы ламп одним проводом?
Записан
Rock on!
AZG
Живу на форуме
Сообщений: 95529
Санкт-Петербург
Re: Ламповое усиление, делимся полезной информацией.
«
Ответ #677 :
Марта 31, 2021, 07:22:14 »
Все тоже самое и свивка требуется для переменки. Только соединение накалов один за другим.
Записан
Производство усилителей
AZG CUSTOM
Лампы Sovtek, EH, TungSol, GENALEX, Mullard, SED
E-mail: gishaznr(dog)narod.ru
AZG Custom Guitar,AlexTurin Baritone 7 str,AlexTurin Tele-style,Alex Turin PRS-style 7 str,AlexTurin J-style Floyd,Poznysh Starline AZG 7 str,Warwick Fortress One 5 str
tom cat
Эксперт
Сообщений: 1846
На мой век металлолома хватит...
Re: Ламповое усиление, делимся полезной информацией.
«
Ответ #678 :
Марта 31, 2021, 18:18:12 »
В смысле припаиваем все же один провод, а другой идет до крайней панельки?
Записан
Rock on!
Medvedeff8
Ветеран форума
Сообщений: 3026
Слабоумие и отвага!
Re: Ламповое усиление, делимся полезной информацией.
«
Ответ #679 :
Марта 31, 2021, 18:56:03 »
tom cat
, гирляндой.
Записан
Настоящий материал (информация) произведен, распространен и (или) направлен иностранным агентом
tom cat
Эксперт
Сообщений: 1846
На мой век металлолома хватит...
Re: Ламповое усиление, делимся полезной информацией.
«
Ответ #680 :
Марта 31, 2021, 18:59:42 »
Во, точный термин, спасибо!
Записан
Rock on!
AZG
Живу на форуме
Сообщений: 95529
Санкт-Петербург
Re: Ламповое усиление, делимся полезной информацией.
«
Ответ #681 :
Марта 31, 2021, 19:05:33 »
Понимаем различие последовательный и параллельный?
Записан
Производство усилителей
AZG CUSTOM
Лампы Sovtek, EH, TungSol, GENALEX, Mullard, SED
E-mail: gishaznr(dog)narod.ru
AZG Custom Guitar,AlexTurin Baritone 7 str,AlexTurin Tele-style,Alex Turin PRS-style 7 str,AlexTurin J-style Floyd,Poznysh Starline AZG 7 str,Warwick Fortress One 5 str
tom cat
Эксперт
Сообщений: 1846
На мой век металлолома хватит...
Re: Ламповое усиление, делимся полезной информацией.
«
Ответ #682 :
Марта 31, 2021, 20:17:26 »
Записан
Rock on!
Картошка
Эксперт
Сообщений: 1345
Отжигаем лампы
Re: Ламповое усиление, делимся полезной информацией.
«
Ответ #683 :
Апреля 03, 2021, 17:14:28 »
Господа. кто какими прогами для расчетов, анализа работы проэктируемых вами усилительных трактов пользуется?
Записан
surfin bird
Эксперт
Сообщений: 2963
Поциент-заМКАДыш
Re: Ламповое усиление, делимся полезной информацией.
«
Ответ #684 :
Апреля 07, 2021, 19:54:32 »
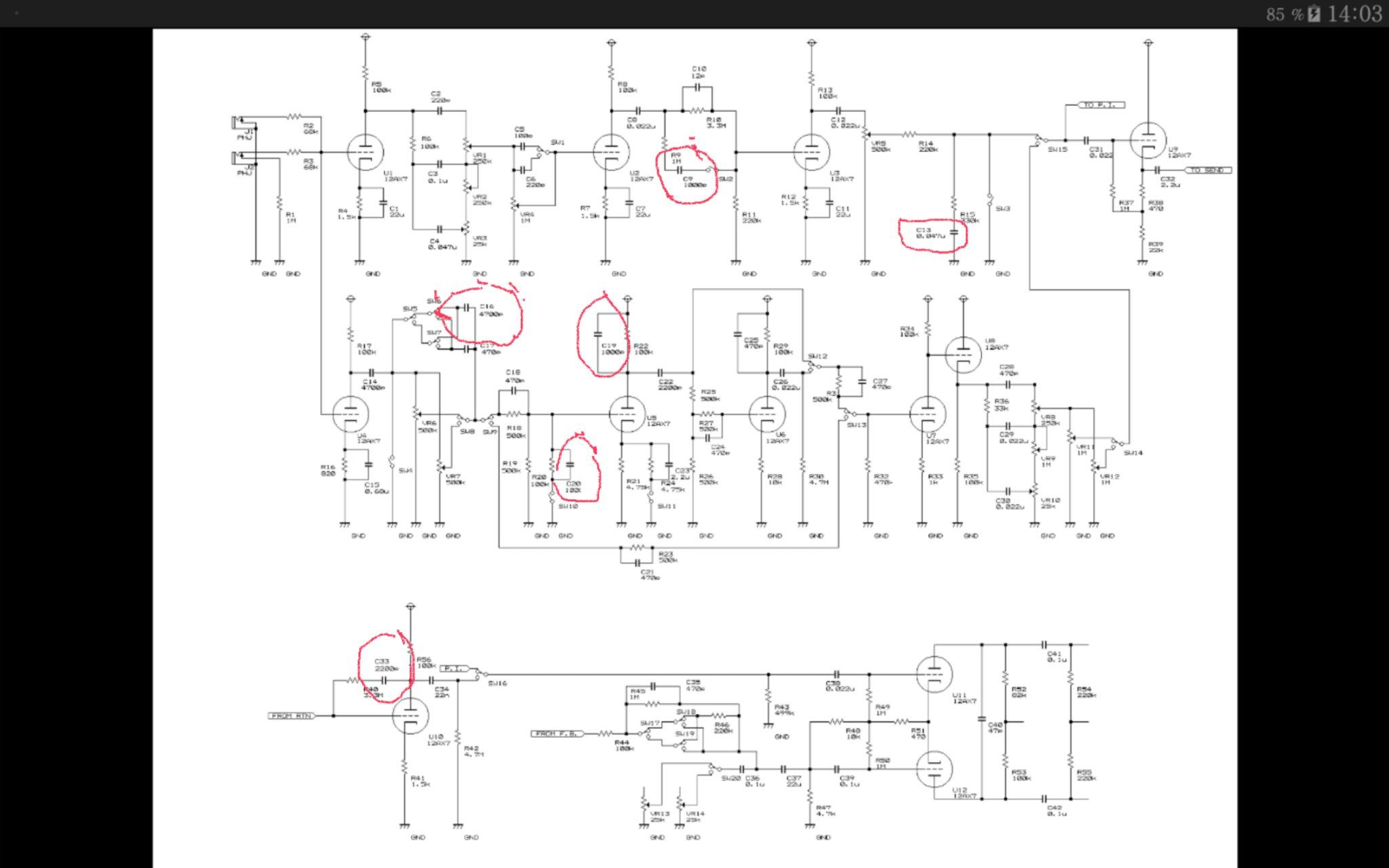
Поциенту нужон совет: какой тип диэлектрика наиболее желателен в помеченных красным конденсаторах ?
«
Последнее редактирование: Апреля 07, 2021, 20:31:30 от surfin bird
»
Записан
"no pain, no gain"
M1g
Живу на форуме
Сообщений: 7211
The MUTILATOR
Re: Ламповое усиление, делимся полезной информацией.
«
Ответ #685 :
Апреля 07, 2021, 22:00:13 »
surfin bird,
подозреваю что высоковольтная керамика. В аноды точно
Записан
Custom Guitar(ARB Pickups;OFR). Дома: Mesa Dual Rectifier 2ch, Yerasov HammerHead Mod+ Yerasov Bull 212. Репа: Mesa Mark III/Yerasov Bulldozer Mod + Full Stack Yerasov Bull 412. Работа: Krank Jr Mod, Mesa Transatlantic Mod+ Yerasov Bull 212.
surfin bird
Эксперт
Сообщений: 2963
Поциент-заМКАДыш
Re: Ламповое усиление, делимся полезной информацией.
«
Ответ #686 :
Апреля 08, 2021, 11:02:22 »
В макет ставил керамику и слюду, планирую очередной заказ радиодеталей, думаю чего бы еще прихватить.
Записан
"no pain, no gain"
tube-freak
Эксперт
Сообщений: 1241
yo yoda
Re: Ламповое усиление, делимся полезной информацией.
«
Ответ #687 :
Апреля 08, 2021, 11:13:12 »
Это ж xtc, в нем там Вима, все мелкие номиналы = FKP-2, или FKP3, не помню уже. фкп-3 не просто купить, и разница с 2 не большая
А вашпе - разница будет в Аноде, еще в брайте. Остальные стоят в таких местах, шо вобщемта пофиkk, какой диэлектрик
«
Последнее редактирование: Апреля 08, 2021, 11:35:42 от tube-freak
»
Записан
Tony Boom
Завсегдатай
Сообщений: 267
GuitarPlayer.Ru fan!
Re: Ламповое усиление, делимся полезной информацией.
«
Ответ #688 :
Апреля 10, 2021, 19:44:58 »
Здравствуйте, подскажите пожалуйста, как по схеме понять в каком классе (режиме) работает оконечный каскад?
Записан
Валентин Гаврилов
Эксперт
Сообщений: 2434
Long live Rock-n-Roll !!
Re: Ламповое усиление, делимся полезной информацией.
«
Ответ #689 :
Апреля 10, 2021, 20:01:49 »
Tony Boom,
Как правило : катоды вместе и общий катодный резистор при отсутствии напряжения смещения на сетки - класс А . Остальная схемотехника -класс АВ . Однотакты все -класс А.
Записан
Gibson SG (57 ,61,62,63 г.в.) , Harmony Rocket H54/1 made in usa 1968 , 1960s Alden (Harmony) Stratotone, GVAMPS (Н-Н), L.O.RICK (S-S) .
Печать
Страницы:
[<< Назад]
1
...
39
40
41
42
43
44
45
[
46
]
47
48
49
50
51
52
53
...
273
[Дальше >>]
Вверх
« предыдущая тема
следующая тема »
Форум гитаристов
»
Оборудование
»
equipment.craft
(Модератор:
Dying Fetus
) »
Тема:
Ламповое усиление, делимся полезной информацией.