Автор Тема: Ламповый оконечник 1-3Вт для дома. Посоветуйте!  (Прочитано 9559 раз)

0 Пользователей и 1 Гость просматривают эту тему.

Оффлайн Олег Чаурс Автор темы

  • Эксперт
  • *****
  • Сообщений: 2681
  • GuitarPlayer.Ru fan!
Здравствовать всем! Решил собрать ламповый оконечник на 1-3 Вт для дома, чтоб не громкий был, но со всеми ламповыми бонусами - теплота, динамика и т.д. Опыта сборки, знаний практически не имею. Когда-то в юности работал с отцом слесарем по судовой автоматике, паяльник держать умею и с тестером разберусь. Но на этом практически все. Сейчас у меня есть ламповый пред R&R SL\LD кабинет думаю в ближайшем времени купить Krank 16 Ом, но точно еще не решил, может возьму Ерасов Бул112. Играть хочу тяжелые вещи а-ля Металика, но вообще разное и всякое.
Где мне найти схему подходящую, чертежи плат, шасси, или корпус? Может кто-то подобное уже собирал и есть готовые, проверенные решения? Желательно с фотографиями, чтоб собирать как конструктор. Начинать и браться за это дело мне очень не просто. Я скорее всего не смогу самостоятельно перевести принципиальную схему на плату. Советы типа: ищи схемы в гугле, ищи что нибудь на каких нибудь лампах, делай вот тоже самое только без вот этих вот регулировок, тембр можешь не делать - мне к сожалению не помогут и заведут в тупик. Знаний в этом у меня практически нет, в самом лучшем случае узнаю на схеме диодный мост в блоке питания.  По этому,друзья форумчане, отнеситесь с пониманием нужен ваш мудрый и дельный совет!
« Последнее редактирование: Октября 13, 2015, 09:15:59 от Олег Чаурс »

Оффлайн GeorgeM

  • Ветеран форума
  • ******
  • Сообщений: 5432
  • тайный агент sovietguitars.com на ГП
гуглить "firefly", он несложный, звучит прилично, красит мало, теплота в наличии.

Оффлайн Олег Чаурс Автор темы

  • Эксперт
  • *****
  • Сообщений: 2681
  • GuitarPlayer.Ru fan!
Яндекс выдает по запросу firefly Сериал и аренду машин. Можно чуть конкретней? firefly - усилитель выдал тоже немного.
« Последнее редактирование: Октября 13, 2015, 08:45:33 от Олег Чаурс »

Оффлайн GeorgeM

  • Ветеран форума
  • ******
  • Сообщений: 5432
  • тайный агент sovietguitars.com на ГП


вот например на наших лампах...

я делал на 12AY7\12AU7. подходящие выходные трансы есть у ерасова, от "гаврош8" и "гаврош10". силовые - наверно тоже, хз. С6 я увеличивал до .047, С5 и С10 - по 25мкф, как по мне - приятнее звучит. наушниковый и линейные выходы не делал, незачем. крутилку "резонанс" смело можно менять на классическую регулировку тембра от принстона, бо работает она малоощутимо.
« Последнее редактирование: Октября 13, 2015, 08:52:15 от GeorgeM »

Оффлайн Олег Чаурс Автор темы

  • Эксперт
  • *****
  • Сообщений: 2681
  • GuitarPlayer.Ru fan!
GeorgeM, Мне наверное нужно что-то еще проще. На двух лампах и без выхода на наушники.

Оффлайн sbe77

  • Ветеран форума
  • ******
  • Сообщений: 3359
  • http://sbemaster.ru/
    • -=SBE MASTER=-
Олег Чаурс, достаточно и одной лампы. Ищите схемы на 6Ф3П/6Ф5П.

Оффлайн Олег Чаурс Автор темы

  • Эксперт
  • *****
  • Сообщений: 2681
  • GuitarPlayer.Ru fan!
GeorgeM, а можно фото внутрянки, платы, внешний вид. Так лучше пойму, что и как мне делать. Как прибор в эксплуатации? С каким кабом используется. Как на самом деле звучит на домашней громкости? Где без проблем и не дорого купить детали, плату, корпус? Знания мои нулевые, потому пожалуйста простите за такие вопросы.

Оффлайн GeorgeM

  • Ветеран форума
  • ******
  • Сообщений: 5432
  • тайный агент sovietguitars.com на ГП
ох, фотки не делал, я его лепил под заказ, в корпусе от мелкосхемного комбика пиви с его родным 8" дином, без платы, навеской, именно как оконечник для дома. клиент доволен.  ;)

Оффлайн Ksandr-

  • Эксперт
  • *****
  • Сообщений: 1437
  • хто здесь?!
можно еще оконечник от одноватных маршалов посмотреть. хотя если автор совсем не бум бум в электронике, то лучше 6ф3п ничего не придумать.

Оффлайн dimondss

  • Новичок
  • *
  • Сообщений: 44
  • GuitarPlayer.Ru fan!
Кажется мне что тяжелые вещи типа Металлики и 1-3вт несовместимы  :).
А так - если преамп есть и он дает более менее "готовый" звук то реально делать оконечник на 6Ф3п (6Ф5п)  ну или на 6Н2П + 6П14П (12ах7 + El84). Мощность правда будет около 5Вт но это однотакт, гуру говорят что это не тру :). А двухтакт можно на ГУ17+6Н2п сделать мощность около 10 вт, тут на форуме есть схемы (тема про маломощный двухтакт).   Главное тут подходящий выходной транс подобрать, так как для намотки своими руками нужен опыт.

Еще - кабинет лучше 8ом, под это сопротивление выходные трансформаторы легче найти (если из серии ТВЗ)
« Последнее редактирование: Октября 13, 2015, 13:51:18 от dimondss »

Оффлайн Олег Чаурс Автор темы

  • Эксперт
  • *****
  • Сообщений: 2681
  • GuitarPlayer.Ru fan!
Re: Ламповый оконечник 1-3Вт для дома. Посоветуйте!
« Ответ #10 : Октября 13, 2015, 14:13:30 »
GeorgeM, Ясно. Жалко!:)
dimondss, Совершенно верно, преамп а-ля Ректа, дает готовый тяжелый перегруз на третьем канале. 10Вт наверняка самое то, но как это для дома? Можно попробовать. Где посмотреть эти схемы?
А трансы... когда то я перемотал несколько штук, но это было ооочень давно.:) Сейчас и позабыл все. и мотального станочка  нету. Помню на работе был такой с велосипедным счетчиком, а еще много разных деревянных кубышек-сердечников. Сейчас даже здания этой базы нет давно...

Оффлайн dimondss

  • Новичок
  • *
  • Сообщений: 44
  • GuitarPlayer.Ru fan!
Re: Ламповый оконечник 1-3Вт для дома. Посоветуйте!
« Ответ #11 : Октября 13, 2015, 14:20:57 »
В этой теме где то схемы есть.
 https://guitarplayer.ru/index.php?topic=253490.0

хотя вроде сохранял на компе....


... и добавил:

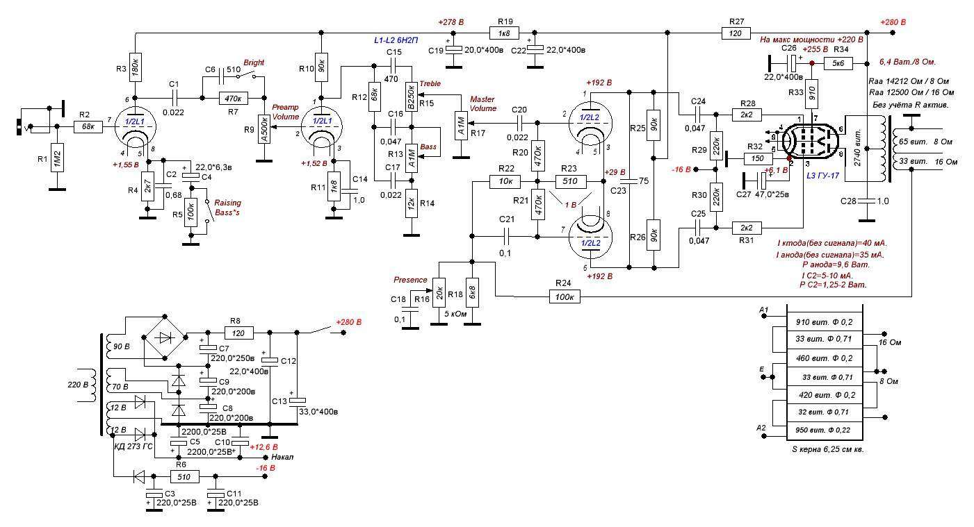
Или эта - полная схема. в вашем случае все что до регулятора мастер волюм выкинуть
« Последнее редактирование: Октября 13, 2015, 14:23:03 от dimondss »

Оффлайн Олег Чаурс Автор темы

  • Эксперт
  • *****
  • Сообщений: 2681
  • GuitarPlayer.Ru fan!
Re: Ламповый оконечник 1-3Вт для дома. Посоветуйте!
« Ответ #12 : Октября 13, 2015, 15:16:58 »
dimondss, В общем понятно, что ничего не понятно.:( Писал в начале темы, что схемы где что-то до чего-то там выкинуть мне не помогут. Я не разбираюсь в этом. Конечно нашел на схеме мастер волюм, но в каком месте от него отрезать, а с какой стороны прилепить я не знаю, понимаете?:( Я даже не понял разные это две схемы, или одна. Мне нужно что то готовое, лучше всего с фотографиями, чтобы я собрал как конструктор лего, как диван из Икеи. Вот что мне действительно нужно.

Оффлайн guitarjfet

  • Ветеран форума
  • ******
  • Сообщений: 4760
Re: Ламповый оконечник 1-3Вт для дома. Посоветуйте!
« Ответ #13 : Октября 13, 2015, 15:29:48 »
Олег Чаурс, лучше это... теории поднабраться... а то может ненароком убить током, не дай Бог, конечно  :hmmm:

Оффлайн Олег Чаурс Автор темы

  • Эксперт
  • *****
  • Сообщений: 2681
  • GuitarPlayer.Ru fan!
Re: Ламповый оконечник 1-3Вт для дома. Посоветуйте!
« Ответ #14 : Октября 13, 2015, 15:41:59 »
guitarjfet, Я прочитал темы с пометкой "Читать обязательно", с теорией общей ознакомился, с техникой безапасности, видах поражения током, правилом одной руки тоже. Чтоб поднабраться теории в моем понимании это перечитать кучу литературы, статей и т.д. Я не собираюсь поступать в радиотехникум и вообще этим заниматься серьезно. В начале своего топика объяснил свой уровень и то что мне нужно, но уже понял что этого здесь не найду к сожалению.