Автор Тема: Ламповый преамп в линию, правильные решения  (Прочитано 4067 раз)

0 Пользователей и 1 Гость просматривают эту тему.

Оффлайн Proks206 Автор темы

  • Опытный
  • ****
  • Сообщений: 588
  • Бог в помощь
Всем доброго дня! Развожу плату на ламповый преамп по схеме Krank Chadwick, созрел такой вопрос, для подключения его в линию какие манипуляции необходимо произвести, планирую отдельное гнездо в мощник и отдельное в линию, достаточно поставить просто постоянный делитель к примеру 1/10 или лучше повторитель какой? Еще как сделать чтобы одновременно сигнал был и на выходе в мощник и на выходе в линию?

Оффлайн akl

  • Живу на форуме
  • *******
  • Сообщений: 8114
  • не шарю ваще
Re: Ламповый преамп в линию, правильные решения
« Ответ #1 : Января 07, 2018, 08:46:20 »
в нормальном мощнике должен быть вход для линейного уровня (по типу ретурна петли), иначе кабель будет жрать звук.

Оффлайн Ден2

  • Ветеран форума
  • ******
  • Сообщений: 4278
Re: Ламповый преамп в линию, правильные решения
« Ответ #2 : Января 07, 2018, 08:51:34 »
Соглашусь. Петля решает.

Оффлайн AZG

  • Живу на форуме
  • *******
  • Сообщений: 95569
  • Санкт-Петербург
    • AZG CUSTOM
Re: Ламповый преамп в линию, правильные решения
« Ответ #3 : Января 07, 2018, 09:29:55 »
Что значит ЛИНИЯ? Это Микшер или Звуковая карта, но никак не гитарный аппарат. В Гитсрном это или Ретурн или вход на мощник. И реализация их может быть разная.

В любом случает требуется выходной буфер. Прямое подключение возможно только в мощник напрямую на фазик. Но это решение крайне необдуманное.

Для линии требуется спикосимуляция.

Оффлайн КЕН

  • Новичок
  • *
  • Сообщений: 37
  • GuitarPlayer.Ru fan!
Re: Ламповый преамп в линию, правильные решения
« Ответ #4 : Января 07, 2018, 10:31:33 »
Прямое подключение возможно только в мощник напрямую на фазик. Но это решение крайне необдуманное.



У меня ламповый преамп по такой схеме включен. Чем это плохо и как сделать правильнее?

Оффлайн AZG

  • Живу на форуме
  • *******
  • Сообщений: 95569
  • Санкт-Петербург
    • AZG CUSTOM
Re: Ламповый преамп в линию, правильные решения
« Ответ #5 : Января 07, 2018, 10:51:29 »
У меня ламповый преамп по такой схеме включен. Чем это плохо и как сделать правильнее?

Так выше же написали - нужна буферизация (петля по сути).

Прямое работает только в непосредственной близости аппаратов. Например рековые решения когда все в одной стойке и длина этого кабеля минимальна. Если преамп отдельно, то будут потери. Высокое выходное сопротивление преампа в первую очередь.

Оффлайн Proks206 Автор темы

  • Опытный
  • ****
  • Сообщений: 588
  • Бог в помощь
Re: Ламповый преамп в линию, правильные решения
« Ответ #6 : Января 07, 2018, 10:58:22 »
Что значит ЛИНИЯ? Это Микшер или Звуковая карта, но никак не гитарный аппарат. В Гитсрном это или Ретурн или вход на мощник. И реализация их может быть разная.

В любом случает требуется выходной буфер. Прямое подключение возможно только в мощник напрямую на фазик. Но это решение крайне необдуманное.

Для линии требуется спикосимуляция.
Под линией подразумевается именно пульт или звуковая карта. Вход в мощник, ну это скорее всего ретурн, просто разрывы с прямым входом в фазик это редкость, вот какие решения на выходе предпринять чтобы обеспечить выходы и туда и туда, 2 отдельных выхода или достаточно одного буферизированного? Ну вобще нужно 2 одновременно работающих

Оффлайн AZG

  • Живу на форуме
  • *******
  • Сообщений: 95569
  • Санкт-Петербург
    • AZG CUSTOM
Re: Ламповый преамп в линию, правильные решения
« Ответ #7 : Января 07, 2018, 11:19:15 »
Под линией подразумевается именно пульт или звуковая карта. Вход в мощник, ну это скорее всего ретурн, просто разрывы с прямым входом в фазик это редкость, вот какие решения на выходе предпринять чтобы обеспечить выходы и туда и туда, 2 отдельных выхода или достаточно одного буферизированного? Ну вобще нужно 2 одновременно работающих

Да, буферизация. В линии что, надо спикосим или просто выход? Тогда хватит и резистивной развязки после буфера. Можно и два параллельных буфера. Тут как кому удобнее.

Оффлайн Proks206 Автор темы

  • Опытный
  • ****
  • Сообщений: 588
  • Бог в помощь
Re: Ламповый преамп в линию, правильные решения
« Ответ #8 : Января 07, 2018, 15:13:25 »
Короче один выход планируется для включения в оконечник, ну я так понимаю что втыкаться в большинстве случаев он будет в ретурн, то есть буфер нужен (хотя теряется тру ламповость или я чего не понимаю? ;)), второй выход сухой сигнал в линию и тумблером будет переключать сигнал через спикерсим если нужно, оба выхода должны работать одновременно, киньте пожалуйста схемку хорошего буфера и как сделать сплиттер из двух буферов, ну или что там для этого нужно?

Оффлайн AZG

  • Живу на форуме
  • *******
  • Сообщений: 95569
  • Санкт-Петербург
    • AZG CUSTOM
Re: Ламповый преамп в линию, правильные решения
« Ответ #9 : Января 07, 2018, 17:18:49 »
Буфер на то и буфер, что ламповость тут ни при чем. И чем он прозрачнее, тем более тру будет. Никто не запрещает сделать буфер на лампе, если надо ТРУ.

По схемам - да абсолютно любой Сенд, что больше нравится. Я бы обратил внимание на петлю из соотв топика на LND150. Проверенный и прозрачный вариант.

Развязка простейшая - пара 10к резисторов последовательно, каждый на свое гнездо. Или два буфера параллельно, если смущает простейший вариант.

Оффлайн КЕН

  • Новичок
  • *
  • Сообщений: 37
  • GuitarPlayer.Ru fan!
Re: Ламповый преамп в линию, правильные решения
« Ответ #10 : Января 07, 2018, 19:58:51 »
Так выше же написали - нужна буферизация (петля по сути).

Прямое работает только в непосредственной близости аппаратов. Например рековые решения когда все в одной стойке и длина этого кабеля минимальна. Если преамп отдельно, то будут потери. Высокое выходное сопротивление преампа в первую очередь.

 :pozor: Моя шибко не внимателен. В моем преампе есть петля.Параллельная.

Оффлайн Proks206 Автор темы

  • Опытный
  • ****
  • Сообщений: 588
  • Бог в помощь
Re: Ламповый преамп в линию, правильные решения
« Ответ #11 : Января 08, 2018, 04:03:49 »

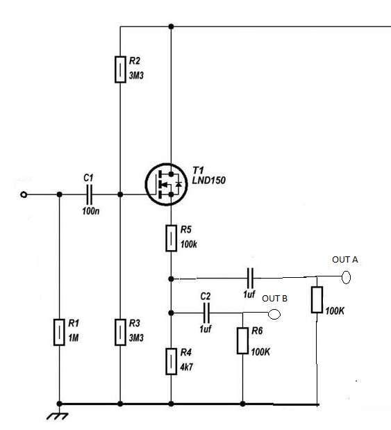
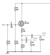
По схемам - да абсолютно любой Сенд, что больше нравится. Я бы обратил внимание на петлю из соотв топика на LND150. Проверенный и прозрачный вариант.
 

Я так понимаю речь об этой схеме, если на пальцах, что вместо ручки левел и как сделать развязку на 2 выхода?



Оффлайн AZG

  • Живу на форуме
  • *******
  • Сообщений: 95569
  • Санкт-Петербург
    • AZG CUSTOM
Re: Ламповый преамп в линию, правильные решения
« Ответ #12 : Января 08, 2018, 07:03:11 »
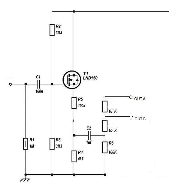
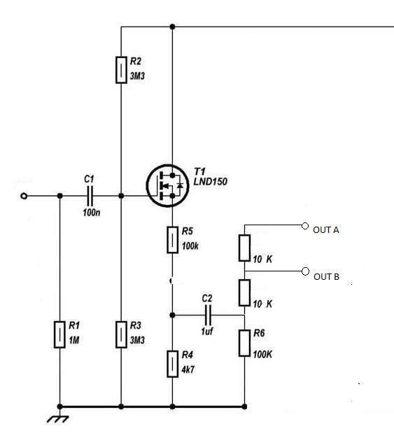
Proks206, ДА, эта. На землю резистор 100К и от его верхнего вывода два резистора последорвательно на 10К  каждый на свое гнездо.

Более полное разделение можно сделать если С2 повторить параллельно с резистором утечки. Вариантов много.

Оффлайн Proks206 Автор темы

  • Опытный
  • ****
  • Сообщений: 588
  • Бог в помощь
Re: Ламповый преамп в линию, правильные решения
« Ответ #13 : Января 08, 2018, 20:30:09 »
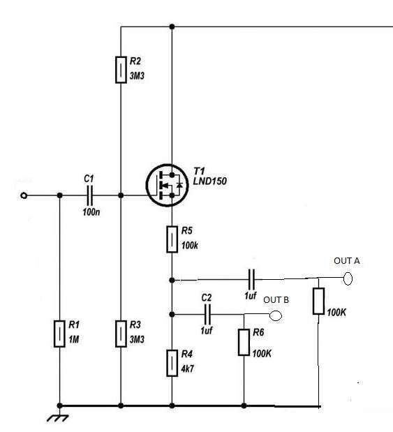
Я правильно понял, вот такие схемы получаются в итоге?

Оффлайн AZG

  • Живу на форуме
  • *******
  • Сообщений: 95569
  • Санкт-Петербург
    • AZG CUSTOM
Re: Ламповый преамп в линию, правильные решения
« Ответ #14 : Января 08, 2018, 21:51:23 »
Вторая неправильно.Оба резистора от R6 и каждый на свой выход.