В предыдущей созданной мной теме я уже упоминал о намерении сделать такой аппарат, вернее аппарат максимально приближённый к нему по функциональности и звуку. Наконец-то подготовительный процесс подошёл к той стадии, когда необходимо определиться с шасси. Заказанные детали получены, трансы изготовлены, надо определиться с размещением на шасси. Самым простым было бы не изобретая велосипед скомпоновать аналогично оригиналу, учитывая только разницу в комплектующих. Но проблема в том, что оригинал, который послужил причиной к желанию заиметь такой аппарат, в настоящее время не доступен

. Поэтому последняя надежда – это помощь общественности (поиск по форуму не дал ответов на мои вопросы). Может есть у кого-нибудь оригинал, хотя бы пару фоток шасси изнутри – непонятно как сделано такое размещение: управление сверху, лампы и трансы снизу, сеть и гнёзда выхода (+ петля и FS) сзади…

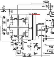
И совсем замечательно было бы узнать напряжения по анодному питанию, на схеме, которую я нашёл они не указаны. Нашёл сервисную информацию по усилителям Laney, такой же силовой транс (006094) применяется в ТТ20, указано напряжение ~225 В. Но смутило то, что в L5T напруга (по схеме) для питания М/С берётся с отводов анодной обмотки, а в ТТ20 нарисована отдельная обмотка ~20 В.




При всей моей доверчивости у меня всё-таки появились сомнения в достоверности информации.

Я конечно не спец по ламповой технике, но судя по различным источникам, именно анодное напряжение определяет режим работы лампового усилителя. Поэтому хотелось бы максимально выдержать соответствие рабочим режимам оригинала.
И ещё попутно вопрос: судя всё по той же сервисной информации и схемам, выходной трансформатор (006072 - кстати, это уже упоминалось на форуме) применяется не только в SE L5T-112, но и ещё 3-4-х моделях Laney, причём (!) PP…



Это что – фирменная «фишка» Laney? Нетрадиционная унификация? Заранее благодарен всем откликнувшимся.