Автор Тема: Low Voltage Tube overdrive / бустер-грелка  (Прочитано 17075 раз)

0 Пользователей и 1 Гость просматривают эту тему.

Оффлайн Weiss

  • Эксперт
  • *****
  • Сообщений: 1256
  • ну... как-то так
Re: Low Voltage Tube overdrive / бустер-грелка
« Ответ #45 : Октября 10, 2013, 09:16:54 »
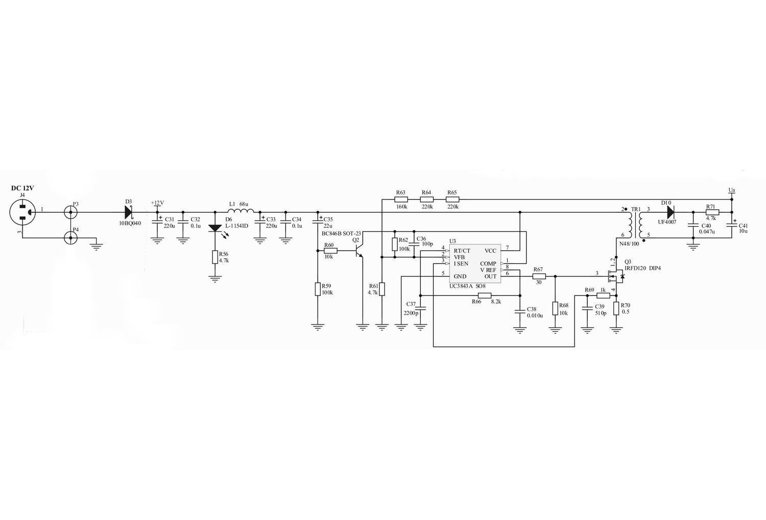
Просто вот давно думал найти готовую практическую схемку простенького импульсника на вольт 250 из 12. Вот и ввязался с учаснегом в дискуссию.

Bulldozerrr,
а почему тогда не взять "готовую практическую схемку" от птеры?
969346-0

Оффлайн Tander Автор темы

  • Ветеран форума
  • ******
  • Сообщений: 3732
    • Efremoff
Re: Low Voltage Tube overdrive / бустер-грелка
« Ответ #46 : Октября 10, 2013, 10:12:10 »
ммм... первое - трансформаторик, второе - кол-во элементов, третье - нету у меня щас под рукой UC3843, а NE555 - дофига, да и дроссели где-то валяются и в случае чего их и сделать проще, чем трансформаторик тот мелкий. Хотя много слышал, что схема от птеры достаточно хороша.

Во вложении пдф с простым преобразователем с 9-12 на 170-180вольт. Должно хватить с головой. Габариты платы - легко уменьшить.

Оффлайн Bulldozerrr

  • Эксперт
  • *****
  • Сообщений: 2935
Re: Low Voltage Tube overdrive / бустер-грелка
« Ответ #47 : Октября 10, 2013, 10:48:41 »

Bulldozerrr,
а почему тогда не взять "готовую практическую схемку" от птеры?
(Ссылка на вложение)


Вот только не думайте, что я не рассматривал этот вариант.
Где простите взять такой вот как там импульсный трансформатер?
А готовых импульсных дросселей есть возможность взять хоть мульон.

... и добавил:

Во вложении пдф с простым преобразователем с 9-12 на 170-180вольт. Должно хватить с головой. Габариты платы - легко уменьшить.

Надобы всеже хотя бы 250, а лучше не меньше 300.
« Последнее редактирование: Октября 10, 2013, 10:56:15 от Bulldozerrr »

Оффлайн Tander Автор темы

  • Ветеран форума
  • ******
  • Сообщений: 3732
    • Efremoff
Re: Low Voltage Tube overdrive / бустер-грелка
« Ответ #48 : Октября 10, 2013, 11:45:14 »
Увеличьте дроссель до 200-300uH, поставте выходной конденсатор на большее напряжение, и замените мосфет на вольт на 600.

... и добавил:

и опять же - под 12AX7 (ЕСС83) - да, лучше 250-300. Под 12AU7 (ECC82) - 170 вольт с головой. У нее номинальное анодное 100В (макс допустимый - 250В) - звучать будет очень хорошо.
« Последнее редактирование: Октября 10, 2013, 18:43:10 от Tander »

Оффлайн Weiss

  • Эксперт
  • *****
  • Сообщений: 1256
  • ну... как-то так
Re: Low Voltage Tube overdrive / бустер-грелка
« Ответ #49 : Октября 10, 2013, 22:26:11 »

Где простите взять такой вот как там импульсный трансформатер?
Намотать самому на схеме вроде даже моточные данные указаны. При желании для уточнения можно и в саппорт им написать. Мол сгорел, мастеров в городе нема, дайте моточные данные - сам намотаю  ;)

Оффлайн Bulldozerrr

  • Эксперт
  • *****
  • Сообщений: 2935
Re: Low Voltage Tube overdrive / бустер-грелка
« Ответ #50 : Октября 10, 2013, 23:58:59 »
Намотать самому на схеме вроде даже моточные данные указаны. При желании для уточнения можно и в саппорт им написать. Мол сгорел, мастеров в городе нема, дайте моточные данные - сам намотаю  ;)
Как у вас все просто, импульсный транс это не такая простая весчь. Вы сами такое мотали? Кроме моточных данных там еще масса проблемных моментов, типа выбора сердечника, пропитки, правильной сборки. У меня опыта такого немного. Пара попыток закончилась неудачно и на эту тему я забил. Просто нет времени заниматься экспериментами.

Оффлайн Santjago

  • Живу на форуме
  • *******
  • Сообщений: 10916
  • Hard As A Rock

Оффлайн Tander Автор темы

  • Ветеран форума
  • ******
  • Сообщений: 3732
    • Efremoff
Re: Low Voltage Tube overdrive / бустер-грелка
« Ответ #52 : Октября 17, 2013, 14:32:32 »
Если использовать преобразователь для поднятия напряжения на стандартный ламповый уровень - то уже как-то не low Voltage схема получается.

Семплы. Игралось с басом, гитары так под рукой и не оказалось, постараюсь позже сделать.

Бас->Сабж->линейный вход->ProTools. На дорожку накинут ампеговский программный симулятор кабинета.

1. Положение регулятора гейна - 20%, включено диодное ограничение.
* led_only.mp3 (845.12 КБ - загружено 93 раз.)

2. Положение регулятора гейна - 80-90%, диодное ограничение выключено.
* tube_hi_gain.mp3 (756.34 КБ - загружено 94 раз.)

3. Положение регулятора гейна на 15-20%, диодное ограничение выключено.
* tube_low_gain.mp3 (868.59 КБ - загружено 124 раз.)

4. Положение регулятора гейна 90%, включено диодное ограничение. Самый фуззовый звук.
* led+tube_hi_gain.mp3 (743.08 КБ - загружено 100 раз.)

Вот как-то так. :)

Оффлайн Yarilo

  • Новичок
  • *
  • Сообщений: 62
  • GuitarPlayer.Ru fan!
Re: Low Voltage Tube overdrive / бустер-грелка
« Ответ #53 : Января 19, 2014, 13:53:16 »
Собрал данный девайс на лампе 6н2п. Питается от блока питания 9 В, до 1,5А. Не работает. Не то, что совсем не работает, звук есть, но ОЧЕНЬ тихий. Т.е., даже при максимальной громкости на обоих регуляторах девайса гитара еле-еле прослушивается.
С лампами дело раньше не имел, да и с полупроводниковой электроникой лет 20 назад, в радиокружке.
Гуру электронно-звуковых дел, подскажите, где и как копать?

P.S. Ошибок в монтаже нет, все проверено, все пропаяно. Напряжение накала выставлено 6,3 В, как положено, лампа светится.

Оффлайн Tander Автор темы

  • Ветеран форума
  • ******
  • Сообщений: 3732
    • Efremoff
Re: Low Voltage Tube overdrive / бустер-грелка
« Ответ #54 : Января 19, 2014, 19:17:25 »
не работает данное устройство с 6Н2П, так же не очень рекомендуют 12AX7. Лампа нужна 12AT7 или 12AU7 - я не знаю аналог подобных из совковых...

Оффлайн AZG

  • Живу на форуме
  • *******
  • Сообщений: 95582
  • Санкт-Петербург
    • AZG CUSTOM
Re: Low Voltage Tube overdrive / бустер-грелка
« Ответ #55 : Января 19, 2014, 19:54:44 »
6Н3П (см цоколевку!!!!) и 6Н1П соответственно.

Оффлайн Tander Автор темы

  • Ветеран форума
  • ******
  • Сообщений: 3732
    • Efremoff
Re: Low Voltage Tube overdrive / бустер-грелка
« Ответ #56 : Января 19, 2014, 20:35:47 »
6н1п - да. вариант. только она ж кушает шо не в себя )))

Оффлайн GeorgeM

  • Ветеран форума
  • ******
  • Сообщений: 5432
  • тайный агент sovietguitars.com на ГП
Re: Low Voltage Tube overdrive / бустер-грелка
« Ответ #57 : Января 20, 2014, 06:31:26 »
12au7 тоже кушает будь здоров. а 6н*п действительно в этой схеме если и работают то сильно паршиво. подозреваю что проблема в низкой эмиссии по сравнению с буржуйскими типами. забудьте про них.

Оффлайн Sofa_Guitarrero

  • Опытный
  • ****
  • Сообщений: 712
  • Диванщик! Из палаты мер и весов! BMWMotorrad-труЪ!
Re: Low Voltage Tube overdrive / бустер-грелка
« Ответ #58 : Января 20, 2014, 06:56:07 »
Та забугром все лучче - и лампы усилительней, и гомосеки талантливей :)
Про вч триод 6С3П-ЕВ забыли. Предельное анодное 150, Ку 50, долговечность 10000 часов, низкие шумы и емкости по причине вэчовости, дешевизна по причине невостребованности хифилитиками.

Оффлайн GeorgeM

  • Ветеран форума
  • ******
  • Сообщений: 5432
  • тайный агент sovietguitars.com на ГП
Re: Low Voltage Tube overdrive / бустер-грелка
« Ответ #59 : Января 20, 2014, 07:36:43 »
а вот на этом было бы интересно. никогда правда не видел.