Автор Тема: marshall 18 watt.кто осилил?  (Прочитано 102298 раз)

0 Пользователей и 1 Гость просматривают эту тему.

Оффлайн ludvigtrasher

  • Эксперт
  • *****
  • Сообщений: 1601
Re: marshall 18 watt.кто осилил?
« Ответ #405 : Марта 26, 2013, 19:07:54 »
5ти ватник не сильно греется.

Оффлайн runing

  • Живу на форуме
  • *******
  • Сообщений: 12572
  • Киев
Re: marshall 18 watt.кто осилил?
« Ответ #406 : Марта 26, 2013, 19:15:48 »
Ещё хотел уточнить- как скажется на звуке перемещение этого резистора на проводах за пределы платы ?  Можно так делать, например, чтобы прикрепить этот мощный резюк к шасси ?

Можно конечно, только обеспечь его надёжное крепление, что бы он не болтался и не коротнул об шасси.

Оффлайн High Hopes

  • Опытный
  • ****
  • Сообщений: 931
  • Воля и Разум
Re: marshall 18 watt.кто осилил?
« Ответ #407 : Марта 26, 2013, 19:21:06 »
Можно конечно, только обеспечь его надёжное крепление, что бы он не болтался и не коротнул об шасси.
  Огромное вам спасибо за ответ,  уважаемый runing !!! Естественно, я его хорошо заизолирую от шасси, например,  подложу под него пластинки из текстолита. Тогда можно и кондёр шунтирующий на плате не трогать. А остальные резюки по питанию на плате греться не будут ??

Оффлайн runing

  • Живу на форуме
  • *******
  • Сообщений: 12572
  • Киев
Re: marshall 18 watt.кто осилил?
« Ответ #408 : Марта 26, 2013, 19:33:28 »
А остальные резюки по питанию на плате греться не будут ??

Если всё собрано правильно, то не будут. Кстати, я бы рекомендовал при использовании преда от JCM800, внести небольшие изменения в оконечник от 18-ваттного маршалла.
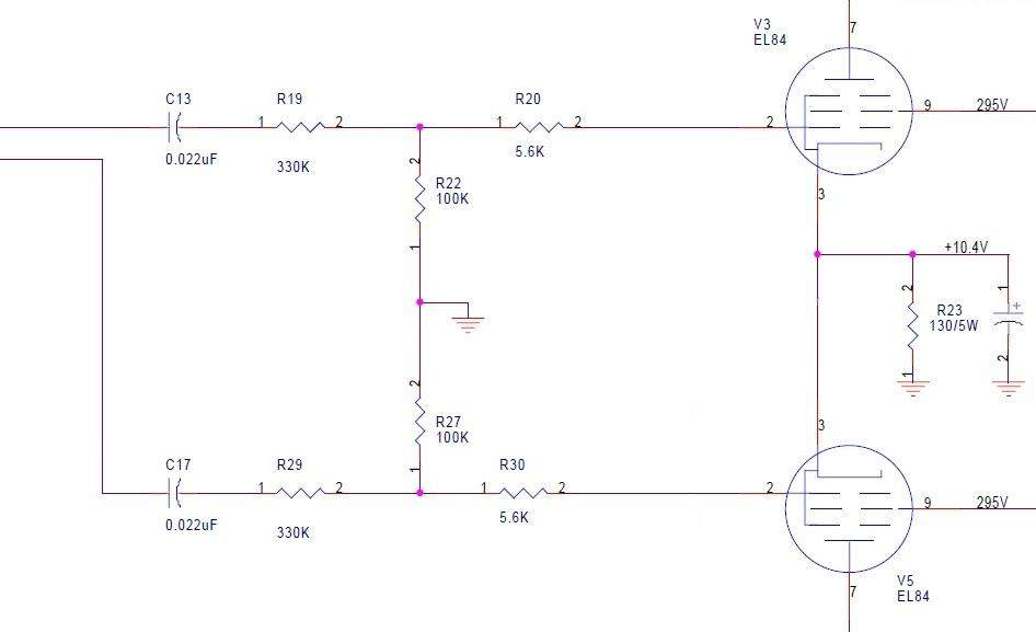
Поскольку выходные лампы EL84, то рекомендую такое включение:

910145-0


Обрати внимание на новые резисторы R19 и R29, а так же на номиналы резисторов R22 и R27.

Оффлайн High Hopes

  • Опытный
  • ****
  • Сообщений: 931
  • Воля и Разум
Re: marshall 18 watt.кто осилил?
« Ответ #409 : Марта 26, 2013, 19:58:10 »
Спасибо  большое за советы!!!!

Оффлайн nwds

  • Завсегдатай
  • ***
  • Сообщений: 267
Re: marshall 18 watt.кто осилил?
« Ответ #410 : Апреля 01, 2013, 12:33:17 »
Если всё собрано правильно, то не будут. Кстати, я бы рекомендовал при использовании преда от JCM800, внести небольшие изменения в оконечник от 18-ваттного маршалла.
Поскольку выходные лампы EL84, то рекомендую такое включение:

Обрати внимание на новые резисторы R19 и R29, а так же на номиналы резисторов R22 и R27.

runing,  подскажи как влияют изменения в схеме? кроме того, что положительно  :)  На днях собрал JCM 800+18watt, хотелось бы доработать как положено  ;) 

Оффлайн vasilius

  • Эксперт
  • *****
  • Сообщений: 2193
  • www.st-rock.com
    • st.Rock
Re: marshall 18 watt.кто осилил?
« Ответ #411 : Апреля 01, 2013, 19:05:38 »
runing,  подскажи как влияют изменения в схеме? кроме того, что положительно  :)  На днях собрал JCM 800+18watt, хотелось бы доработать как положено  ;) 

el84 раньше "грузятся", поэтому или менять номиналы фазика на меньший выхлоп, или подогнать выход фазика под чувствительность выходных ламп...
Фазик с номиналами от 800-ки грузится сам по себе хорошо, и менять это не хочется , поэтому прибирают его уровень по выходу....

Оффлайн nwds

  • Завсегдатай
  • ***
  • Сообщений: 267
Re: marshall 18 watt.кто осилил?
« Ответ #412 : Апреля 01, 2013, 19:46:50 »
vasilius , спасибо за пояснение. Буду подгонять.

Оффлайн runing

  • Живу на форуме
  • *******
  • Сообщений: 12572
  • Киев
Re: marshall 18 watt.кто осилил?
« Ответ #413 : Апреля 01, 2013, 21:34:13 »
vasilius,  :good:

Оффлайн High Hopes

  • Опытный
  • ****
  • Сообщений: 931
  • Воля и Разум
Re: marshall 18 watt.кто осилил?
« Ответ #414 : Апреля 07, 2013, 12:38:28 »
el84 раньше "грузятся", поэтому или менять номиналы фазика на меньший выхлоп, или подогнать выход фазика под чувствительность выходных ламп...
Фазик с номиналами от 800-ки грузится сам по себе хорошо, и менять это не хочется , поэтому прибирают его уровень по выходу....
 
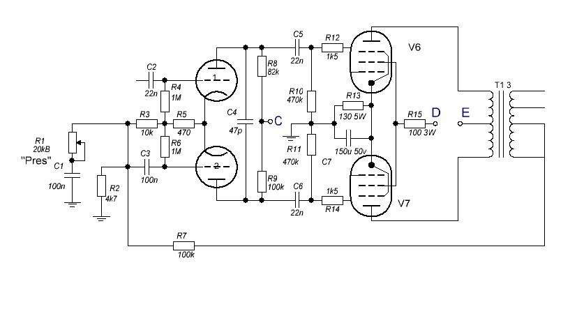
  Вобщем, я поставил ограничительные резисторы перед сетками  EL84 по 1,5 кОм. Так рекомендовал товарищ Loc@Tor , укоторого я заказывал шасси и трансы.  Я знаю, что эти лампы лучше звучат не на максимальных громкостях, а на средних, поэтому мне как бы не нужно, чтобы они грузились позже. Так что я думаю, что  эти резисторы не надо трогать. Вот схема (Loc@Tor) , по которой я собирал мощник

Оффлайн vasilius

  • Эксперт
  • *****
  • Сообщений: 2193
  • www.st-rock.com
    • st.Rock
Re: marshall 18 watt.кто осилил?
« Ответ #415 : Апреля 07, 2013, 14:56:47 »
 
  Вобщем, я поставил ограничительные резисторы перед сетками  EL84 по 1,5 кОм. Так рекомендовал товарищ Loc@Tor , укоторого я заказывал шасси и трансы.  Я знаю, что эти лампы лучше звучат не на максимальных громкостях, а на средних, поэтому мне как бы не нужно, чтобы они грузились позже. Так что я думаю, что  эти резисторы не надо трогать. Вот схема (Loc@Tor) , по которой я собирал мощник

Давай я еще раз по-пробую.. а там уж как будет...
Дело не в самих сеточных резисторах : 1к5, 5к6, 8к2..... дело в уровне сигнала, до этого резистора (что б на пальцах в точке после 22n и левом выводе это резистора).
На картинке изображен классический маршал стайл фазик для пары el34. Для EL34 нужно, скажем 50в на входе, что б выдать ожидаемые параметры для режима.
И этот фазик делает это. Но для EL84 нужно, скажем 20в, что б выдать ту мощность, на которую они рассчитывались....
Так вот...
ты сам пишешь что эти лампы звучат на средних громкостях лучше - это потому, что на средних громкостях фазик как-раз и дает нормальное напряжение для этих ламп, а дальше уже тупо перегружает их. Понимаешь? Отсюда и срач на максимальнйо громкости...

Как я писал выше, есть два способа решения :
1. пересчитать номиналы фазика, уменьшив усиление...  но многим именно нравится как грузится такой фазик, и поэтому его не трогают...
2. прибрать уровень после фазика, что и предложил runing,

если и сейчас не понятно... то хз...


Оффлайн High Hopes

  • Опытный
  • ****
  • Сообщений: 931
  • Воля и Разум
Re: marshall 18 watt.кто осилил?
« Ответ #416 : Апреля 07, 2013, 15:08:06 »
Спасибо, я всё понял. Тогда я наверное поменяю сеточные резюки ( R12 , R14 по моей схеме) на 5.6 кОм, а R3   на 47 кОм .
« Последнее редактирование: Апреля 07, 2013, 15:37:56 от High Hopes »

Оффлайн vasilius

  • Эксперт
  • *****
  • Сообщений: 2193
  • www.st-rock.com
    • st.Rock
Re: marshall 18 watt.кто осилил?
« Ответ #417 : Апреля 07, 2013, 15:16:09 »
Спасибо, я всё понял. Тогда я наверное поменяю сеточные резюки ( R12 , R14 по моей схеме) на 5.6 кОм, а R13   на 47 кОм .

зачем?

Оффлайн High Hopes

  • Опытный
  • ****
  • Сообщений: 931
  • Воля и Разум
Re: marshall 18 watt.кто осилил?
« Ответ #418 : Апреля 07, 2013, 15:22:48 »
Блин, так что, не надо? Объясните пожалуйста по-простому, надо их трогать , или не нет? Я так понимаю, что они влияют на ранний уход в перегруз мощника. Правильно? Если я оставлю номиналы такими как есть, звук хуже не станет? Просто пока я ещё не собрал его в шасси, чтобы потом всё заново не разбирать, а это уже будет очень непросто.

Оффлайн vasilius

  • Эксперт
  • *****
  • Сообщений: 2193
  • www.st-rock.com
    • st.Rock
Re: marshall 18 watt.кто осилил?
« Ответ #419 : Апреля 07, 2013, 15:34:08 »
Тогда я наверное поменяю сеточные резюки ( R12 , R14 по моей схеме) на 5.6 кОм, а R13   на 47 кОм .

 - просто смена на 5к6 ничего не решит
 -  R13   на 47 кОм  это вообще бред - R13 это резистор смещения - 130 Ом и не трогать.....

сделай как написал runing, - смотри на его схему - там r19+r22 и в другом плече r29+r27 - вот сделай так же.