Автор Тема: Marshall 20W. Помогите.  (Прочитано 3974 раз)

0 Пользователей и 1 Гость просматривают эту тему.

Оффлайн Коля Герасимов Автор темы

  • Новичок
  • *
  • Сообщений: 18
Marshall 20W. Помогите.
« : Октября 25, 2014, 15:42:40 »
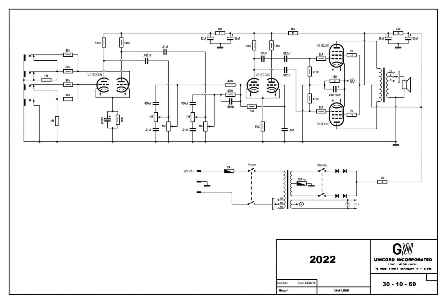
Паял я много чего, но в ламповой технике пока мало понимаю. Хочу собрать аппарат по данной схеме. Помогите, пожалуйста, с номиналами конденсаторов (напряжение, где оно не указанно), номиналами переключателями (switch на схеме), трансформаторами (примеры питающего, характеристики и примеры выходного) и дросселем (характеристики и примеры). Заранее благодарю.


Оффлайн runing

  • Живу на форуме
  • *******
  • Сообщений: 12572
  • Киев
Re: Marshall 20W. Помогите.
« Ответ #1 : Октября 25, 2014, 15:51:52 »
Коля Герасимов, а какое отношение имеет данная схема к названию твоей темы?

Оффлайн Коля Герасимов Автор темы

  • Новичок
  • *
  • Сообщений: 18
Re: Marshall 20W. Помогите.
« Ответ #2 : Октября 25, 2014, 16:13:15 »
Эта измененная схема маршала


... и добавил:

runing,
Это измененная схема маршала
« Последнее редактирование: Октября 25, 2014, 16:28:56 от Коля Герасимов »

Оффлайн runing

  • Живу на форуме
  • *******
  • Сообщений: 12572
  • Киев
Re: Marshall 20W. Помогите.
« Ответ #3 : Октября 25, 2014, 16:48:08 »
Эта измененная схема маршала

Возможно. Но как по мне, то это изменённая схема фендера  ???

Оффлайн Коля Герасимов Автор темы

  • Новичок
  • *
  • Сообщений: 18
Re: Marshall 20W. Помогите.
« Ответ #4 : Октября 25, 2014, 16:58:30 »
runing,
По данной схеме выше собирался маршал.  Сможешь помочь мне, ответишь на заданные вопросы?

« Последнее редактирование: Октября 25, 2014, 17:10:22 от Коля Герасимов »

Оффлайн -sd-

  • Частый посетитель
  • **
  • Сообщений: 239
  • GuitarPlayer.Ru fan!
Re: Marshall 20W. Помогите.
« Ответ #5 : Октября 25, 2014, 17:22:34 »
конденсаторы на 400-450 Вольт, в катодах на 25 хватит.
свитч - обычные тумблеры.
трансы (на схеме информация есть):
питающий - первичка 220 В, вторичка 285В, 0,4А, вторая вторичка 6,3В, 4А
выходник - 7...8 килоОм (между анодами) провод на 50 мА (минимум)

схема - чистый фэндэр. для металла не пойдет.
что играть собираешся? а то может зря собрался его собирать?

Оффлайн Mepk

  • Эксперт
  • *****
  • Сообщений: 1855
  • Еще один соберу - и всё...
    • Мой блог
Re: Marshall 20W. Помогите.
« Ответ #6 : Октября 25, 2014, 17:27:47 »
-sd-, куда там 0,4А анодного? :o
У Vox AC30 270 мА на 4 лампы. Тут 100 мА за глаза хватит.

Оффлайн Коля Герасимов Автор темы

  • Новичок
  • *
  • Сообщений: 18
Re: Marshall 20W. Помогите.
« Ответ #7 : Октября 25, 2014, 17:35:11 »
-sd-,
Спасибо тебе! Можешь посоветовать аппарат более убийственный, возможно, как на данном аппарате гейна накрутить? Играть собираюсь песни на чистом, но приоритет на перегруз (металлика, айрон мэйден и т.д.)

... и добавил:

Можете помочь мне с дросселем?
« Последнее редактирование: Октября 25, 2014, 17:40:02 от Коля Герасимов »

Оффлайн ГБ

  • Джемер
  • *****
  • Сообщений: 3158
Re: Marshall 20W. Помогите.
« Ответ #8 : Октября 25, 2014, 17:38:34 »
Коля, это не маршалл ) Маршалл вот, например, и не благодари  :) Но лучше не заморачиваться, а купить у Ерасова хаммер хед, бомба!


« Последнее редактирование: Октября 25, 2014, 17:40:38 от ГБ »

Оффлайн Коля Герасимов Автор темы

  • Новичок
  • *
  • Сообщений: 18
Re: Marshall 20W. Помогите.
« Ответ #9 : Октября 25, 2014, 17:43:19 »
ГБ, Охота собрать именно своими руками) И какая мощность у нового кандидата? :)
« Последнее редактирование: Октября 25, 2014, 18:10:31 от Коля Герасимов »

Оффлайн Dying Fetus

  • Moderator
  • *****
  • Сообщений: 10310
  • DIYng Fetus
    • http://cathar.ru
Re: Marshall 20W. Помогите.
« Ответ #10 : Октября 25, 2014, 18:24:52 »
Коля Герасимов, 50Вт. Купить у ерасова будет дешевле и лучше внешне. Если собирать из телевизора весна, будет телевизорный звук. Оно тебе надо?

Оффлайн -sd-

  • Частый посетитель
  • **
  • Сообщений: 239
  • GuitarPlayer.Ru fan!
Re: Marshall 20W. Помогите.
« Ответ #11 : Октября 25, 2014, 18:27:50 »
"куда там 0,4А анодного? :o " - это не я придумал, на схеме написано, 100 мА с головой хватит.
мощность с пары 6п14п - 10 ... 15 Ватт, громкость от дина зависит.
в Фендер металлику не наиграешь,
если хочется Маршала и по проще, есть такой комбик
https://lh5.googleusercontent.com/sd6_2qHREulrBYdzYdgCpdVU-L_c-HU60Lmfh0hM3w
лампы Рашинские, можно и с одним входом.
перегруз только внешний (тапки, преампы)
ламповую голову с перегрузом не советую собирать так рано (без опыта), врятли что получится, слишком это сложно

Оффлайн runing

  • Живу на форуме
  • *******
  • Сообщений: 12572
  • Киев
Re: Marshall 20W. Помогите.
« Ответ #12 : Октября 25, 2014, 18:31:47 »
Коля, это не маршалл ) Маршалл вот...

Название темы соответствует вот этой схеме:

1075468-0

Оффлайн Коля Герасимов Автор темы

  • Новичок
  • *
  • Сообщений: 18
Re: Marshall 20W. Помогите.
« Ответ #13 : Октября 25, 2014, 19:00:39 »
-sd-, Думаю, твой последний вариант наилучший, вот только снова возникают в голове вопросы. Характеристики трансформаторов (чем подробнее об этом, тем лучше), напряжения конденсаторов.

Оффлайн AZG

  • Живу на форуме
  • *******
  • Сообщений: 95602
  • Санкт-Петербург
    • AZG CUSTOM
Re: Marshall 20W. Помогите.
« Ответ #14 : Октября 25, 2014, 19:00:59 »
Все верно пишут. Первая схема по сути измененный Фендер :) И 0.4А там не из-за потребления схемы, а какой трансформатор использовался для теста.

Никаких проблем сделать а-ля 800-ка с выходом на 84-ках.