Автор Тема: Миди контроллер: помогите разобраться со схемой сборки Rig Kontrol emul  (Прочитано 12072 раз)

0 Пользователей и 1 Гость просматривают эту тему.

Оффлайн halvalife Автор темы

  • Опытный
  • ****
  • Сообщений: 890
Собрал даную штуку по прилагающейся схеме, - не работает. В свойствах джойстика сначала работают только кнопки 1, 2, 5, потом при нажатии той же кнопки 1 выдает сообжение, что джойстик не подключен, хотя в статусе подключения стоит ОК. Просьба всем разбирающимся, укажите на ошибки сборки, если таковы имеются, или другие возможные причины неполадки. Сам в электронике разбираюсь не сильно, так что прошу не судить. Дополнительные материалы на : rigemul.at.ua
« Последнее редактирование: Октября 16, 2008, 12:39:48 от halvalife »

Vitalyco

  • Гость
Ух ты! Мне тоже интересно. Буду следить за развитием темы.

Оффлайн Seishi

  • Ветеран форума
  • ******
  • Сообщений: 3408
  • In sludge we trust...
а Rig Kontrol не USBшный ли?

Оффлайн halvalife Автор темы

  • Опытный
  • ****
  • Сообщений: 890
а Rig Kontrol не USBшный ли?
Он то юсбишный, но это схема эмулятора, там есть сылка на сайт автора! Кстати в этом можно юзать не только Гитар Риг, но и любой проц стандалоне!

Оффлайн Devil system

  • Завсегдатай
  • ***
  • Сообщений: 330
  • 7/15 вот мой ритм
я натыкался токо на єту схему, но руки так и не дошли ибо заболел лампой
http://www.guitarlab.narod.ru/rigkontrol.htm

Vitalyco

  • Гость
Я понимаю, что пользы здесь от меня никакой, но все же.

Нет ли у кого случайно схемы для педали FBV EXPRESS, которая втыкается в комбик (LINE6 SPiDER III)?
Или подскажите где есть?

Оффлайн halvalife Автор темы

  • Опытный
  • ****
  • Сообщений: 890
я натыкался токо на єту схему, но руки так и не дошли ибо заболел лампой
http://www.guitarlab.narod.ru/rigkontrol.htm
Это я видел, но то что я предлагаю, вернее предлагает автор сайта, указанный выше, гораздо проще и может использоваться в качестве контроллера к другим вст процессорам, например Waves G|T|R,  Revalver и много других. Да пофиг любой вст в формате стандалоне, по крайней мере автор пишет что на Гитар Риге и на Вейвс ГТР тестировал, все работает. У меня другая проблема, - спаял, но не работает, думаю может проблема в самой схеме сборки, так как собирал сам, а опыта в этом не оч. ПОЭТОМУ И ПРОШУ ПОМОЩИ У БОЛЕЕ ОПЫТНЫХ ПАЯЛЬЩИКОВ-ТЕОРЕТИКОВ, КОТОРЫЕ ШАРЯТ В СХЕМАХ СБОРКИ!!!
« Последнее редактирование: Октября 16, 2008, 19:13:06 от halvalife »

Оффлайн clabnk

  • Завсегдатай
  • ***
  • Сообщений: 374
  • дж дж дж
Vitalyco или хотябы на 4 кнопки который

Оффлайн halvalife Автор темы

  • Опытный
  • ****
  • Сообщений: 890
Блин, шо ни кого нету шарящих, во проблема!!!!!!!!!!

Оффлайн Geo1

  • Эксперт
  • *****
  • Сообщений: 2502
  • Нас гитаристов двое----- Я да Хендрикс
Re: Миди контроллер: помогите разобраться со
« Ответ #9 : Октября 16, 2008, 19:54:21 »
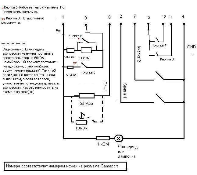
Вобще то насколько я помню, светодиод (у него вроде полярность есть) и лампочка, две большие разницы, (могу конечно и ошибаться...старость) а детали звонил на роботоспособность перед пайкой... ???

Vitalyco

  • Гость
Geo1, дык светодиод можно и выкинуть пока. Он кроме света ни чего не дает.
А сопротивление, которое последовательно в цепи стоит, можно оставить.
Правильно? :)
.halvalife,
Да и пробовать можно  использовав цепи только между ножками 1 - 4, и, к примеру,  2-4. Попробовать срабатывает ли что-то от кнопки 1.
Можно еще на всякий случай впаять между ножками 1 и 3 резистор на 5 кОм.

Фсё! С этим, я так думаю, можно уже пробовать. Если на нажатие кнопки 1 получается ожидаемый результат, значит, можно добавлять остальные кнопки.
А если не будет работать и так, то и все остальное не будет

Vitalyco

  • Гость
clabnk, ну кнопки мне и пальцем на комбике нажать не влом ;)
А вот квакушку бы вставить? Наверняка ведь напрямую переменный резистор надо втыкать (чует мое сердце!).

Оффлайн Geo1

  • Эксперт
  • *****
  • Сообщений: 2502
  • Нас гитаристов двое----- Я да Хендрикс
Re: Миди контроллер: помогите разобраться со
« Ответ #12 : Октября 16, 2008, 20:44:48 »
Ну насколько я помню, диод работает как нипель, в одну сторону да, а в другую нет... (если сказал глупость не бейте.. но вроде так...давно все было мог и подзабыть..)..

Оффлайн Devil system

  • Завсегдатай
  • ***
  • Сообщений: 330
  • 7/15 вот мой ритм
Vitalyco уже говорл, что Светодиод тут в роли  индикатора питания, он ни на что не влияет.
А в качестве педали експресии использовать педаль громкости с клавиш как вариант.(по описанию на схеме её подключать между 1 и 6 выводом, как я понял)

Оффлайн halvalife Автор темы

  • Опытный
  • ****
  • Сообщений: 890
По поводу педали экспрессии, - дак у меня осталась механика от старой совдеповской примочки, с фузом и квакой, благо не выбросил ее, так как была не рабочей, а то пылилась по ящикам, поставлю переменник на 150к и порядок. Но! До этого надо сделать остальную конструкцию.

При очередном подключении в игровые устройства/джойстик 2 оси 4 кнопки/свойства: диод светится, кнопка 1, 2 - работает и срабатывает сигнальный графический индикатор, кнопки 3, 4 дают незначительное смещение крестика на тестируемом поле, но индикаторы кнопок 3, 4 внизу не подсвечиваются при нажатии, кнопка 5 дает смещение по Х, кнопка 6 вообще никак не реагирует.

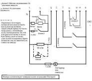
Я так понимаю по Схеме сборки.png, которую я предложил в этом форуме, можно собирать контроллер?
Да еще один ньюанс, вместо заявленных номиналов резисторов на принципаиальной схеме были использованы: вместо 50 к - 56 к, вместо 1 к - 0,8 к, вместо 5 к - 5 с копейками.
Может это влияет на работоспособность?
« Последнее редактирование: Октября 17, 2008, 12:39:04 от halvalife »