Автор Тема: Модификация BOSS MT-2 Metal Zone  (Прочитано 13714 раз)

0 Пользователей и 1 Гость просматривают эту тему.

Оффлайн Mjollnir Автор темы

  • Ветеран форума
  • ******
  • Сообщений: 3536
  • Молот Тора
Модификация BOSS MT-2 Metal Zone
« : Июня 02, 2012, 15:07:05 »
Купив примочку после Digitech RP90 был рад хорошему рычанию, чистому звукоизвлечению и как мне показалось отсутствию песка. Прошло время и я начал слушать всякие хорошие усили, играть под минус или плюс песни любимых групп и до меня дошло чтопеска тут хоть лопатой отгребай... Играю в транзюк в подписи. В крутые лампы в скором времени хочу опробовать. Но так как денег нет, а играть хочется и руки с паяльником дружат, хочу попробовать помодить. С таким песочным звуком умирает желание играть, но забивать не хочу.

Нашёл в инете кучу модов, убирающих песок или изменяющих звук. Самым популярным и хорошо звучащим (для моего уха) стал Keeley Mod. Вот инфа про него:

Keeley mod:
C20 .22uf
c42 .1uf
c37 , c39 , c17 , c11 1uf
c8 .22uf
c9 .1uf
c20 .22uf
d3 , d4 LED


Рад что на самой плате написано что есть что.
Хочу проконсультироваться у мододелов:
1) .22uf это 0,22 нФ (нано Фарад)? и строчка с "c37 , c39 , c17 , c11 1uf" интересует, там точно 1uf или всё же .1uf
2) LED - светодиод, я правильно понял? (вроде бы вот оно A DEL is a LED in french!)
3) Какие марки кондеров подойдут и какой вольтаж брать? Желательно фото самих кондеров
4) если убирать d3 и d4 на хз мето надо проводник паять? и что это за штуки такие? в детстве ломал из постоянно, они интересно хрустят)

P.S. остальные моды:
(нажмите чтобы показать/спрятать)
« Последнее редактирование: Июня 02, 2012, 15:17:46 от Mjollnir »

Оффлайн silentjet

  • Завсегдатай
  • ***
  • Сообщений: 338
Re: Модификация BOSS MT-2 Metal Zone
« Ответ #1 : Июня 02, 2012, 15:12:12 »
uF -> мкФ

Оффлайн Mjollnir Автор темы

  • Ветеран форума
  • ******
  • Сообщений: 3536
  • Молот Тора
Re: Модификация BOSS MT-2 Metal Zone
« Ответ #2 : Июня 02, 2012, 15:18:06 »
silentjet, спасибо, первый пункт отпадает :p
осталось всего 3

Оффлайн painful

  • Живу на форуме
  • *******
  • Сообщений: 14945
  • Зарегистрированный
Re: Модификация BOSS MT-2 Metal Zone
« Ответ #3 : Июня 02, 2012, 15:55:23 »
2) LED - светодиод, мне в МТ-2 не понравились. Асимметричные схемы запайки диодов тоже не вдохновили.
3) Вот тема про конденсаторы: https://guitarplayer.ru/index.php?topic=85103.0
4) Если убирать одни обратно-параллельные диоды, то на их место  лучше бы запаять другие :) Какие - поэкспериментируй с имеющимися в наличии, и выбери, какие тебе нравятся больше. Я в параллель к диодам этим еще конденсаторы запаивал на 47-100нФ, убивал песок и лишнюю, мне не нужную яркость.
Еще я гираторы, помнится, перепаивал в ней... 11 лет назад дело было, блин...


Оффлайн Mjollnir Автор темы

  • Ветеран форума
  • ******
  • Сообщений: 3536
  • Молот Тора
Re: Модификация BOSS MT-2 Metal Zone
« Ответ #4 : Июня 02, 2012, 16:11:58 »
painful, что за гираторы? от гугла смутное понимание только и на что менял?
и если убирать d3 и d4 и ничего туда не запаивать будет работать?

PS я чтот с17 не могу найти

PPS посмотрел на с8, c11, с20, - номиналы cовпадают с модом, имеется в виду тип сменить? пайка платы полностью заводская. с37 и с39 номиналов не видно
« Последнее редактирование: Июня 02, 2012, 16:32:52 от Mjollnir »

Оффлайн NektoS

  • Эксперт
  • *****
  • Сообщений: 1619
Re: Модификация BOSS MT-2 Metal Zone
« Ответ #5 : Июня 02, 2012, 20:00:16 »
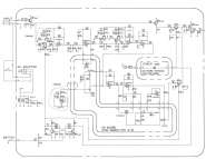
С17 обведён красным, а парочка (из нескольких) гираторов - синим.693947-0

... и добавил:

и если убирать d3 и d4 и ничего туда не запаивать будет работать?
Работать-то будет, но как? Эти диоды как раз ограничивают предварительно обработанный и усиленный сигнал. А ограниченный сигнал с помощью гираторов и ТБ получает соответствующую окраску. Не имеет даже смысла выпаивать диоды.
« Последнее редактирование: Июня 03, 2012, 00:24:23 от NektoS »

Оффлайн Mjollnir Автор темы

  • Ветеран форума
  • ******
  • Сообщений: 3536
  • Молот Тора
Re: Модификация BOSS MT-2 Metal Zone
« Ответ #6 : Июня 03, 2012, 05:04:45 »
Попробовал мод дизеля, любителям лязга советую :pozor:
Перепаиваю в сток, судя по услышаному и отзывам с форума всё лучшее в ней в стоке)

Оффлайн painful

  • Живу на форуме
  • *******
  • Сообщений: 14945
  • Зарегистрированный
Re: Модификация BOSS MT-2 Metal Zone
« Ответ #7 : Июня 03, 2012, 10:04:52 »
Перепаиваю в сток, судя по услышаному и отзывам с форума всё лучшее в ней в стоке)
Ну, если тебе нравится ее гнусавый песчаный звук, то да, лучше в стоковом варианте оставить. Меня просто эти два параметра как раз раздражали в ней, а приобрести что-то путёвое в те далекие годы не было возможности...
« Последнее редактирование: Июня 03, 2012, 10:06:46 от painful »

Оффлайн Mjollnir Автор темы

  • Ветеран форума
  • ******
  • Сообщений: 3536
  • Молот Тора
Re: Модификация BOSS MT-2 Metal Zone
« Ответ #8 : Июня 03, 2012, 13:46:45 »
painful, в дизель моде раздражает лязг когда бьёшь по струнам :7:
а так вообще коплю на пивик чтоли >:(

Оффлайн Александр Кубышкин

  • Частый посетитель
  • **
  • Сообщений: 192
  • GuitarPlayer.Ru fan!
Re: Модификация BOSS MT-2 Metal Zone
« Ответ #9 : Июня 24, 2015, 00:51:09 »
хм...а мне по видосам в ютубе таки дизель мод понравился просто по звуку, совсем иначе играет и лязга особо не заметил, щас понесу свою перепаивать в дизель мод.

Оффлайн TnT_Engineering_Amps

  • Опытный
  • ****
  • Сообщений: 640
  • DIY, DIY, DIY my darling...
Re: Модификация BOSS MT-2 Metal Zone
« Ответ #10 : Июня 24, 2015, 20:52:26 »
Некропостер :crazy: :crazy: :crazy:

Оффлайн Mjollnir Автор темы

  • Ветеран форума
  • ******
  • Сообщений: 3536
  • Молот Тора
Re: Модификация BOSS MT-2 Metal Zone
« Ответ #11 : Июня 24, 2015, 22:09:55 »
 :crazy:
Три года прошло с тех пор :o

Оффлайн painful

  • Живу на форуме
  • *******
  • Сообщений: 14945
  • Зарегистрированный
Re: Модификация BOSS MT-2 Metal Zone
« Ответ #12 : Июня 25, 2015, 06:27:22 »
:crazy:
Три года прошло с тех пор :o
Есть вечные темы: " Какой японский Лес Пол лучше?", " Какой датчик поставить на Ибанез? ", "Как модифицировать Металзон ?")

Оффлайн Dying Fetus

  • Moderator
  • *****
  • Сообщений: 10309
  • DIYng Fetus
    • http://cathar.ru
Re: Модификация BOSS MT-2 Metal Zone
« Ответ #13 : Июня 25, 2015, 07:13:19 »
painful, и какую гитару лучше купить для начала за 2 килобакса

Оффлайн painful

  • Живу на форуме
  • *******
  • Сообщений: 14945
  • Зарегистрированный
Re: Модификация BOSS MT-2 Metal Zone
« Ответ #14 : Июня 25, 2015, 07:18:58 »
painful, и какую гитару лучше купить для начала за 2 килобакса
Неее, таких тем 10 лет назад не было))) А про металзон - пожалуйста.
Были правда и темы типа "MT-2 vs JH-1", но нынче их не видно - выяснили наверное)))