Автор Тема: Модинг лампового комба  (Прочитано 10088 раз)

0 Пользователей и 1 Гость просматривают эту тему.

Оффлайн Алекандр_Ч** Автор темы

  • Новичок
  • *
  • Сообщений: 50
  • мистер Ч**
Re: Модинг лампового комба
« Ответ #60 : Февраля 25, 2010, 22:15:58 »
AZG, выручи ещё раз :hitrez: Собрал я себе самодельный футсвич. но этого оказалось мало.  :crazy: захотел, чтоб на педали была индикация (он-офф). Так вот при подсоединении светодиода последовательно, при включении разъема светодиод горит, но канал не переключается. При подключении диода параллельно разъему, в выключенном положении диод горит, во включеном гаснет, что как-то неудобно. Пробовал также диод вешать на разъем ревера, ни последовательно ни параллельно не горит, наверно маленький ток. Поэтому вопрос: можно ли сделать так, чтобы при переключении канала с чистого на перегруженный загорался светодиод, и при включении ревера, без использования батарейки..

Оффлайн BJ

  • Опытный
  • ****
  • Сообщений: 747
  • beetlejuice
Re: Модинг лампового комба
« Ответ #61 : Февраля 26, 2010, 09:29:52 »
У меня вот так

Оффлайн April

  • Опытный
  • ****
  • Сообщений: 725
Re: Модинг лампового комба
« Ответ #62 : Марта 01, 2010, 06:35:10 »
я в свое время там вообще второй каскад выкидывал...(это правда уже Марвел был - кстати одно и тоже по схеме но по комплектухе гораздо лучше) и делал 800тый... красиво всё получилось.

2 ТОпик стартер
а ты конденсаторы заменял elzet  на что то получше ??? замени - оно того стоит ;)

хорошо бы статью про моды этого аппарата :) а то потенциал огромный...

Оффлайн Алекандр_Ч** Автор темы

  • Новичок
  • *
  • Сообщений: 50
  • мистер Ч**
Re: Модинг лампового комба
« Ответ #63 : Марта 01, 2010, 12:30:36 »

2 ТОпик стартер
а ты конденсаторы заменял elzet  на что то получше ??? замени - оно того стоит ;)


Нееее, элетролиты я не трогал. Что посоветуешь взамен поставить, я попробую  :) Кстати ты прав, поле для эспериментов огромное.

Оффлайн Алекандр_Ч** Автор темы

  • Новичок
  • *
  • Сообщений: 50
  • мистер Ч**
Re: Модинг лампового комба
« Ответ #64 : Марта 18, 2010, 22:04:10 »
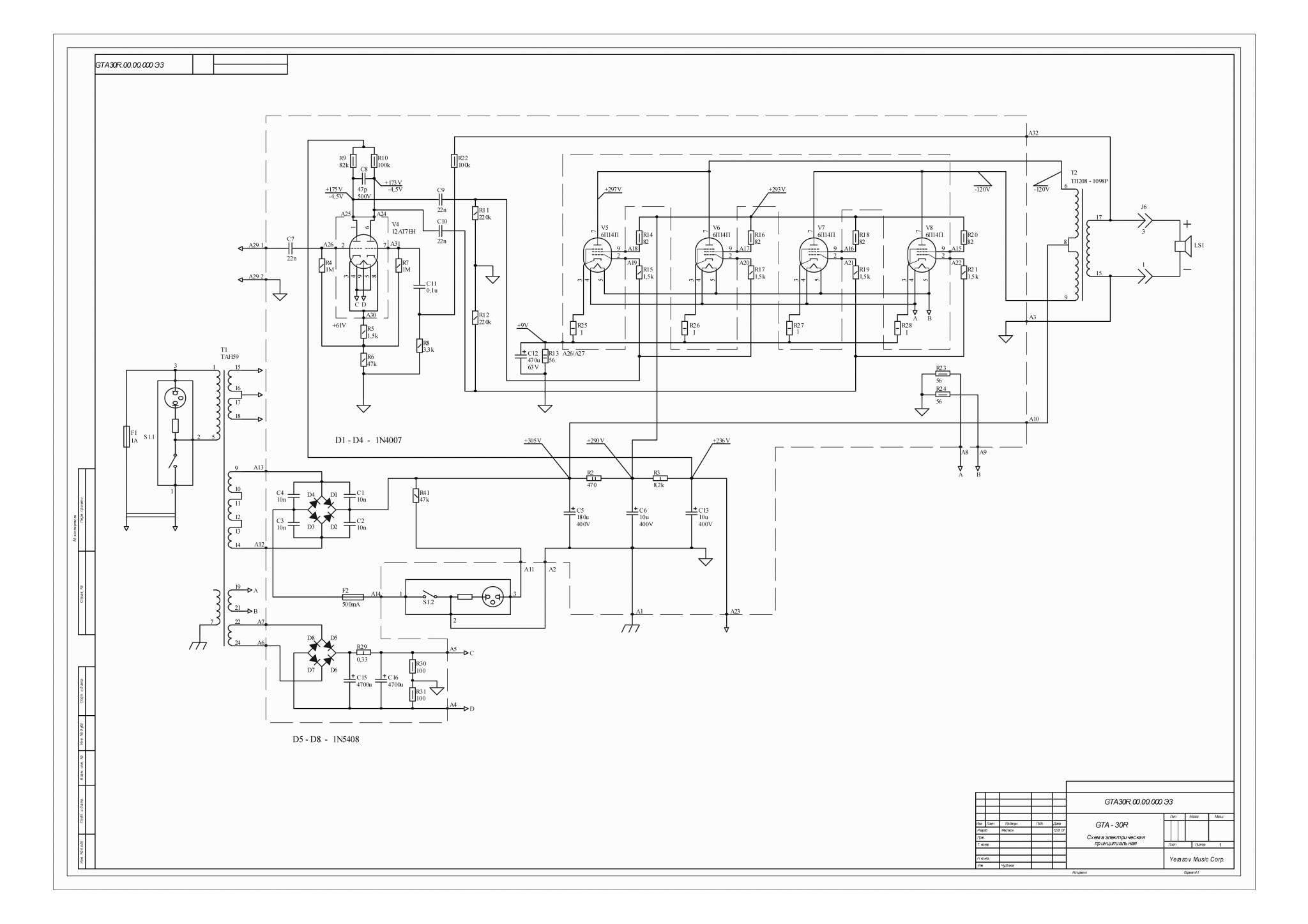
Ребят, на схеме в "грязном" канале резистор катода первого каскада зашунтирован конденсатором 680 нанофарад... На деле же конденсатора я там не обнаружил. Пробовал шунтировать пленкой, звук немножко очищается становится прозрачней что ли, но без конденсатора звук нравится больше. Поэтому вопрос: некритично если же резистор не шунтировать, и с какой целью вообще это делают???  :hitrez:
И Ещё хочу поменять электролиты в шунтах катодов чистого канала на пленку, обязательно ли емкость набрать соответствующему номиналу указанному на схеме???  :rolleyes:

Оффлайн banzai-che

  • Эксперт
  • *****
  • Сообщений: 1071
Re: Модинг лампового комба
« Ответ #65 : Марта 18, 2010, 22:15:30 »
Алекандр_Ч**, кондер в катоде увеличивает сопротивление и частотную характеристику каскада меняет, деталь в принципе опциональная, так что баловаться можно до упора =)

Оффлайн Алекандр_Ч** Автор темы

  • Новичок
  • *
  • Сообщений: 50
  • мистер Ч**
Re: Модинг лампового комба
« Ответ #66 : Марта 18, 2010, 23:24:15 »
banzai-che, спасибо  :)

Оффлайн serginio78

  • Эксперт
  • *****
  • Сообщений: 1184
  • Зарегистрированный
Re: Модинг лампового комба
« Ответ #67 : Мая 15, 2011, 17:49:32 »
Откопаю старую тему.
Сегодня наконец то перепаял пред сабжевого комба. Перемены в звуке разительные! Очень доволен. Теперь подумаваю ещё презенс впаять.
Спасибо, AZG. С меня +   :)

Оффлайн Alex Leem

  • Эксперт
  • *****
  • Сообщений: 2580
  • LightMaster
    • YouTube
Re: Модинг Yerasov GTA30R
« Ответ #68 : Июля 16, 2018, 21:52:06 »
Господа, если в этой теме еще кто-либо остался, помогите пожалуйста.
Приобрел пару дней назад эту зверушку (Yerasov GTA-30R).  С выгоревшим резистором R2 на 470 Ом.
Заменил его на 5 ваттный цементный. И поменял лампы оконечника. Продавец ламп утверждал, что они подобраны по параметрам, но при этом две из них ЕВ, одна ЕР, и на одной вообще замазан доп индекс. В принципе, аппарат работает, на полную пока не выкручивал, однако присутствует достаточно сильный гул в динамике, при чем с полностью убранными ручками громкости и гейна. Это проблема в лампах или конденсатор в цепи питания?
AZG, подскажите пожалуйста, куда копать.

Оффлайн GeorgeM

  • Ветеран форума
  • ******
  • Сообщений: 5430
  • тайный агент sovietguitars.com на ГП
Re: Модинг лампового комба
« Ответ #69 : Июля 16, 2018, 22:44:04 »
И поменял лампы оконечника. Продавец ламп утверждал, что они подобраны по параметрам, но при этом две из них ЕВ, одна ЕР, и на одной вообще замазан доп индекс. В принципе, аппарат работает, на полную пока не выкручивал, однако присутствует достаточно сильный гул в динамике, при чем с полностью убранными ручками громкости и гейна. Это проблема в лампах или конденсатор в цепи питания?
...и купил комплект резины для своего форда. две покрышки шипованые, одна дождевая, ещё на одной - протектора нет. при езде машина почему то воет и трясётся, это проблема в шинах, или нужно фары протереть?

... и добавил:

зы: померяй напругу на катодных резисторах R25,26,27,28, они для того там и существуют.
если разница больше 10% - продавца ламп бить ногами, если меньше - искать неисправность.
« Последнее редактирование: Июля 16, 2018, 22:46:46 от GeorgeM »

Оффлайн Alex Leem

  • Эксперт
  • *****
  • Сообщений: 2580
  • LightMaster
    • YouTube
Re: Модинг лампового комба
« Ответ #70 : Июля 16, 2018, 23:43:10 »
...и купил комплект резины для своего форда. две покрышки шипованые, одна дождевая, ещё на одной - протектора нет. при езде машина почему то воет и трясётся, это проблема в шинах, или нужно фары протереть?

... и добавил:

зы: померяй напругу на катодных резисторах R25,26,27,28, они для того там и существуют.
если разница больше 10% - продавца ламп бить ногами, если меньше - искать неисправность.
Ну, продавец сказал, что можно вернуть если что. Меня тоже смутило, что лампы разные.
Завтра промерю все. Спасибо.

П.с. Это первый мой ламповый аппарат, как раз для обучения и взял.