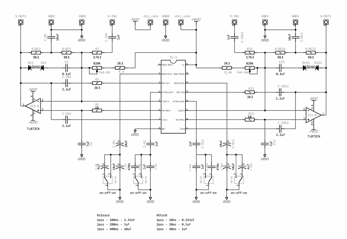
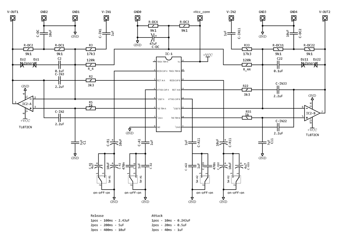
Проверил макет, на слух компрессор работает нормально
Работает ли компрессор и насколько правильно, это надо проверять с приборами.
Надо снять его регулировочную характеристику вход/выход.
Подайте на вход компрессора сигнал 1 мВ/400 Гц и измерьте сигнал на выходе (возможно, это окажется что-то около 100 мВ).
Подайте на вход компрессора сигнал 3 мВ/400 Гц и измерьте сигнал на выходе.
Увеличивайте входной сигнал: 10 мВ -> 30 мВ -> 100 мВ -> 300 мВ -> 1 В и контролируйте рост сигнала на выходе.
На каком-то этапе рост выходного сигнала прекратится, но искажений на выходе не будет, и это будет свидетельствовать о корректной работе компрессора
