Автор Тема: Немного семплов от моего домашнего увеселителя (ПОСЛЕ МОДА!!!)  (Прочитано 4951 раз)

0 Пользователей и 1 Гость просматривают эту тему.

Оффлайн ExtremisT

  • Живу на форуме
  • *******
  • Сообщений: 24247
  • See you space cowboy
    • "Povezlo" band tribute page
Bulldozerrr, наверняка, по своему опыту знаю. Для менее верхастого звука попробуй сдвинуть микрофон с оси хотя бы на пару сантиметров.

Оффлайн Bulldozerrr Автор темы

  • Эксперт
  • *****
  • Сообщений: 2935
Да каб софтовый и у мика 2 положения всего.

Оффлайн ExtremisT

  • Живу на форуме
  • *******
  • Сообщений: 24247
  • See you space cowboy
    • "Povezlo" band tribute page
Bulldozerrr, тогда попробуй с разными импульсами экспериментировать, благо их сотни

Оффлайн Bulldozerrr Автор темы

  • Эксперт
  • *****
  • Сообщений: 2935
Есть мысль на выходных для пробы на время отрубить цепь фидбэка, которая на презенс идет и посмотреть как без нее будет.

Оффлайн Homos

  • Завсегдатай
  • ***
  • Сообщений: 316
Ладно, замну тему. Тем более что в реальный каб звучит по другому. Видимо софт некорректно передаед.

эт да. здесь пробовал записывать семплики цепочкой гитара-мик-микшер-звуковуха и реально расстраивался от разницы в реале и в компе.

по теме - нового вряд ли что скажу, но верха реально много. чистый вкусный. кранч - чутка бы ему низа добавить и верхушку подрезать /на мой вкус : )/, лид - второй вариант лучше, но что-то пропало по сравнению с первым, я не говорю о верхе, что-т другое

в целом по теме - благодарность, ибо только что закончил мод2. послушал, поиграл, посравнивал. сделал выводы. если есть желание - запишу семплы на выхах и кину для сравнения. кстати пробовал 680n в катодах... ну стало на мой взгляд поинтереснее, но низа поменьше /хотя гитарист у меня вечно выкручиваел на нем низа в ноль, ибо говорит ну ОЧЕНЬ много его/

Успехов и так держать! )


Оффлайн Bulldozerrr Автор темы

  • Эксперт
  • *****
  • Сообщений: 2935
Хотя нет, не буду, нахрен лазить если оно работает и в каб звучит так как мне нужно. А ваще я музыку слушаю специфическую, например Nine inch nails, и примерно в том же стиле люблю поиграть, Люблю кусачий и пронзительный звук. Когда в 20 лет орал в микрофон надсадным скримом (пару раз задавали вопрос прогоняю ли я мик через какой небуть перегруз?) и дрюкал павераккорды в группе, то был тем еще нойзмейкером. Думаю под свои предпочтения я задачу выполнил. Азнауру респект за его идеи. Есть у меня предположения насчет почему верха многовато, по сравнению с его сэмплами. Если сравнить Азнауровский ЭнглМод2 и мой агрегат, то там радикально различные темброблоки и условия их работы. В азнауровской схеме идет определенная подрезка по верхам на цепочке регулятора трибла, у меня такой подрезки нет. И еще 84е лампы, сами по себе верхастые.

Еще один момент, канал чистого, я его собирал и по Азнауровской схеме, но там мне чистый показался пресноватым. Поэтому перебрал все по своему.

А вообще всем спасибо за внимание и конструктивное обсуждение.

Оффлайн Bulldozerrr Автор темы

  • Эксперт
  • *****
  • Сообщений: 2935
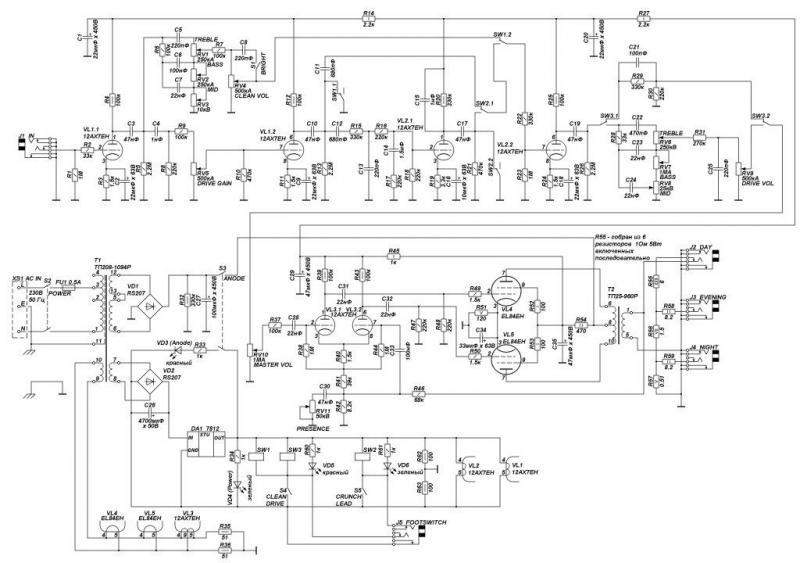
Все таки не усидел спокойно и провел эксперимерт по модификации для устранения песка.

Выкладываю новую схему и новые сэмплы.

Мод коснулся только каналов кранча и лида.
Добавлен фильтр подрезающий верха после 4000 Гц. (R31, С25)
Схема.
186462-0

Кранч, гейн на полодиннадцатого, все остальное 12 часов.
* Crunch - neck2.mp3 (543.98 КБ - загружено 83 раз.)

Лид, гейн на 1час, бас и трибл - 3часа, мид на 9 часов, остальное на 12.
* Lead - bridge-03.mp3 (410.2 КБ - загружено 94 раз.)

Слушаю мнения экспертов.

Оффлайн el-doctor

  • Ветеран форума
  • ******
  • Сообщений: 3734
стало лучше, а какой у тебя каб?

Оффлайн bottle

  • Ветеран форума
  • ******
  • Сообщений: 6388
  • решил включить дурачка
стало лучше, а какой у тебя каб?
Как я понимаю, все еще софтовый :)

Оффлайн Bulldozerrr Автор темы

  • Эксперт
  • *****
  • Сообщений: 2935
Всё туда-же. И мне вроде даже нравится больше. И с грелками дружит лучше.

Оффлайн el-doctor

  • Ветеран форума
  • ******
  • Сообщений: 3734
Bulldozerrr, слушай а в реальный каб с винтажами это не исправляется? потому что софтятина софтятиной...

Оффлайн Bulldozerrr Автор темы

  • Эксперт
  • *****
  • Сообщений: 2935
В реальный каб не могу, нет микрофона, да и каб дома тока тот, что в подписи.

... и добавил:

А вообще то я просто хотел общий характер звука.

... и добавил:

В смысле показать
« Последнее редактирование: Июля 18, 2009, 13:21:35 от Bulldozerrr »

Оффлайн ГБ

  • Джемер
  • *****
  • Сообщений: 3158
О другое дело!
+1 за упорство

Оффлайн Bulldozerrr Автор темы

  • Эксперт
  • *****
  • Сообщений: 2935
Так какой лучше оставить

Оффлайн mogaed

  • Ветеран форума
  • ******
  • Сообщений: 3552
  • Волк с гитарой
Так какой лучше оставить
Всё за звучало. Мне так и захотелось ударник наложить.
В ледовском рифе, очень здорово работают низа.