Жентельмены, нужна помощь.
запустив вот этот бассман
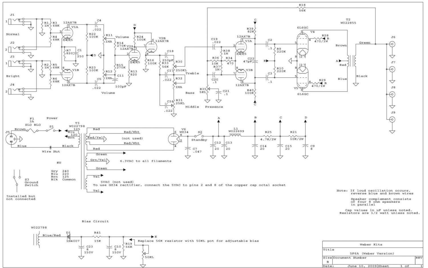
https://guitarplayer.ru/index.php?topic=175703.180 я первым делом померял напруги. теперь сижу, чешу репу, не понимаю где накосячил.
выходные лампы 5881 (JJ), на анодах 405 вольт. на 2х сетках - 403. смещение выставил канонические 48 вольт...
померяв падение на пердусмотрительно добавленых в схему одноомных резисторах между катодами и землёй - получил 14мв на баллон, что соответствует 14ти миллиамперам тока. Учитывая что мой тестер врёт как сивый мерин на измерении единиц ом - решил что он вполне может врать и на милливольтах и померять напрямую ток. оторвал один одноомник от массы, тестер в разрыв - 14миллиампер. при уменьшении смещения до 40 вольт - растёт до 25ма...
вот фотка выпрямителя смещения: резистор в 56к по оригинальной схеме я заменил на составной 10+10+20+подстроечник25, что б можно было подобрать изменение смещения для 6V6 не трогая подстроечник.

есть конечно вероятность что тестер и миллиамперы и милливольты и омы меряет на одном, кривом, сопротивлении, а бОльшие значения - на другом, но это врядли. вечером откопаю в кладовке старую цешку и перепроверю, но что то мне подсказывает что она покажет то же самое.
Сейчас сижу и соображаю, толи лыжи, толи я... и где копать - непонятно.