Автор Тема: Нет сигнала на комбик/микшер - Самодельный iRig  (Прочитано 2117 раз)

0 Пользователей и 1 Гость просматривают эту тему.

Оффлайн Алекс Александрович Автор темы

  • Новичок
  • *
  • Сообщений: 5
  • GuitarPlayer.Ru fan!
Здравствуйте друзья, давненько спаял себе iRig по такой схеме (схема внизу), в наушники играет великолепно, спустя полгода игры в наушниках появилась необходимость подключить все это дело в комбик/микшер для записи, но что самое удивительное сигнала никакого нет, вставляешь наушники и все работает. Провода и джеки проверял, всяко разно пробовал, стерео-моно, сигнала нет. Если немного вытаскивать из гнезда появляется тихий чистый звук, но обработок нет. Не могу понять, в чем разница наушников и просто воткнуть эту штуку в комбик. У меня пока одна мысль, что когда вставляешь наушники в iRig там сопротивление какое-то создается специальное, а если в комбик то уже этого сопротивления нет. Уважаемые коллеги, не могли бы вы мне помочь советом, как быть и куда копать? Не хочу использовать ресурсы компьютера на обработки. Заранее благодарен.

Схема по которой делал http://dl2.joxi.net/drive/0000/0019/4115/150508/61cc3a94b2.jpg

Оффлайн Sofa_Guitarrero

  • Опытный
  • ****
  • Сообщений: 712
  • Диванщик! Из палаты мер и весов! BMWMotorrad-труЪ!
Эквивалент нагрузки повесить надо. 2 резистора по 32(или сколко там наушники) Ом, с них уже снимать и в комбег.

Оффлайн Алекс Александрович Автор темы

  • Новичок
  • *
  • Сообщений: 5
  • GuitarPlayer.Ru fan!
Эквивалент нагрузки повесить надо. 2 резистора по 32(или сколко там наушники) Ом, с них уже снимать и в комбег.
Спасибо тебе, сегодня попробую сделать кабель если найду нужные резисторы.

То есть схема получится такая? или я думаю не в то место ?  http://joxi.ru/jnAyX90fek012Z.jpg
« Последнее редактирование: Мая 08, 2015, 10:00:59 от Алекс Александрович »

Оффлайн Sofa_Guitarrero

  • Опытный
  • ****
  • Сообщений: 712
  • Диванщик! Из палаты мер и весов! BMWMotorrad-труЪ!
Та не во что, по схеме все верно. Если сигнал с выхода этого девайса будет перегружать линию/комб, добавь делитель.

Оффлайн Алекс Александрович Автор темы

  • Новичок
  • *
  • Сообщений: 5
  • GuitarPlayer.Ru fan!
Та не во что, по схеме все верно. Если сигнал с выхода этого девайса будет перегружать линию/комб, добавь делитель.
Да есть за что, просто вчера весь вечер с этим провозился так ничего и не вышло, а тут дельный совет. Еще раз спасибо, отпишусь потом как чего получилось

Оффлайн niz

  • Эксперт
  • *****
  • Сообщений: 1252
  • верните мне 1957
а там стерео или моно? где вообще что
может, выход стерео, а вход моно, то может сигнал на землю уходит?

Оффлайн Алекс Александрович Автор темы

  • Новичок
  • *
  • Сообщений: 5
  • GuitarPlayer.Ru fan!
а там стерео или моно? где вообще что
может, выход стерео, а вход моно, то может сигнал на землю уходит?
Выход стерео идет с IRIG, в микшере и моно и стерео пробывал, в комбик аналогично (моно). С распайкой точно не запарился, руки откуда надо растут, тут дело всяко в сопротивлениях, буду проверять, просто других вариантов чет не вижу.

... и добавил:

Та не во что, по схеме все верно. Если сигнал с выхода этого девайса будет перегружать линию/комб, добавь делитель.
Sofa_Guitarrero, а можете схемку на черновую накидать как это с делителем будет выглядеть,? знаю о делитель пока только в теории, хочется сделать правильно

Оффлайн halvalife

  • Опытный
  • ****
  • Сообщений: 890
Завала по верхам нет?

Оффлайн Алекс Александрович Автор темы

  • Новичок
  • *
  • Сообщений: 5
  • GuitarPlayer.Ru fan!
Завала по верхам нет?

Играю через BIAS в уши, завала нет, при чем делал 3 irig'a и только этот звучит просто прекрасно, отличались конденсаторы, видимо там вольтаж тоже важен а не только емкость, я просто выпаял из старых блоков питания компьютерных их. По вольтажу было бы интересно услышать мнение эксперта, чем вольтаж кондера важен в такой схеме

Оффлайн Sofa_Guitarrero

  • Опытный
  • ****
  • Сообщений: 712
  • Диванщик! Из палаты мер и весов! BMWMotorrad-труЪ!
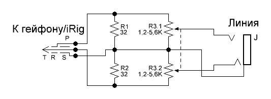
Sofa_Guitarrero, а можете схемку на черновую накидать как это с делителем будет выглядеть,?
Да ничего сложного. R3 - сдвоенный подстроечник или два отдельных.
1662997-0