Автор Тема: Нужен совет, маленькая модернизация VHT 6 Specisl 6 Ultra  (Прочитано 1709 раз)

0 Пользователей и 1 Гость просматривают эту тему.

Оффлайн gor1415 Автор темы

  • Частый посетитель
  • **
  • Сообщений: 233
В общем недорогой комбик, но все же ламповый и звук нарулить можно. Но для дома громкость немного великовата. Пробовал для записи выход с петли, но есть проблема - динамик не отключается полностью и также громко звучит для комнаты.

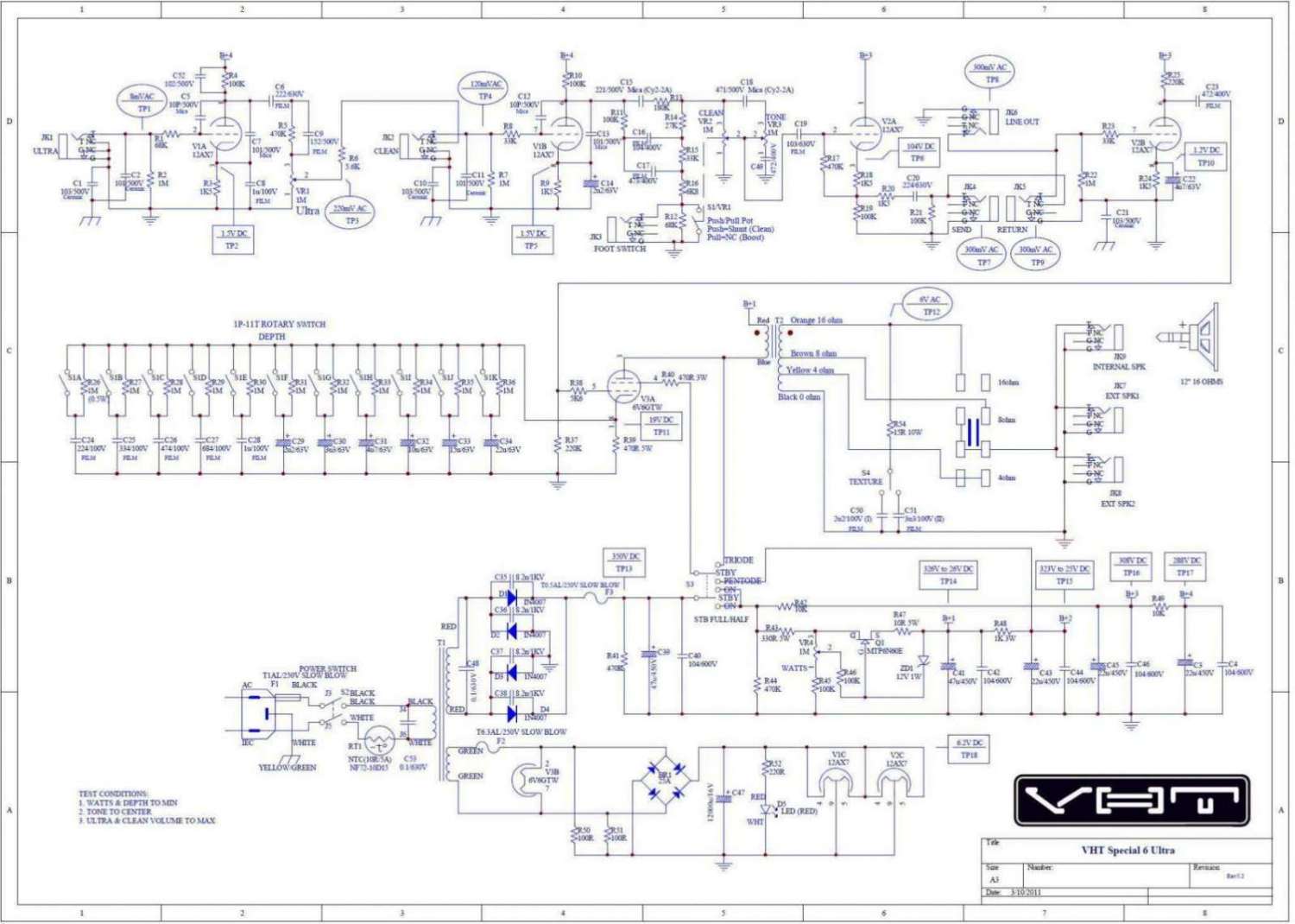
Хочу вставить кнопку отключения динамика, но, как понимаю,  нужно параллельно подключить нагрузку, дабы не спалить его. Подскажите, как это правильно сделать, схема прилагается

Оффлайн Dying Fetus

  • Moderator
  • *****
  • Сообщений: 10310
  • DIYng Fetus
    • http://cathar.ru
gor1415, судя по схеме, у тебя динамик подключается в разъём джека 6,3мм. просто достаёшь джек и вставляешь туда джек с напаянной на него нагрузкой. профит


Но что-то мне подсказывает, что при включении через спикер аут 1 или 2. Внутренний дин обрубается.... тогда воообще всё просто

Оффлайн gor1415 Автор темы

  • Частый посетитель
  • **
  • Сообщений: 233
gor1415, судя по схеме, у тебя динамик подключается в разъём джека 6,3мм. просто достаёшь джек и вставляешь туда джек с напаянной на него нагрузкой. профит
хм.. разберу и посмотрю, но не факт, что там соединение через джек. Возможно так обозначили, а реально припаяны провода

Но что-то мне подсказывает, что при включении через спикер аут 1 или 2. Внутренний дин обрубается.... тогда воообще всё просто
Я тоже так думал, но при включении в спикер аут 1/2 звук становится тише, но не отключается как таковой.

... и добавил:

Dying Fetus, Действительно, посмотрел - обычный джек, как оказывается все просто ;D Теперь вопрос, как сделать джек с нагрузкой. Просто последовательно вставляю резистор 16 Ом и все? Или есть какие-то нюансы? Просто схемотехника немного мимо меня прошла :)

... и добавил:

Dying Fetus,  Ну и еще один вопрос как к специалисту. Если просто отключить динамик, шансы на то, что что-нибудь сгорит большие? Или же в схеме есть какие-то защиты от этого? Иначе зачем сделали подключение внутреннего динамика через джек...
« Последнее редактирование: Апреля 11, 2015, 11:25:18 от gor1415 »

Оффлайн kdtp

  • Завсегдатай
  • ***
  • Сообщений: 316
  • Виктор.
.... вставляю резистор 16 Ом и все? Или есть какие-то нюансы? Просто схемотехника немного мимо меня прошла :)

... и добавил:

Dying Fetus,  Ну и еще один вопрос как к специалисту. Если просто отключить динамик, шансы на то, что что-нибудь сгорит большие? Или же в схеме есть какие-то защиты от этого? Иначе зачем сделали подключение внутреннего динамика через джек...
Можно сделать так. Например, в параллель, 10 штук 2-х Ваттных резисторов, по 160 Ом. Получим активную нагрузку на 16 Ом и мощностью 20 Ватт. У меня не было «под рукой» таких резистор (160 Ом). Поэтому, я «забабахал» 12 штук 2-х Ваттных резисторов номиналом по 200 Ом. Получилась активная нагрузка на (примерно) 17 Ом и на мощность 24 Ватта. Ни чего…, работает и «хлеба не просит». Главное – не забывайте про мощность Вашей самодельной нагрузки. Она должна быть МИНИМУМ на 10 Ватт!!!

Да, главное, нельзя эксплуатировать ламповый усилитель БЕЗ НАГРУЗКИ!!! Может выйти из строя (сгореть) выходной трансформатор!!!  Поэтому…, или должен быть подсоединён динамик, или наша самодельная активная нагрузка!!!

Для чего стоит джек!? Странный вопрос. А вдруг вам захочется подключить другую акустическую систему!?

Всё, удачи!


Оффлайн gor1415 Автор темы

  • Частый посетитель
  • **
  • Сообщений: 233
kdtp, Спасибо, так и сделаю!

Оффлайн gor1415 Автор темы

  • Частый посетитель
  • **
  • Сообщений: 233
Мда, 160 Ом 2 Ватта не так просто в моем городе оказалось найти. Зато нашел у дедушки на рынке два регулируемых до 10 Ом каждый ПЭВР-25. Он сказал, что они по 10 Вт каждый. Вот хочу их последовательно воткнуть вместо нагрузки, по его совету так даже лучше будет (типа они индуктивные, как раз как динамик будет). но вот в инете нашел описание, что они по 25 Вт каждый. Например здесь http://asenergi.com/catalog/rezistory-moshchnye/pevr.html
Теперь вопрос, можно ли сделать такую нагрузку, два ПЭВР-25 последовательно? Усилок не поломается от такой "приблуды"?

... и добавил:

Кстати, срок сохраняемости у них - 25 лет. Так вот, мои экземпляры 1969 и 1971 годов :crazy: Во какие раритеты
« Последнее редактирование: Апреля 13, 2015, 18:24:47 от gor1415 »

Оффлайн Прохожий_

  • Эксперт
  • *****
  • Сообщений: 1955
    • Звукозапись и создание музыки
А не проще ли воткнуть неприпаянный моно джек в return? Цепь разомкнётся и звука не будет. А сигнал брать с сэнда. Резистор в качестве нагрузки это рискованая затея. Да и поговаривают, что нереактивная нагрузка пагубно на выходные лампы влияет.

Оффлайн gor1415 Автор темы

  • Частый посетитель
  • **
  • Сообщений: 233
А не проще ли воткнуть неприпаянный моно джек в return? Цепь разомкнётся и звука не будет. А сигнал брать с сэнда. Резистор в качестве нагрузки это рискованая затея. Да и поговаривают, что нереактивная нагрузка пагубно на выходные лампы влияет.
Пробовал такой вариант, но цепь не размыкается... Все равно звук идет, правда ослабленный... А чем нагрузка от резистора будет отличаться от нагрузки динамика? Я просто не спец в этой области...

Оффлайн niz

  • Эксперт
  • *****
  • Сообщений: 1252
  • верните мне 1957
gor1415, у динамика не постоянное сопротивление, оно меняется при движении катушки относительно магнита
и если ты последовательно подключишь 2 10ки, ты получишь 20
единственное что можно воткнуть 2 10ки в параллель,  и получишь 5 ом, но не ручаюсь, что это прям хорошо будет для усилка.

Оффлайн gor1415 Автор темы

  • Частый посетитель
  • **
  • Сообщений: 233
gor1415, у динамика не постоянное сопротивление, оно меняется при движении катушки относительно магнита
и если ты последовательно подключишь 2 10ки, ты получишь 20
единственное что можно воткнуть 2 10ки в параллель,  и получишь 5 ом, но не ручаюсь, что это прям хорошо будет для усилка.
Хм... а я думал постоянное... А что тогда значит, что на нем написано сопротивление 16 Ом?

Оффлайн niz

  • Эксперт
  • *****
  • Сообщений: 1252
  • верните мне 1957
это пассивное  сопротивление самой катушки, а реактивная, это которая как раз во время движения
и чот меня переклинело и я забыл, что у тебя 16 ом  :7: тогда да, последовательно по 10ке ближе будет

Оффлайн gor1415 Автор темы

  • Частый посетитель
  • **
  • Сообщений: 233
это пассивное  сопротивление самой катушки, а реактивная, это которая как раз во время движения
и чот меня переклинело и я забыл, что у тебя 16 ом  :7: тогда да, последовательно по 10ке ближе будет
ну а в целом ничего страшного не будет от нагрузки?

Оффлайн kdtp

  • Завсегдатай
  • ***
  • Сообщений: 316
  • Виктор.
Блин..., я Вам не советую вообще проводить дальнейшие "эксперименты" со своим усилителем. В лучшем случае, вы его спалите.... Что бы "ковырять" такие вещи (усилители) надо хоть немного иметь представление о том,  как они устроены и как они работают.

Кстати, подключать активную нагрузку вместо динамика - можно..., совершенно спокойно!!! Более того, в некоторых случаях, это просто необходимо! Кто бы, что бы там не говорил и, что бы там себе не думал!!! А как Вы думаете проверяют мощные ламповые усилители, на максимальной мощности? Что..., подсоединяют мощные динамики, врубают на всю катушку усилитель ...., делают замеры..., и глохнут, напрочь, через две - три таких проверки!?.....

Надпись на динамике 16 Ом означает, что его комплексное сопротивление на частоте 1000 Гц равно..., именно этому значению (16 Ом).

Далее, комплексное сопротивление динамика зависит НЕ от движения катушки (блин, блин..., и ещё раз блин), а от частоты сигнала, подаваемого на него!   

Оффлайн gor1415 Автор темы

  • Частый посетитель
  • **
  • Сообщений: 233
kdtp, Ну собственно экспериментов то и нет, всего лишь хочу отключить динамик, а чтобы не спалить, вставить нагрузку. Знания некоторые имеются, просто не хочу рисковать, т.к. действительно можно спалить по глупости.

Оффлайн bottle

  • Ветеран форума
  • ******
  • Сообщений: 6388
  • решил включить дурачка
...
Dying Fetus,  Ну и еще один вопрос как к специалисту. Если просто отключить динамик, шансы на то, что что-нибудь сгорит большие? Или же в схеме есть какие-то защиты от этого? Иначе зачем сделали подключение внутреннего динамика через джек...
Я за него ;D
1. Большие.
2. Защит нету.
3. Дань традициям.

Вообще развели флудильню, вопрос выеденного яйца не стоит - вместо динамика воткнуть резистор >:(