Автор Тема: Нужен совет по изготовлению басового комбика.  (Прочитано 9978 раз)

0 Пользователей и 1 Гость просматривают эту тему.

Оффлайн alkuz

  • Ветеран форума
  • ******
  • Сообщений: 4481
  • Зарегистрированный
    • http://
а регулятор "мастер" в качестве такого делителя не подойдет?  ;)

Оффлайн Santjago

  • Живу на форуме
  • *******
  • Сообщений: 10916
  • Hard As A Rock
Sleep, ты сначала собери, а там видно будет... погасить не проблема, тем более, что вход оконечника низкоомный, 20к, полюбому нужно будет соплю последовательно подцепить... там и упадёт...

... и добавил:

да, и мастер конечно не помешает, что бы можно было второй триод рег-м vol подгружать независимо от выходной мощности...
« Последнее редактирование: Мая 10, 2012, 19:08:48 от Santjago »

Оффлайн Sleep Автор темы

  • Завсегдатай
  • ***
  • Сообщений: 459
Понятно, спасибо за разъяснения. :)

Оффлайн Sleep Автор темы

  • Завсегдатай
  • ***
  • Сообщений: 459
Сегодня получил динамик. Красява :). Народ, а где можно заказать печатку в количестве 1 экз.?

Оффлайн kynep

  • Ветеран форума
  • ******
  • Сообщений: 6828
  • Руби МиТоЛ!!!
Sleep, сделать самому.

Оффлайн Sleep Автор темы

  • Завсегдатай
  • ***
  • Сообщений: 459
Это ясно. Но хотелось бы чтобы все было красиво. Сам я не смогу так же аккуратно сделать как на спец оборудовании.

Оффлайн Santjago

  • Живу на форуме
  • *******
  • Сообщений: 10916
  • Hard As A Rock
Sleep, да неужели гугл не даёт результатов? Я в одном только Харькове находил с десяток контор...
только учти, сама плата стоит недорого, а разработка программы для станка порядка в 2-4 раза дороже самой платы, в зависимости от сложности плиты... и это всё при условии, что плата у тебя уже разработана, за трассировку отдельная плата...

Оффлайн kynep

  • Ветеран форума
  • ******
  • Сообщений: 6828
  • Руби МиТоЛ!!!
Sleep, ты для себя делаешь или на продажу?

Если для себя, то не обязательно делать 2х стороннюю, 10ти слойную мегатрузалитуюлакомаккуратную плату.

ЛУТом вполне годные получаются результаты.

Одна из последних сделанных мной плат:
692077-0

Остается оттереть канифоль и будет не хуже заводской!  ;)

Оффлайн Santjago

  • Живу на форуме
  • *******
  • Сообщений: 10916
  • Hard As A Rock
Остается оттереть канифоль и будет не хуже заводской!  ;)

только без маски и маркировок...  ;)

Оффлайн Sleep Автор темы

  • Завсегдатай
  • ***
  • Сообщений: 459
Эх, подзабросил я темку. А дело меж тем не стоит на месте. От сборки преда на печатке пока отказался. Товарищ поделился текстолитовыми пластинами с наклепаными на них ножками. Спаял пред на такой штуке. (фотки выложу чуть позже) Процесс идет черепашьим темпом, так как на работе завал. На данный момент договариваюсь с мебельщиками чтобы красиво распустили на станке фанеру для бошки и кабинета.

Оффлайн Tander

  • Ветеран форума
  • ******
  • Сообщений: 3732
    • Efremoff
У меня очень похожая задача, щас встала - пред - всеми любимый алембик - собирал себе версию в ПТ исполнении - очень понравилось. Для усилка решил попробовать ламповую.
Суть в принципе все та же - только оконечник взял на LM3886 - такое было в наличии у меня. Финальная схема получилась похожей на вот это -
889174-0

Прошу прокоментировать предложеный вариант выхода под наушники и DI-out'a.

и по питанию опять же все уперлось в транс... и вот я думаю - либо искать 2 транса -  силовой транс с выходом - 1х14V(под 12в накал) и 2х20V, 4A - под питание оконечника, и второй мелкий для анодки - с первичкой на 14V и вторичкой на 260V(может попробовать перевертышь?). На анодное я так понимаю большого тока не нужно - 10-20мА должно хватить.  Либо делать под заказ тор, на котором будут все называнные обмотки... цены конечно мне за такой заломили не мало - 120$

Какие варианты есть?

... и добавил:

Просто если отдельные трансформаторы - как потом с массами быть? понятно что та, которая на накал - ни на что не влияет как бы, а вот потом у нас минус анодки и нулевая точка питания усилителя вроде как соедены получаються...
« Последнее редактирование: Января 25, 2013, 11:49:07 от Tander »

Оффлайн AkiRa

  • Опытный
  • ****
  • Сообщений: 735
  • Могу задавать нубские вопросы
Tander, Я для подобных целей заготовил два транса - мелкий анодно-накальный, 15Вт, если не ошибаюсь, с SMB заказан, а второй - для питания мощника - из какого-то музыкального центра, с подходящими обмотками. Только вот забросил я эту сборку :pozor:

Оффлайн Sleep Автор темы

  • Завсегдатай
  • ***
  • Сообщений: 459
Либо делать под заказ тор, на котором будут все называнные обмотки... цены конечно мне за такой заломили не мало - 120$

Я заказывал. И дело не в весе. Больший гемор будет с размещением этих трансов, имхо.
« Последнее редактирование: Января 25, 2013, 17:31:24 от Sleep »

Оффлайн Tander

  • Ветеран форума
  • ******
  • Сообщений: 3732
    • Efremoff
по питанию вроде решаемо. а что по схеме прибора скажете? вменяемо?

... и добавил:

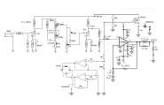
По блоку питания выходит следующее. Трансформатор один, с двумя вторичками.
889394-0

Но возник вопрос - 7824 выдает максимальный ток - 3А, а это как-то маловато для мощника ))) щас ищу стабилизаторы, которые выдают хотя бы 5А. (LT1084 - но не могу найти ничего для негативного плеча...)
« Последнее редактирование: Января 26, 2013, 00:32:54 от Tander »

Оффлайн alkuz

  • Ветеран форума
  • ******
  • Сообщений: 4481
  • Зарегистрированный
    • http://
Tander, без среднего вывода на вторичке нормальное двухполярное питание не получишь. И думаю нет необходимости в стабилизаторе для питания мощника. Достаточно хороших емкостей.
По основной схеме - не понятно, зачем так криво реализовать выход на наушники? Почему не взять непосредственно с выхода микросхемы, через гнездо с размыканием цепи динамика?
В большинстве басовых комбиков, которые мне попадались, перед мощником был встроен компрессор-лимитер. Думаю он там действительно  нужен.