Автор Тема: нужна помощь по сборке и наладке гитарного комбо на лампах  (Прочитано 15819 раз)

0 Пользователей и 1 Гость просматривают эту тему.

Оффлайн galova Автор темы

  • Частый посетитель
  • **
  • Сообщений: 133
  • GuitarPlayer.Ru fan!
помогите разобраться что делать.
имею некоторое количество нужных радиодеталей, динамик гитарный и вот решил собрать комбик.
динамик чтото вроде 30 ватт на 8 ом. celestion.
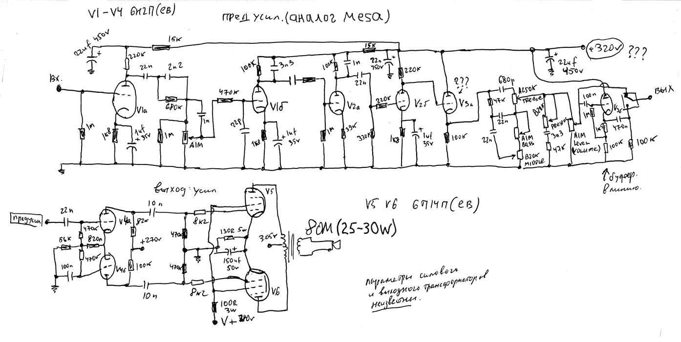
набросал примерную условную схему по мотивам разных сборок.
2128535-0
по схеме - слизанный преамп меза ректифаер - выходник стырен с прожектов маршал 18ватт.
помогите разрешить непонятки с цепями питания, силовым трансформатором, с выходным трансформатором и прочими смежными вопросами пожалуйста.
так же интересует нужно ли присобачить еще один каскад на выходе. Это важный вопрос.
очень мало опыта в этом вопросе и не технарь, хотя с паяльником орудую хорошо. очень нужны советы от опытных людей и пояснения по схеме.
Сразу оговорюсь бюджета на покупку трансформаторов за какие-нибудь 5тр не имею. лампы 6н2п и 6п14п без вариантов.... других нет.
Как мне выкрутиться, что добавить/поправить, что достать для реализации, чего избежать и тд и тп.
Понятно что вопрос занудный и 99% надо мной будут угарать, но что делать. У меня лично вариантов нет.
« Последнее редактирование: Июля 06, 2016, 00:34:13 от Dying Fetus »

Оффлайн Dying Fetus

  • Moderator
  • *****
  • Сообщений: 10310
  • DIYng Fetus
    • http://cathar.ru
Совет №1
galova, начинать нужно с трансов. или мотать или покупать. ТН, как выходной унылое пичаль.
« Последнее редактирование: Июля 06, 2016, 00:34:50 от Dying Fetus »

Оффлайн akl

  • Живу на форуме
  • *******
  • Сообщений: 8114
  • не шарю ваще
Совет №2
пред от ректифаера со 100500 гейна, который скорее всего в такой оконечник, да еще на 6н2п, будет звучать очень плохо - принципиален? (кстати, в схеме есть неточности)
Совет №3
и если опыта очень мало, то лучше начать с чего-то более простого. часто возникают проблемы с тем чтобы чамп запустить, а тут сразу месабуга, которая не только сложна сама по себе, но и очень требовательна к правильной топологии монтажа :hmmm:

а так, начинать надо с покупки нормальных трансформаторов и изготовления крепкого шасси ???

... и добавил:

Совет №4
если все таки собирать, то я предлагаю взять пред от медведовского mod-s https://guitarplayer.ru/index.php?topic=102956.msg8734252#msg8734252 , или даже стандартный jcm-800, и оконечник сделать с ООС и нормальным презенсом. и может даже с фиксированным смещением.
« Последнее редактирование: Июля 06, 2016, 00:36:36 от Dying Fetus »

Оффлайн Dying Fetus

  • Moderator
  • *****
  • Сообщений: 10310
  • DIYng Fetus
    • http://cathar.ru
Совет №5
ну или хай октан\п1 и прочие однотактные свистоперделки
« Последнее редактирование: Июля 06, 2016, 00:36:59 от Dying Fetus »

Оффлайн galova Автор темы

  • Частый посетитель
  • **
  • Сообщений: 133
  • GuitarPlayer.Ru fan!
у меня в принципе на преамп есть вообще готовая печатная плата. Бери детали, впаяй и подключи к источнику тока... данную сборку проверяли на работу, но в качестве просто преампа, дискретного.
Я хотел вывести на динамик от Celestion который называется G12H heritage anniversary 30W или другой, помоему он называется greenback 25ватт. Не помню уже давно в коробке лежит/ Через ламповый усилитель мощности.
Наставьте на путь истинный... ибо погибаю я а готовую вещь покупать душа не лежит.

Оффлайн Прохожий_

  • Эксперт
  • *****
  • Сообщений: 1955
    • Звукозапись и создание музыки
Я очень очень давно собирал этот 18вт оконечник с почти нулевым бюджетом. В качестве выходного использовал ТС-180, силовой - ТАН. Для гетто-усилителя вполне норм. Звук был, что-то даже записывал с ним. Только у меня динамик был гдш50 и входная часть от jcm900.
Ответ по питанию
С питанием что не понятно? Схемы чуть ли не у всех усилителей одинаковые - диодный мост на анодном, потом конденсаторы и резисторы на фильтрации.
« Последнее редактирование: Июля 06, 2016, 00:37:55 от Dying Fetus »

Оффлайн galova Автор темы

  • Частый посетитель
  • **
  • Сообщений: 133
  • GuitarPlayer.Ru fan!
Какие ТАН подходят?

и еще говорят есть неточности, а какие не говорят...

... и добавил:

пред от ректифаера со 100500 гейна, который скорее всего в такой оконечник, да еще на 6н2п, будет звучать очень плохо
сразу три вопроса-
1 какие есть аргументы по существу?
2 чем отличается 6н2п от 12ах7 при то что оба - с одного и того же завода и являются одной лампой?
3 я только спросил - а меня сразу же отправляют somewhere else так сказать. это что традиция такая?
это я к тому что куда ни обратись - везде эффект в духе российского жкх.
« Последнее редактирование: Июня 30, 2016, 23:58:47 от galova »

Оффлайн Rolly

  • Живу на форуме
  • *******
  • Сообщений: 9071
  • Мнение - не повод получить пулю сразу.
и еще говорят есть неточности, а какие не говорят...

Указали, где ошибка
Например, 3.3 нФ в аноде второго каскада - глупая ошибка кочующая по самопальным схемам.
« Последнее редактирование: Июля 06, 2016, 00:38:28 от Dying Fetus »

Оффлайн Прохожий_

  • Эксперт
  • *****
  • Сообщений: 1955
    • Звукозапись и создание музыки
Какие ТАН подходят?
Совет №6
Ухх, слишком много времени прошло, я не вспомню какой у меня был. Помню, выбор был небольшой и мой вариант сильно грелся. По напряжению, в принципе, всё просто: 6.3в накального и в районе 250в анодного (после выпрямления оно увеличится до примерно 250*1.4=350в, но немного просядет под нагрузкой). А вот на какой ток рассчитывать обмотки - это от количества и потребления ламп зависит. В интернете же много готовых схем - под себя любой вариант можно выбрать.

3.3н в аноде - не такая уж и проблема, он верх режет. Ну будет казаться, что звук ватный и мало песка - отключишь его.
« Последнее редактирование: Июля 06, 2016, 00:40:01 от Dying Fetus »

Оффлайн akl

  • Живу на форуме
  • *******
  • Сообщений: 8114
  • не шарю ваще

и еще говорят есть неточности, а какие не говорят...

про ошибки
питание второго и третьего каскада - 22n(то есть не n, а u, то есть мкф) и 15к неправильно подключены. про 3,3н уже сказали ??? может еще какие-то есть, но никто тут их искать не будет

Про трансы
- озаботиться трансформаторами? прекрасно. КАКИЕ ЗДЕСЬ НУЖНЫ?
тебе могут дать ссылки на магазины, в том числе зарубежные, где ты за 5-10-15 тыщ сможешь купить отличные идеально подходящие трансформаторы. но тебе ведь этого не надо ???

... и добавил:

выбор трансформатора требует более глубоких знаний ламповой схемотехники и расчетов.
выбор трансформатора для вполне стандартного усилителя вроде этого 18вт требует 5 минут поиска по объявлениям в гугле. если погуглить еще 10 минут, то можно узнать какие у этих трансформаторов должны быть параметры.
мотать трансформатор лучше даже не пытаться, за 1000 рублей можно купить нормальный подходящий ТАН. выходник будет дороже.

для оконечника типа маршалл-18вт подойдет вот этот трансформатор https://www.yerasov.ru/catalog/transformatory/transformator-classictone-40-18037?mode=table-list
силовой например ТАН-47. еще можно ТАН-46, но у него напряжение меньше и это плохо. а вообще лучше купить нормальный за 5 тыщ :pozor:
« Последнее редактирование: Июля 06, 2016, 00:42:43 от Dying Fetus »

Оффлайн guitarjfet

  • Ветеран форума
  • ******
  • Сообщений: 4760
Совет №7
galova, я бы Вам настоятельно порекомендовал собрать оконечник AZG 15watt.
Тема по его сборке есть здесь в разделе. Там почерпнете всю необходимую для рукоблудия информацию.
« Последнее редактирование: Июля 06, 2016, 00:43:30 от Dying Fetus »

Оффлайн -sd-

  • Частый посетитель
  • **
  • Сообщений: 239
  • GuitarPlayer.Ru fan!
Совет №8
А с остальными компонентами что? Какие резисторы и конденсаторы?
Резисторы и МЛТ пойдут. А вот кондеры нужно будет поискать. Только не к73!!!!
Ректа это не просто схема. Это аппарат собранный из определенных деталей.
Еще: ректа это звук целого ампа. Поменяв оконечник, да еще и на ядовитые 14 лампы звук будет очень далек от оригинала.
Я бы посоветовал сделать просто оконечник на 6п6с с фазиком на 6н2п и один каскад усиления - посмотри 20/20 от Мезы и к нему уже преамп на ПТ, которые проще, меньше, дешевле и звучат не намного хуже чем лампа, тем более 6н2п.
6н2п не аналог 12ах7 - конструкции отличаются, параметры тоже. У 6 емкость входная меньше. Она очень заметно и характерно зудит и песочит всегда, как не крути схему, независимо от года и заводп, хоть ЕВ хоть неЕВ, это не побороть, многие пытались уже.
« Последнее редактирование: Июля 06, 2016, 00:43:50 от Dying Fetus »

Оффлайн akl

  • Живу на форуме
  • *******
  • Сообщений: 8114
  • не шарю ваще
Схемы из которых можно почерпнуть БП
вот тут подобный оконечник неплохо нарисован с питанием.


PPIMV лучше не делать, ООС тоже не обязательно. фазик тут вроде от большого маршалла

... и добавил:

только это, среднюю точку накала (скорее всего надо будет делать искусственную) надо не на землю, а на анодное питание через определенную схему делителя

... и добавил:

AZG 15watt.



... и добавил:

-sd-, какой еще звук :pozor: если он будет слышен - это уже успех :pozor:
« Последнее редактирование: Июля 06, 2016, 00:44:41 от Dying Fetus »

Оффлайн Этоя!

  • Новичок
  • *
  • Сообщений: 95
  • Твой друг
Совет №9
Автору для его проекта подойдут трансы от блюспейса, но комплект стоит коколо 7к, что скорее всего не впишется в бюджет). Для прочтения, помимо темы про чамп, еще порекомендовал бы прочитать тему арлекина и сло (вроде еще какую-то хотел, но не помню).
« Последнее редактирование: Июля 06, 2016, 00:46:11 от Dying Fetus »

Оффлайн anDDRew

  • Эксперт
  • *****
  • Сообщений: 2080
  • котавр
Совет №10
galova, Ответы на многие ваши вопросы требуют большого количества писанины, и при этом они же легко находятся гуглом. Имейте совесть.

Цитировать
я например не знаю что такое рабочая точка

напряжение смещения на сетке

http://tubeamplifier.narod.ru/mess069.htm
http://tubeamplifier.narod.ru/mess070.htm

Цитировать
что делают там конденсаторы? Вот в преампе стоят эти 22uf они получается что параллельно друг другу на землю идут а это выходит как один конденсатор но большей емкости суммарной. Это для сглаживания пульсаций?

Нет, не параллельно. Конденсаторы на 22uF совместно с резисторами образуют резистивно-емкостный фильтр. http://www.club155.ru/circuits-diod-rectifier-filter
А в схеме у вас ошибка, смотрите пост #32.

Цитировать
Как работают резистор и конденсатор в катодах на некоторых лампах? Я так понял что это вроде задает режим работы.

http://tubeamplifier.narod.ru/mess072.htm (тут же про автосмещение)

Цитировать
почему у третей лампы v3 сигнал заслан на катод (не понимаю как это физически происходит) и с какой целью? что там происходит?

Прямо здесь https://guitarplayer.ru/index.php?topic=138770.0

и т.д.

Цитировать
В общем я понимаю что самый высший класс это сделать копию известной марки, но неужели авторы этих усилителей не делали их сами, а сдирали у кого-то?
Цитировать
Моя самая большая проблема - неумение проектировать схемы по науке.

Вероятно, авторы усилителей были радиоинженерами, лишенными вашей проблемы.
« Последнее редактирование: Июля 06, 2016, 00:48:06 от Dying Fetus »