Автор Тема: нужна помощь по сборке и наладке гитарного комбо на лампах  (Прочитано 15708 раз)

0 Пользователей и 1 Гость просматривают эту тему.

Оффлайн galova Автор темы

  • Частый посетитель
  • **
  • Сообщений: 133
  • GuitarPlayer.Ru fan!
Цитировать
чтобы была месобуга - надо до 500. но месобуга тут в любом случае не получится, так что можно не париться и делать напряжение, которое будет удобно для твоего 6н2п-преда, то есть 300-350
то есть тан-57 и мозги себе не парить?

просто человек говорит что 6п3с-Е можно "по-взрослому" грузить напряжением-током. Я только еще не уложил в уме как смещения работают на уровне образов. Пока я не начинаю понимать так как что хоть в три часа ночи разбуди я продолжаю тормозить и сомневаться. особенность.
Не знаю что как но по-моему, судя по смысловой планке очень похоже,  что он как раз тот самый реальный эксперт во всей этой технике....

А что тебе автор- ты беседовал с ним вроде - сказал какое надо делать в предусилитель напряжение чтобы не было "гадости"? ты вроде сказал что оно наоборот пониженное. Я видео смотрел, он говорит что там 240-250 что ли вольт

Оффлайн akl

  • Живу на форуме
  • *******
  • Сообщений: 8114
  • не шарю ваще
смотри наприер напряжения в солдано сло-100. https://guitarplayer.ru/index.php?action=dlattach;topic=222500.0;attach=555555  в ректифаере примерно то же. тут просто схема хорошо нарисована все видно и понятно

... и добавил:

то есть тан-57 и мозги себе не парить?


если бы у тебя был пред на 12ах7, то я советовал поднять напряжение хотя бы до 400 вольт после выпрямителя. но т.к. у тебя этот пред на 6н2п, то его автор настоятельно рекомендовал подавать на него пониженное относительно оригинальной ректы напряжение, то есть 300 вольт примерно. он так и написал - если увеличить напряжение - вылазит бяка. 

... и добавил:

так что предлагаю уже не париться и брать хотя бы этот ТАН57, будет нормально.

... и добавил:

то есть у него даже меньше на пред шло - 260 примерно. с этим ТАНом 57 как раз так и будет наверно - на первом электролите выпрямителя и на анодах до 330 например просядет под нагрузкой, потом можно будет перед предом резистор 10-20к поставить и еще до 250 опустить. а можно будет и не опускать, попробовать как будет с более высоким, может покатит

... и добавил:

galova, кстати! еще нужен дроссель! то есть можно обойтись и вместо него сопротивление 100-200ом 5вт постаивть, но дроссель очень желателен. что-то типа Д39 или Д40 http://www.radiolibrary.ru/reference/chokes.html он то есть 2,5-5 генри индуктивность и анодный ток соответствующий потреблению усилителя, то есть около 0,2 А.
но такие дроссели иногда трудно найти
« Последнее редактирование: Июля 08, 2016, 13:19:13 от akl »

Оффлайн galova Автор темы

  • Частый посетитель
  • **
  • Сообщений: 133
  • GuitarPlayer.Ru fan!
Цитировать
это же режим а-б  ток при малой громкости намного меньше  чем то что  написано в параметрах лампы , не включай на полную громкость и все , дома ты и на  10% его  не включишь  ;D ,  если и включишь  одна лампа 6п3с ест 90 ма то вторая лампа закрыта  и получается   почти 3 кратный запас  трансформатора
извини конечно, но я не понял почему вторая закрыта? как это понять?

Цитировать
Вот мой вариант блока питания для пары 6П3С, просто как пример, конденсаторы ставил из того что было под рукой.
интересная схема. я так понял там умножитель напряжения. интересно подключены вторичные обмотки через разные точки схемы.
Если не затруднит, можно для общего развития спросить немного разъяснить, что в ней происходит, на словах?

Цитировать
Вот кстати да, довольно часто лампы внутри комбо висят "вниз головой".
зачем так делают? меня такой разворот смущает.


Оффлайн akl

  • Живу на форуме
  • *******
  • Сообщений: 8114
  • не шарю ваще
хотя наверно можно и с меньшим током - Д31, Д30, Д22, д21 например

Оффлайн galova Автор темы

  • Частый посетитель
  • **
  • Сообщений: 133
  • GuitarPlayer.Ru fan!
то есть индуктивность в таких пределах от 2,5 до 5 генри обеспечивает наилучшее сглаживание импульсов с выпрямителя?

Оффлайн akl

  • Живу на форуме
  • *******
  • Сообщений: 8114
  • не шарю ваще
то есть индуктивность в таких пределах от 2,5 до 5 генри обеспечивает наилучшее сглаживание импульсов с выпрямителя?
да, не меньше 2,5 и не больше 10

... и добавил:

и еще желательно чтобы активное сопротивление дросселя было не больше 200 ом или типа того. ну и ток номинальный подходил. вот кстати еще табличка дросселей http://vprl.ru/index/drosseli/0-5

... и добавил:

насчет режимов А АБ в общих чертах т.д. http://tubeamplifier.narod.ru/dataxd800.htm
http://tubeamplifier.narod.ru/dataxd800AFC.htm
там еще есть всякие статьи http://tubeamplifier.narod.ru/
« Последнее редактирование: Июля 08, 2016, 13:51:01 от akl »

Оффлайн впальто

  • Завсегдатай
  • ***
  • Сообщений: 329
  • GuitarPlayer.Ru fan!
чтобы была месобуга - надо до 500. но месобуга тут в любом случае не получится, так что можно не париться и делать напряжение, которое будет удобно для твоего 6н2п-преда, то есть 300-350

  чтобы мб хорошо звучала нужен ещё   каб   комната и звукореж  который все это настроит ,  поэтому от напряжения
мало что зависит и сама по себе мб в необработанном виде  это обычный зуд  дисторшена  :hmmm:

... и добавил:

извини конечно, но я не понял почему вторая закрыта? как это понять?

  так устроен  пуш-пулл  лампы открыватся по очереди 

... и добавил:

да просто тут человек писал что надо чуть ли не до 500 напряжение.
Тан были разные. просмотрел справочник по ним и обнаружил ряд моделей где вторичные обмотки дают напряжение при их сложении, скажем, 350 вольт что в выпрямленном виде с моста будет иметь выходное напряжение порядка 500в.
Например ТАН 123 190вт имеет две по 250в, две по 224в и дополнительные две по 26в, 0,13-0,14а.
http://www.radiolibrary.ru/reference/transformers-tan/tan123.html

 от напряжения зависит  выходная мощность , при 250 вольтах уже 20 вт  , но проблема  в том где взять  звуковой транс на 20 вт   он уже будет  не дешего стоить  несколько тыр , у ерасова  есть выходник на 10 вт  за 450 р  его вполне можно использовать  не выкручивая громкость
« Последнее редактирование: Июля 08, 2016, 14:18:26 от впальто »

Оффлайн Виталийй

  • Частый посетитель
  • **
  • Сообщений: 232
  • GuitarPlayer.Ru fan!
   впальто  " лампе достаточно 250 вольт и это написано в справочных данных ,  400 вольт это максимальное  которое  будет получаться  из сложения напряжения питания и напряжения на звуковом трансформаторе. Те кто проектировал тан  уже все учли  :hmmm: и если с него не выходит больше 350 вольт то  значит не стоит подавать на лампы больше напряжение."
  Это всё предрассудки, тройки звучат и при Е +400 В и +450 В и +500 В и нормально себя при этом чувствуют.

Оффлайн AZG

  • Живу на форуме
  • *******
  • Сообщений: 95553
  • Санкт-Петербург
    • AZG CUSTOM
Виталийй, Смотря какие. Простым 6П3С я бы не стал давать более 400-420В. Ну 450 с предварительным жестчением ламп. Дохнут как мухи в таких режимах.

Кто-то ляпнул и все по дешевке залепили на репточках. И через 2-3 месяца пошел вал усилителей в ремонт... А 3-ки с дырами в колбах и т.п. прелести перегрева и превышения мощности на аноде.

Оффлайн AntonVIP

  • Живу на форуме
  • *******
  • Сообщений: 13729
  • Люблю качественную музыку в стиле "мясо"
    • Страница на ютубе
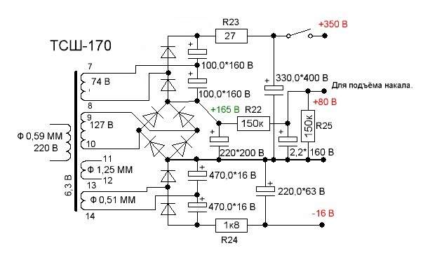
Виталийй, ТСШ-170 по току не потянет 2 6п3с, тем более, с умножителем.. Просадка будет, и не слабая.. Я когда-то пробовал.. А потом плюнул и перемотал.. В итоге, потратил меньше времени, нежели на танцы с бубнами с этими удвоителями и экспериментами..

Оффлайн Виталийй

  • Частый посетитель
  • **
  • Сообщений: 232
  • GuitarPlayer.Ru fan!
 Ну прямо закритиковали))) Азнур это когда музыканты пихают их в усилитель в место 6L6; 5881 или вообще EL34 и КТ66 без подстройки режимов. А если ей в анод +500 В во вторую сетку от +300 до +400 и ток  30 мА. с нагрузкой 8 - 9 кОм пашут и ни чего. Согласен что при разработке мелкосерийных аппаратов которые уходят в чужие руки лучше подстраховаться, поставить 6П3С-Е, ограничиться питанием до +400 В +450 В. Мне простые тройки больше нравятся по звучанию, богаче спектор, с Е более звонкие, середина по ярче, чисто мои ощущения.
  AntonVIP ТСШ 170 самая хилая обмотка на 400 мА./2/1,4=142 мА. 0,142 А*500 В=71 W- пусть 10W на преамп. 61W/2=30,5W  6П3С может переварить максимум 22W ещё запас остаётся. А просадка при удвоении будет больше чем без, это аксиома, ну и что, кенотронный эффект))) можно поставить большие ёмкости и просадки не будет, надо ли. Перемотать тоже вариант, не все могут.
 Это я так чуток по умничал, в планах собрать ещё усилитель, пойду к вам за советами)))
« Последнее редактирование: Июля 08, 2016, 17:45:08 от Виталийй »

Оффлайн AntonVIP

  • Живу на форуме
  • *******
  • Сообщений: 13729
  • Люблю качественную музыку в стиле "мясо"
    • Страница на ютубе
Виталийй, согласен, если перематывать совсем в лом или боязно, тогда есть смысл заморочиться с умножением...

Оффлайн AZG

  • Живу на форуме
  • *******
  • Сообщений: 95553
  • Санкт-Петербург
    • AZG CUSTOM
Виталийй, Дело в том, что их и шьет по полной и т.п. Ты думаешь народ не глядя ставил? И режим под настоящие 5881 перестраивали и т.п. Все-равно максимум на пол года и в помойку. При этом в аппаратах с заниженной анодкой (в рабочем режиме 430-450В) живут довольно долго.

делать двойное питание и тем более ковыряться с готовом аппарате не самое лучшее занятие. Тем более начинающему.

Оффлайн Виталийй

  • Частый посетитель
  • **
  • Сообщений: 232
  • GuitarPlayer.Ru fan!
 Антон да эти ТСШ 170, крепление практически не разборное, только разгибать, потом на наковальне загибать, да ты в курсе, вот и изгаляюсь с блоками питания.  Мотать для меня не проблема, только обычно мотаю не тем проводом что надо, а близким по диаметру, но чтоб на халяву, иногда впритык, но мне можно, для меня это всего лишь хобби. Для 6П14П вот так собираю.
 Азнур, да по честному я уже прислушался к твоему совету и собрал усилитель, квартет 6П3С     Е+405 В Uс2+385 В ТС мотал. Да и по мощности не на много меньше и звучит  достойно, просто первый усь, простые тройки  +500 В третий год пацаны без замены ламп насилуют.
« Последнее редактирование: Июля 08, 2016, 18:20:30 от Виталийй »

Оффлайн galova Автор темы

  • Частый посетитель
  • **
  • Сообщений: 133
  • GuitarPlayer.Ru fan!
AZG а об этом продавце вы что-то знаете? http://www.audioinstrument.narod.ru/index.html