Автор Тема: Нужна схема ЛУНЧ гитарного попроще с перегрузом.  (Прочитано 7149 раз)

0 Пользователей и 1 Гость просматривают эту тему.

Оффлайн Роман Некрасов Автор темы

  • Новичок
  • *
  • Сообщений: 21
  • GuitarPlayer.Ru fan!
Ребята, не судите строго. Нужна помощь в построении простенького (без особых наворотов), гитарного лампового усилителя с перегрузом на отечественных лампах (могу достать практически любые, кроме 12ax7), проблем с трансами тоже не будет. Хватит около 5 ламповых ватт. Заранее спасибо. Очень прошу, помогите.

Оффлайн Dying Fetus

  • Moderator
  • *****
  • Сообщений: 10310
  • DIYng Fetus
    • http://cathar.ru
Роман Некрасов, фпоезг.

Оффлайн Роман Некрасов Автор темы

  • Новичок
  • *
  • Сообщений: 21
  • GuitarPlayer.Ru fan!
Спасибо конечно...
Может найдутся более отзывчивые люди? Можно ссылки на готовые проэкты, буду признателен.


Оффлайн Роман Некрасов Автор темы

  • Новичок
  • *
  • Сообщений: 21
  • GuitarPlayer.Ru fan!
Всем спасибо, понял, что недружелюбные вы ;)

Оффлайн Dying Fetus

  • Moderator
  • *****
  • Сообщений: 10310
  • DIYng Fetus
    • http://cathar.ru
Роман Некрасов, а ты просто ленивый. На первых 2х страницах находится искомое.

Оффлайн Роман Некрасов Автор темы

  • Новичок
  • *
  • Сообщений: 21
  • GuitarPlayer.Ru fan!
Спасибо, не хотел обидеть. Просто хотелось совета и первые страниц 30 прочитал. Выберу что-нибудь.

Оффлайн Tander

  • Ветеран форума
  • ******
  • Сообщений: 3732
    • Efremoff
Возьми Cornford harlequin. Класс А, отличный перегруз, нормально живет с 6н2п лампочками и 6П14П в оконечнике. тема разжевана на форуме до всех нюансов, есть платы, лейки, схемы, и прочее. Многие кто в теме - его уже делали, и смогут помочь советом.

Оффлайн alanatol84

  • Новичок
  • *
  • Сообщений: 9
  • GuitarPlayer.Ru fan!
hi octane. вот ссылка на сайт  http://www.ax84.com/hioctane.html
- там полнейшая информация. 12ax7 это наша 6н2п, только накал по другому подключается. el84=6п14п полный аналог.

Оффлайн dimondss

  • Новичок
  • *
  • Сообщений: 44
  • GuitarPlayer.Ru fan!
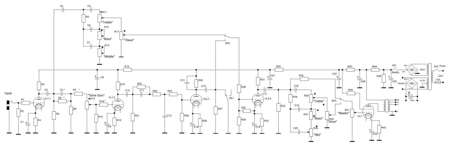
Я делал преамп богнер шарп с небольшими модификациями, оконечник от октана.  Ссылка на проект (ворклог на украинском правда) http://dimonavr.blogspot.com/2014/09/2-6.html
Сам октан мне не очень понравился, клин на нем нарулить не очень получается, а тем более быстро перейти от клина к перегрузу. Перегруз тоже не очень впечатлил (только на большой громкости он более менее). Тут же реамп практически полностью формирует звук перегруза.

Оффлайн Tander

  • Ветеран форума
  • ******
  • Сообщений: 3732
    • Efremoff
Dying Fetus, Ну вот видишь - люди набежали, предложили хорошие, проверенные варианты. Всяко лучше чем пытатся самому что-то найти на 30 страницах гугла.  :)

Оффлайн halvalife

  • Опытный
  • ****
  • Сообщений: 890
Мне октан тоже не понравился, переделал в жсм800, гораздо приятней звучал. Можно сделать двохканалку Локтаровскую - там два канала по выбору - чистый и перегруз (енгл, шарп, кранк).
https://www.youtube.com/watch?v=YxDzyKlf9cU&feature=player_detailpage
« Последнее редактирование: Сентября 30, 2014, 15:46:30 от halvalife »

Оффлайн Dying Fetus

  • Moderator
  • *****
  • Сообщений: 10310
  • DIYng Fetus
    • http://cathar.ru
Tander, ну если поверить в условное равенство 6н2п = 12ax7 то схем тыща  :p

Оффлайн Роман Некрасов Автор темы

  • Новичок
  • *
  • Сообщений: 21
  • GuitarPlayer.Ru fan!
halvalife, Спасибо большое))) А можно будет в процессе сборки задать тебе несколько вопросов?

... и добавил:

halvalife, Какие лампы использовал?

... и добавил:

Ребята, спасибо всем огромное, буду собирать, что-то))) Просто купил себе Fujigen Elan и понял, что тот аппарат на котором играл никуда не годится, хочу лампу)))
« Последнее редактирование: Октября 03, 2014, 18:04:10 от Роман Некрасов »

Оффлайн halvalife

  • Опытный
  • ****
  • Сообщений: 890
Я этот аппарат не собирал.