Автор Тема: Околокрафтовский флуд  (Прочитано 2846496 раз)

0 Пользователей и 5 Гостей просматривают эту тему.

Оффлайн нонейм

  • Завсегдатай
  • ***
  • Сообщений: 463
  • Подпись под аватаром
Re: Околокрафтовский флуд
« Ответ #12075 : Июля 01, 2017, 18:10:55 »
еле запихнулось в корпус :pozor:

но ты всё же - СДЕЛАЛ ЭТО!  ;D

Оффлайн akl

  • Живу на форуме
  • *******
  • Сообщений: 8114
  • не шарю ваще
Re: Околокрафтовский флуд
« Ответ #12076 : Июля 01, 2017, 19:10:50 »
крутилки бесят. в местном магазине подходящие потцы только лыски были, а они слишком длинные какие-то, вот и торчат далеко. пилить не хочу - слишком хлипкие они.

Оффлайн нонейм

  • Завсегдатай
  • ***
  • Сообщений: 463
  • Подпись под аватаром
Re: Околокрафтовский флуд
« Ответ #12077 : Июля 01, 2017, 20:47:07 »
крутилки бесят. в местном магазине подходящие потцы только лыски были, а они слишком длинные какие-то, вот и торчат далеко. пилить не хочу - слишком хлипкие они.
Крутилки -нормальные. Под эргономику кисти.
Просто корпус не подходит . Слишком маленький и расположение ручек не оптимальное

Оффлайн trengtor

  • Ветеран форума
  • ******
  • Сообщений: 4843
  • Диванный блюз-блендер
    • Ремонт [комбо]усилителей и педалей эффектов, в т.ч. бутиковых
Re: Околокрафтовский флуд
« Ответ #12078 : Июля 01, 2017, 20:52:31 »
akl, потом ручки поменяешь, когда подвернутся нужные

Оффлайн akl

  • Живу на форуме
  • *******
  • Сообщений: 8114
  • не шарю ваще
Re: Околокрафтовский флуд
« Ответ #12079 : Июля 01, 2017, 21:12:57 »
дело не в ручках, а в том что валы слишком длинные. но это пофиг, гораздо лучше было бы поставить на регулировку частоты антилогарифмический пот 2 Мом, чтобы получить более широкую и хорошо регулируемую полосу. но такой еще найти надо

Оффлайн runing

  • Живу на форуме
  • *******
  • Сообщений: 12572
  • Киев
Re: Околокрафтовский флуд
« Ответ #12080 : Июля 01, 2017, 21:24:10 »
антилогарифмический пот 2 Мом

Поставь обычный логарифм, только провода на крайние выводы поменяй местами.

Оффлайн akl

  • Живу на форуме
  • *******
  • Сообщений: 8114
  • не шарю ваще
Re: Околокрафтовский флуд
« Ответ #12081 : Июля 01, 2017, 21:53:35 »
Поставь обычный логарифм, только провода на крайние выводы поменяй местами.
так не прокатит :pozor: или если только в обратную сторону крутить

Оффлайн runing

  • Живу на форуме
  • *******
  • Сообщений: 12572
  • Киев
Re: Околокрафтовский флуд
« Ответ #12082 : Июля 01, 2017, 22:01:53 »
если только в обратную сторону крутить

Ну да, в обратную сторону крутить. А что, такая регулировка противоречит твоему, эстетически безупречному изделию?

Оффлайн akl

  • Живу на форуме
  • *******
  • Сообщений: 8114
  • не шарю ваще
Re: Околокрафтовский флуд
« Ответ #12083 : Июля 01, 2017, 22:10:33 »
конечно противоречит >:( по часовой стрелке должна увеличиваться частота :gitler:

Оффлайн Russ Diggy

  • Частый посетитель
  • **
  • Сообщений: 174
  • Barcelona
Re: Околокрафтовский флуд
« Ответ #12084 : Июля 01, 2017, 23:16:55 »
Доброе время суток Товарищи Крафтеры!

Такой вопрос.

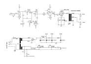
Собрал давно усилитель,гибрид преда Дамбл с одной КТ66 в мощнике.( взято за идею ТьюбТаунский Чамп с одной КТ66
https://www.tube-town.net/ttstore/Kits/Verstaerker/TT66-MKII-Tube-Amp-Kit::5318.html)

Всё работает и хорошо звучит, собран достаточно качественно из хороших комплектующих.
После прогрева начинает переодически "шуршать" .Как сказал ранее всё работает и звучит , но в какойто момент грохочет как буд то подключеный кабель втыкают в гитарный джек.Либо как буд то двигают ручку потенциометра , который истёрт.Хотя всё новое.

Пробывал менять лампы на преде и на пощнике - та же проблема, так же обстукал деревянной палочкой каждый контакт, припой , компонент, потенциометры без шуршания.Всё новое , всё качественное, пайка чистая, кабеля новые, короче всё новое.

Решил оставить усилитель с кабелем на входе , но без гитары. Стоит тихо , но в какой то момент пошкварит , да заглохнет и так с неопределёнными периодами

На что обратить внимание?



Онлайн Валентин Гаврилов

  • Эксперт
  • *****
  • Сообщений: 2455
  • Long live Rock-n-Roll !!
Re: Околокрафтовский флуд
« Ответ #12085 : Июля 01, 2017, 23:42:58 »
Могут быть проблемы с панелькой под 1 лампу .  "Пробивает"  анодное на сетку по изолятору .

Оффлайн Russ Diggy

  • Частый посетитель
  • **
  • Сообщений: 174
  • Barcelona
Re: Околокрафтовский флуд
« Ответ #12086 : Июля 01, 2017, 23:53:36 »
Спасибо Валентин Гаврилов!

Я не спец, поэтому мог поняать не правильно.

Хотите сказать что на лампе преда " пробивает" с анода на входную сетку через изоляцию цоколя?
Или кабеля анода могут наводки пускать на входную сетку?

Это конечно интересная гипотеза, посмотрю завтра с утра.Может на самом цоколе есть какие нибудь механические повреждения.
 

Оффлайн Ден2

  • Ветеран форума
  • ******
  • Сообщений: 4278
Re: Околокрафтовский флуд
« Ответ #12087 : Июля 02, 2017, 00:03:29 »
конечно противоречит >:( по часовой стрелке должна увеличиваться частота :gitler:

Назови регулировку "Период", и пусть период возрастает по часовой ;)

Онлайн Валентин Гаврилов

  • Эксперт
  • *****
  • Сообщений: 2455
  • Long live Rock-n-Roll !!
Re: Околокрафтовский флуд
« Ответ #12088 : Июля 02, 2017, 00:06:52 »
На фото плохо видно состояние панельки .  Но бывают случаи ,что по "пыли и грязи"  на панельке  текут микротоки утечки ......сам сталкивался пару раз в своих усилителях ,да и на АП  такие случаи описывали "ламповики-затейники" :) :)

Оффлайн нонейм

  • Завсегдатай
  • ***
  • Сообщений: 463
  • Подпись под аватаром
Re: Околокрафтовский флуд
« Ответ #12089 : Июля 02, 2017, 06:01:56 »
Поставь обычный логарифм, только провода на крайние выводы поменяй местами.
  Я так на своём генераторе делал.
Привыкаешь довольно быстро и уже не замечаешь.