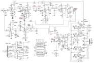
Aleksander8, дело в том, что у меня не мостовая схема выпрямителя, у меня силовой трансформатор ТСШ-170, от лампового телека, (знаю, дура здоровенная, а шо делать, если другого не было под рукой).

Так вот, там две обмотки - одна на 130 вольт, другая на 74 вольта, одна включается на 15-ваттный режим, другая соответственно, на 7-ваттный; после выпрямителя по схеме удвоения получается 350 вольт на 15 ваттном режиме, и 200 вольт на 7-ваттном. Когда собирал удвоитель, изначально планировал поставить туда ёмкости на 220 мкФ, но, как оказалось, в магазине таких в наличии не было, пришлось взять аж на 560 мкФ

, они почти не дают просадку, то есть питание у меня "дубовое". Думал дроссель решит эту проблему, ан нет - нисколько... Ну хоть фильтрация почти как в Hi-Fi

Нужно и вправду резистор ставить перед дросселем, чтобы получить более "мягкую" характеристику по питанию.