Автор Тема: Околокрафтовский флуд  (Прочитано 2825060 раз)

Geezer, KE, XMD, Deviron (+ 1 Скрытых) и 11 Гостей просматривают эту тему.

Оффлайн ku2

  • Опытный
  • ****
  • Сообщений: 524
  • Санкт-Петербург
Re: Околокрафтовский флуд
« Ответ #17220 : Декабря 02, 2018, 18:44:36 »
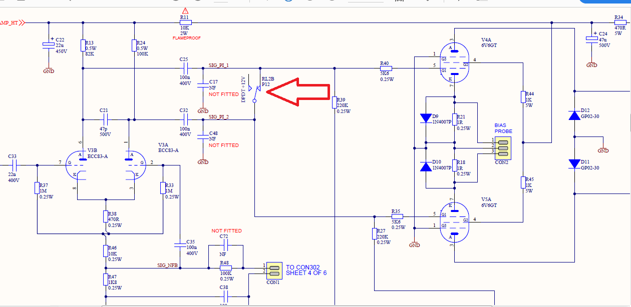
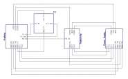
скажите пожалуйста какую функцию выполняет данный контакт //отмечен стрелкой // в схеме ? :pozor:


Оффлайн Владислав Утюмов

  • Завсегдатай
  • ***
  • Сообщений: 410
  • И со свечкой искали они, и с умом...
Re: Околокрафтовский флуд
« Ответ #17221 : Декабря 02, 2018, 19:13:06 »
Полагаю функция у этого переключателя - ввести в заблуждение вероятного противника.

В одном положении он устраняет разницу между сигналами, которые идут с фазика на пуш-пул. В результате усил не издает ни звука. В другом положении подает +12 В на сетку одной из ламп выходного каскада. В результате лампа открывается на полную и горит предохранитель (в лучшем случае).

Оффлайн sadky

  • Эксперт
  • *****
  • Сообщений: 2654
Re: Околокрафтовский флуд
« Ответ #17222 : Декабря 02, 2018, 19:26:45 »
KMG, Спасибо большое!

... и добавил:

Владислав Утюмов,  не понял, откуда там +12 вольт? ???
« Последнее редактирование: Декабря 02, 2018, 19:30:53 от sadky »

Оффлайн ku2

  • Опытный
  • ****
  • Сообщений: 524
  • Санкт-Петербург
Re: Околокрафтовский флуд
« Ответ #17223 : Декабря 02, 2018, 19:37:39 »
KMG, Спасибо большое!

... и добавил:

Владислав Утюмов,  не понял, откуда там +12 вольт? ???
я думаю это питание на реле указано

Оффлайн sadky

  • Эксперт
  • *****
  • Сообщений: 2654
Re: Околокрафтовский флуд
« Ответ #17224 : Декабря 02, 2018, 19:46:35 »
ku2,  ну да, только зачем это писать возле незадействованного контакта реле? Возле обмотки же вполне достаточно ??? Точно, чтоб ввести в заблуждение :crazy:

Оффлайн ku2

  • Опытный
  • ****
  • Сообщений: 524
  • Санкт-Петербург
Re: Околокрафтовский флуд
« Ответ #17225 : Декабря 02, 2018, 19:52:28 »
 :crazy:
« Последнее редактирование: Декабря 02, 2018, 20:06:40 от ku2 »


Оффлайн ku2

  • Опытный
  • ****
  • Сообщений: 524
  • Санкт-Петербург
Re: Околокрафтовский флуд
« Ответ #17227 : Декабря 02, 2018, 20:18:19 »
ku2, это мьют (mute)
но такой кнопки там нет у меня был такой маршалл..разве что импортный вариант..так сказать спецзаказ :)вместо standby

... и добавил:

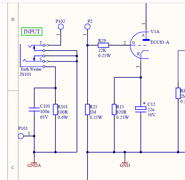
а не подскажите что за вход такой хитрый P101 зачем ?земляная шайба

« Последнее редактирование: Декабря 02, 2018, 20:49:36 от ku2 »

Оффлайн halvalife

  • Опытный
  • ****
  • Сообщений: 890
Re: Околокрафтовский флуд
« Ответ #17228 : Декабря 02, 2018, 20:53:47 »
KMG, что скажете по поводу вашей методике при замене ламп в Енгле Е530-ом на лнд?

Оффлайн trengtor

  • Ветеран форума
  • ******
  • Сообщений: 4843
  • Диванный блюз-блендер
    • Ремонт [комбо]усилителей и педалей эффектов, в т.ч. бутиковых
Re: Околокрафтовский флуд
« Ответ #17229 : Декабря 02, 2018, 20:53:59 »
ku2, это клемма для подключения к шасси.

... и добавил:

но такой кнопки там нет у меня был такой маршалл

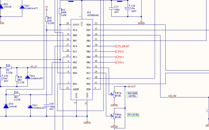
Это реле управляется от Атмеги8.

Оффлайн sadky

  • Эксперт
  • *****
  • Сообщений: 2654
Re: Околокрафтовский флуд
« Ответ #17230 : Декабря 02, 2018, 21:03:37 »
ku2,  там мьют включается не кнопкой, а Атмегой.
Скорее всего,тпри переключении каналов.

... и добавил:

Уже ответили :)

Оффлайн ku2

  • Опытный
  • ****
  • Сообщений: 524
  • Санкт-Петербург
Re: Околокрафтовский флуд
« Ответ #17231 : Декабря 02, 2018, 21:18:58 »
спасибо trengtor  sadky  atmega8.включается..!!!при переключении каналов. сам бы никогда не додумался :pozor:





... и добавил:

дико извиняюсь ..если не надоел :) а чистый и гейн в этой точке переключается //красная стрелка// ?а зеленая это брайт .?

« Последнее редактирование: Декабря 02, 2018, 22:24:37 от ku2 »


Оффлайн ku2

  • Опытный
  • ****
  • Сообщений: 524
  • Санкт-Петербург
Re: Околокрафтовский флуд
« Ответ #17233 : Декабря 02, 2018, 22:45:58 »
Да
Спасибо :)собираю потихоньку но без Атмеги8 и блока эффектов  ...это роскошь
« Последнее редактирование: Декабря 02, 2018, 22:52:11 от ku2 »

Оффлайн trengtor

  • Ветеран форума
  • ******
  • Сообщений: 4843
  • Диванный блюз-блендер
    • Ремонт [комбо]усилителей и педалей эффектов, в т.ч. бутиковых
Re: Околокрафтовский флуд
« Ответ #17234 : Декабря 03, 2018, 13:29:31 »
и завис на этапе компоновки

Вроде бы преодолел этот этап застоя.

2303091-0