Автор Тема: Околокрафтовский флуд  (Прочитано 2824854 раз)

Deviron и 10 Гостей просматривают эту тему.

Оффлайн MoP

  • Новичок
  • *
  • Сообщений: 91
  • GuitarPlayer.Ru fan!
Re: Околокрафтовский флуд
« Ответ #17610 : Января 23, 2019, 09:52:56 »
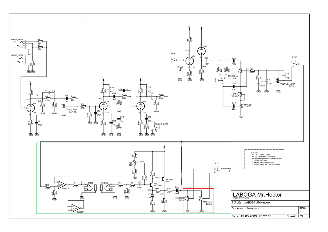
всем привет. подскажите пожалуйста если не трудно как грамотно собрать мастер громкость, не собирая схему петли (в зеленом). или в этом случае мастер громкостью будет выступать пот громкости, который стоит сразу после ТБ? в таком случае громкость очень не удобно регулировать.



« Последнее редактирование: Июля 12, 2019, 13:37:41 от Kuzmitch »

Оффлайн Tander

  • Ветеран форума
  • ******
  • Сообщений: 3732
    • Efremoff
Re: Околокрафтовский флуд
« Ответ #17611 : Января 23, 2019, 10:08:50 »
Как-то так...
Это если вообще с транзисторами заморачиваться не хочется.



« Последнее редактирование: Июля 12, 2019, 13:38:13 от Kuzmitch »

Оффлайн MoP

  • Новичок
  • *
  • Сообщений: 91
  • GuitarPlayer.Ru fan!
Re: Околокрафтовский флуд
« Ответ #17612 : Января 23, 2019, 10:20:03 »
спасибо, попробую так.

Оффлайн Rolly

  • Живу на форуме
  • *******
  • Сообщений: 9052
  • Мнение - не повод получить пулю сразу.
Re: Околокрафтовский флуд
« Ответ #17613 : Января 23, 2019, 10:39:26 »
В усилителе один канал или только часть показана?

Оффлайн Anatoly Avlet

  • Частый посетитель
  • **
  • Сообщений: 190
  • GuitarPlayer.Ru fan!
Re: Околокрафтовский флуд
« Ответ #17614 : Января 23, 2019, 11:29:28 »
Tander, а у Вас не было ощущения, что от 0 до 5 громкость практически не меняется?

Оффлайн MoP

  • Новичок
  • *
  • Сообщений: 91
  • GuitarPlayer.Ru fan!
Re: Околокрафтовский флуд
« Ответ #17615 : Января 23, 2019, 11:44:41 »
да, в голове один канал, который на схеме

Оффлайн Rolly

  • Живу на форуме
  • *******
  • Сообщений: 9052
  • Мнение - не повод получить пулю сразу.
Re: Околокрафтовский флуд
« Ответ #17616 : Января 23, 2019, 12:44:24 »
да, в голове один канал, который на схеме
Тогда лучше правильно подобрать фиксированный делитель и пользоваться волюмом канала как мастером, чем городить цепочку потенциометров.

Оффлайн Tander

  • Ветеран форума
  • ******
  • Сообщений: 3732
    • Efremoff
Re: Околокрафтовский флуд
« Ответ #17617 : Января 23, 2019, 14:02:10 »
Anatoly Avlet, где? на том хот роде? не, там от 1 до 5 просто очень огромная разница. )) между 1 и 2 я могу дома играть, правда соседи не в восторге. На 5 - уже можно людей пытать. в подвале. в берушах.

Оффлайн MoP

  • Новичок
  • *
  • Сообщений: 91
  • GuitarPlayer.Ru fan!
Re: Околокрафтовский флуд
« Ответ #17618 : Января 23, 2019, 14:11:05 »
то есть предлагаете поставить делитель после волюма?

Онлайн M1g

  • Живу на форуме
  • *******
  • Сообщений: 7223
  • The MUTILATOR
Re: Околокрафтовский флуд
« Ответ #17619 : Января 23, 2019, 14:29:50 »
После.

Оффлайн Tander

  • Ветеран форума
  • ******
  • Сообщений: 3732
    • Efremoff
Re: Околокрафтовский флуд
« Ответ #17620 : Января 23, 2019, 14:37:07 »
Ну - так этажерка из 2 потенциометров (Volume и Master) - по сути делают тоже самое. С той лишь разницей - что делитель в этом случае (Мастер) - с легко изменяемыми, не фиксированными плечами - если вдруг нужно чистым звуком подгрузить оконечник. )

Оффлайн Anatoly Avlet

  • Частый посетитель
  • **
  • Сообщений: 190
  • GuitarPlayer.Ru fan!
Re: Околокрафтовский флуд
« Ответ #17621 : Января 23, 2019, 14:40:58 »
Цитировать
не, там от 1 до 5 просто очень огромная разница. )) между 1 и 2 я могу дома играть, правда соседи не в восторге. На 5 - уже можно людей пытать. в подвале. в берушах.
Все правильно, Вы же написали, что кз сетки второго каскада не влияет на "тихую громкость" при Volume на минимуме. Это я невнимательно читал.
Значит, сигнал не пролезает через Volume во второй каскад, то есть цепи между первым и вторым каскадом, включая регулятор Volume исправны. И первый каскад исправен, так как он не выдаст усиления больше, чем может.
Вероятно сигнал пролезает с первого каскада в третий, так как там в сетке 1МОм и при неисправности Tone Stack, напимер отрыве от земли, этот каскад наиболее подвержен наводкам.

Сигнал ослабляется только в двух местах- регуляторе Volume и в Tone Stack. Volume дает ослабление в положении '5' - 23 dB, '10' - 10dB. TS дает в среднем 20dB.
Получить "дополнительное" усиление можно только там.
Посмотрите регуляторы тембра на предмет отрыва от земли.

Оффлайн AZG Автор темы

  • Живу на форуме
  • *******
  • Сообщений: 95569
  • Санкт-Петербург
    • AZG CUSTOM
Re: Околокрафтовский флуд
« Ответ #17622 : Января 23, 2019, 15:08:14 »
Этажерки из потов и тем более делитель после - не надо! До пота громкости просто поставить резистор на 470К-1М и уменьшить громкость до 500К-100К соответственно. Будет рулиться плавно в начальном диапазоне.

Оффлайн tube-freak

  • Эксперт
  • *****
  • Сообщений: 1241
  • yo yoda
Re: Околокрафтовский флуд
« Ответ #17623 : Января 24, 2019, 11:40:49 »
Наверное уже часто спрашивали... я читал, что не рекомендуется ставить Long plate в повторитель, из-за того, что они могут быстрее портиться из-за напряжения >180В между катодом и накалом.
Есть такое, или можно смело забить?
 Просто именно в этом месте (последний каскад усиления + повторитель) LPS звучит оооч сильно.

Может у кого есть опыт применения?

Оффлайн alkuz

  • Ветеран форума
  • ******
  • Сообщений: 4481
  • Зарегистрированный
    • http://
Re: Околокрафтовский флуд
« Ответ #17624 : Января 24, 2019, 11:45:22 »
А что мешает подтянуть накал?