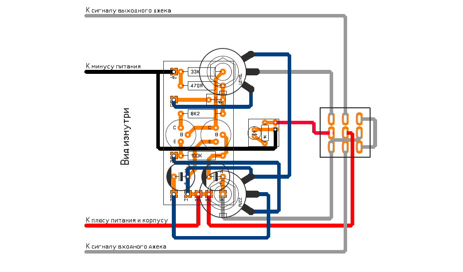
Trubitsyn, возьми мультиметр, пойми какие группы переключаются.
тебе надо на цнетральную группу припаять вход с одной и выход примочки с другой
в одном положении их соответственно коммутировать на вход\выход платы
в другом перемычка между выводами кнопки
