Разминка для мозгов.

Восстанавливаю древний MarkBass TA503, боец, видал всякие паяльники. Тракт завел, работает без нареканий. Беспокоит один момент с блоком питания - после выключения, через пару секунд на выходе усилителя появляется свист в звуковом диапазоне, длится пару-тройку секунд. Не громкий, ни от чего не зависит, меняется частота по нарастанию.
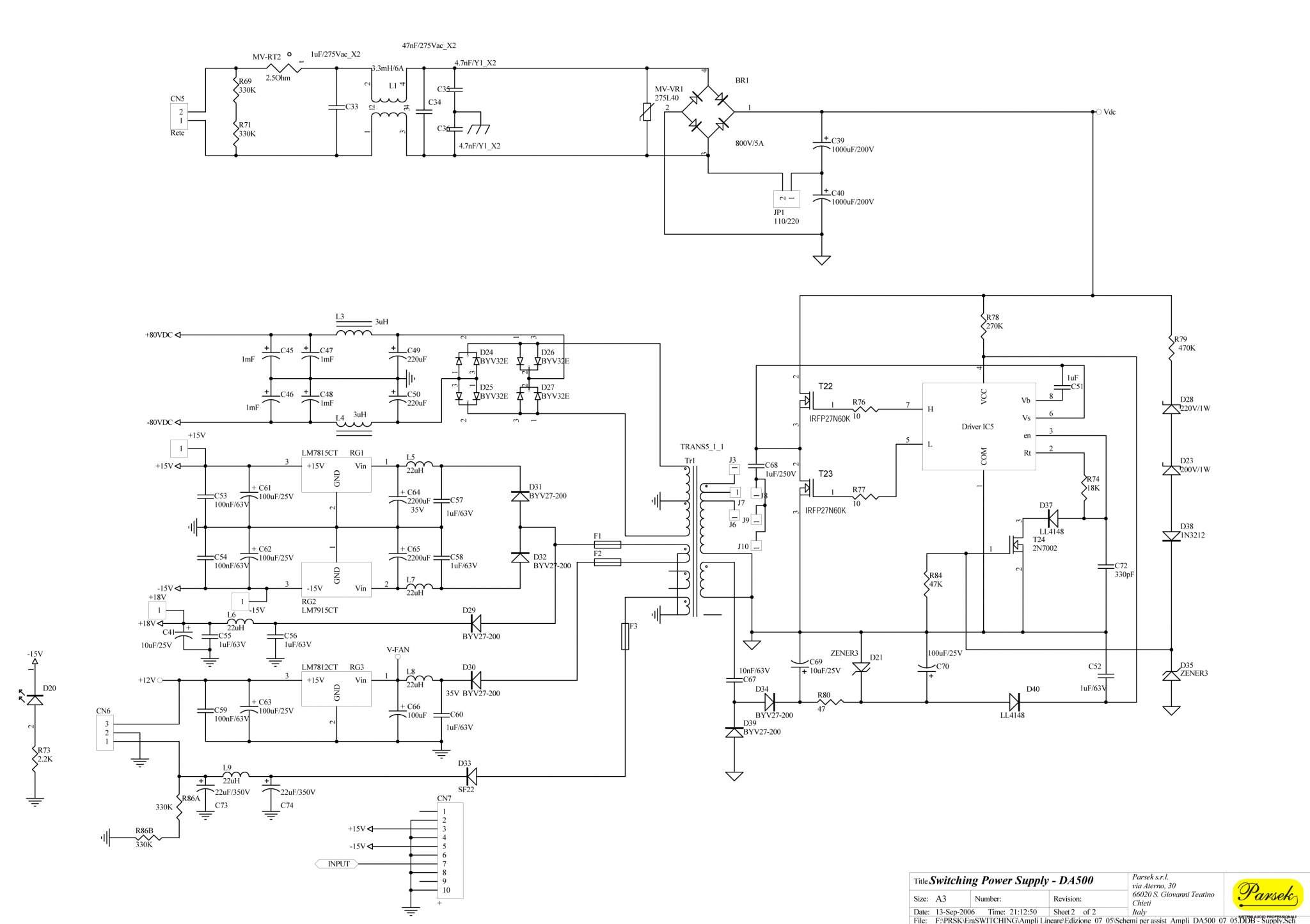
Как я понимаю свистит драйвер питания. Понятно что реле по выходу УМ не отрабатывает, но судя по схеме и не должно. Следовательно проблема в схеме драйвера PSU, не отключается, паразит.
Схема УМ и питания - старый литтлмарк один-в-один, одна и та же плата. Прилагаю.
T24 присутствует (в более поздних аппаратах его упразднили вместе с обвязкой), это транзистор отвечает за включение - отключение генерации (точка CT в даташите драйвера). Транзистор исправен. В момент свиста отловил на затворе отрицательный потенциал.
Пока причиной предполагаю неисправный стабилитрон D35. К сожалению не смог его идентифицировать.
Возможно кто сталкивался, хочется разобраться в этом вопросе?
