Автор Тема: Околокрафтовский флуд  (Прочитано 2813131 раз)

0 Пользователей и 4 Гостей просматривают эту тему.

Оффлайн surfin bird

  • Эксперт
  • *****
  • Сообщений: 2963
  • Поциент-заМКАДыш
    • Surfin Bird
Re: Околокрафтовский флуд
« Ответ #29475 : Мая 20, 2022, 10:57:45 »
Злые санитары подбросили поциенту балласт.  :crazy: Сопротивление 70R, индуктивность 1,3H (100Hz).Может ли данная хрень быть использована в качестве какого-либо дросселя в ламповом усилении или блоке питания ?  :dash:

Онлайн Geezer

  • Живу на форуме
  • *******
  • Сообщений: 12748
  • Atypique
Re: Околокрафтовский флуд
« Ответ #29476 : Мая 20, 2022, 11:02:16 »
Цитировать
Может ли данная хрень быть использована

Конечно, может!
Мы - взрослые люди и должны делать то, что нам хочется, а не то, что от нас кто-то ждёт ;)

Оффлайн Валентин Гаврилов

  • Эксперт
  • *****
  • Сообщений: 2434
  • Long live Rock-n-Roll !!
Re: Околокрафтовский флуд
« Ответ #29477 : Мая 20, 2022, 13:08:15 »
surfin bird,  Этот дроссель надо выкинуть нафиг .   Это для переменного тока !    Железо без зазора собрано .   

Оффлайн surfin bird

  • Эксперт
  • *****
  • Сообщений: 2963
  • Поциент-заМКАДыш
    • Surfin Bird
Re: Околокрафтовский флуд
« Ответ #29478 : Мая 20, 2022, 19:05:34 »
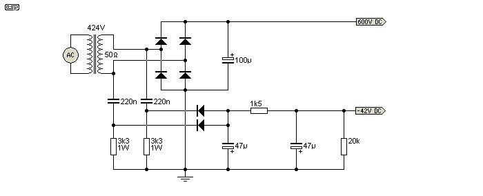
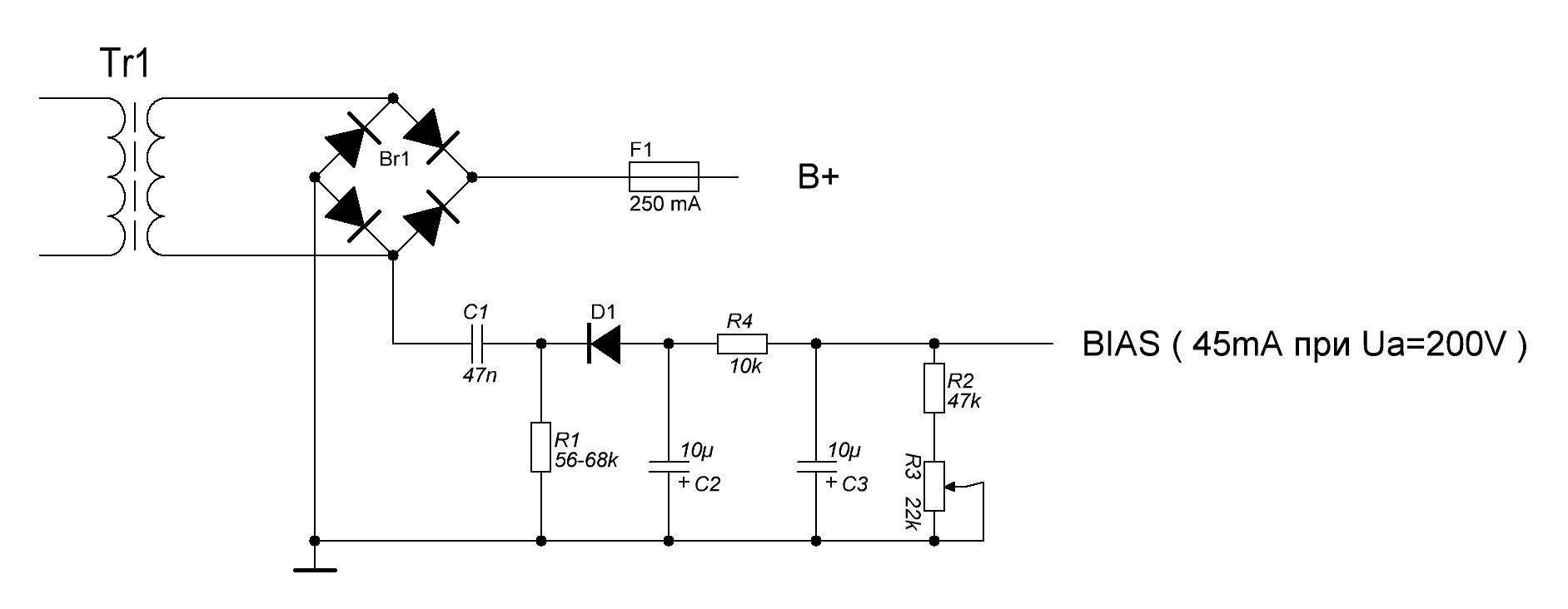
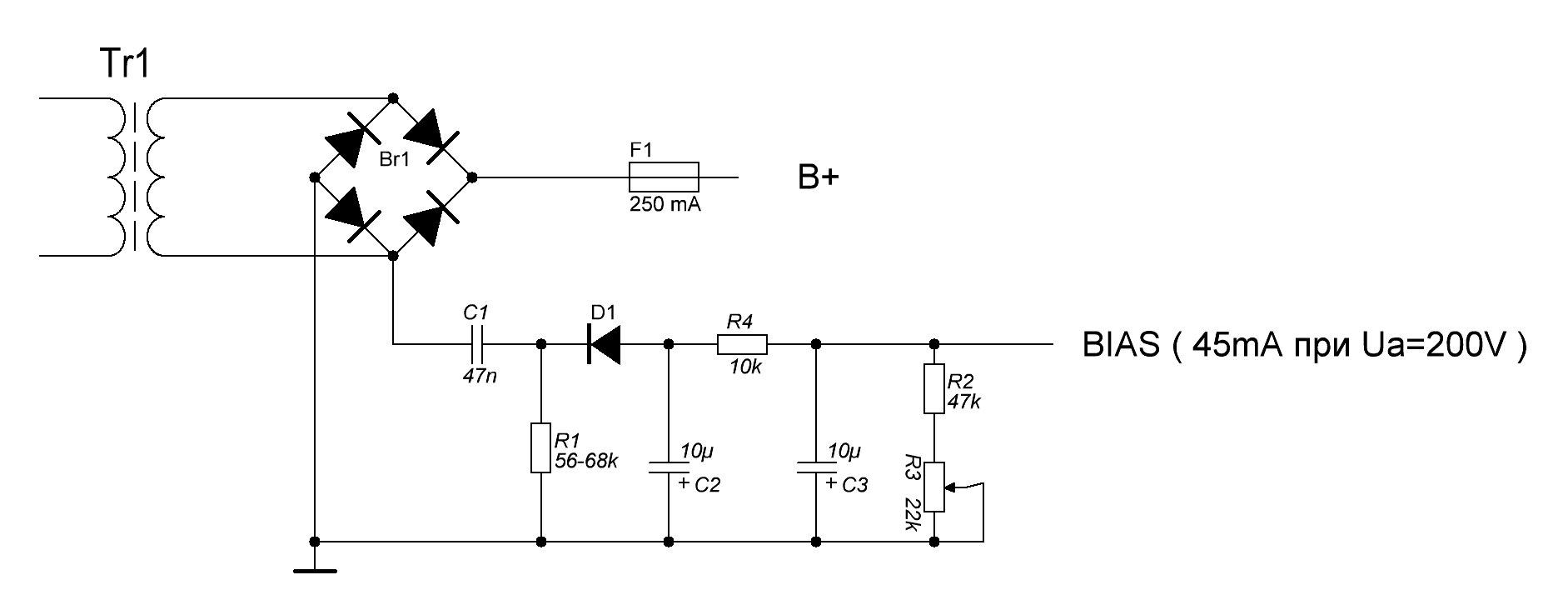
Поставил в усь эту схемку, все работает зашибись, звук отличный, ничего не гудит не фонит, спасибо sadky !
Видимо, потому как этот мой мощник с низковольтной анодкой (~110В перед мостом ), то максимальное напряжение, которое выдает данная схемка порядка 6В. Для маломощных и некоторых "среднемощных" пентодиков все ок, но хочется потестить 6п41с
Можно ли каким то образом изменить номиналы деталюх или добавить "лишние", дабы получать вольт эдак 50, при тех же ~110В перед мостом ?
« Последнее редактирование: Мая 20, 2022, 20:14:14 от surfin bird »

Оффлайн Alex_SG

  • Живу на форуме
  • *******
  • Сообщений: 7526
  • хейтер и пессимист :crazy:
Re: Околокрафтовский флуд
« Ответ #29479 : Мая 20, 2022, 19:41:58 »
Увеличить R1, уменьшить R2, увеличить С1.

Оффлайн sadky

  • Эксперт
  • *****
  • Сообщений: 2628
Re: Околокрафтовский флуд
« Ответ #29480 : Мая 20, 2022, 20:34:46 »
Alex_SG,  насчëт R2 не понял: ведь он же, совместно с R3 , образует нижнее плечо делителя, и чем оно меньше - тем, по идее, меньше  напряжение смещения, или не так?  ???

Оффлайн trengtor

  • Ветеран форума
  • ******
  • Сообщений: 4841
  • Диванный блюз-блендер
    • Ремонт [комбо]усилителей и педалей эффектов, в т.ч. бутиковых
Re: Околокрафтовский флуд
« Ответ #29481 : Мая 20, 2022, 23:03:51 »
sadky, всё верно. Тут увеличение R1 или увеличение C1 (а это делитель по переменке) увеличивает выпрямленное напряжение на делителе по постоянке, состоящем из R4 и R2+R3. Так что при помощи R2 мы задаём максимальную величину смещения (максимальную величину отрицательного напряжения), грубо говоря.

Оффлайн VioletRays

  • Завсегдатай
  • ***
  • Сообщений: 435
  • GuitarPlayer.Ru fan!
Re: Околокрафтовский флуд
« Ответ #29482 : Мая 21, 2022, 09:06:59 »
Клей в деле конструирования дело важное. И вот какой вариант я увидел в сантехнической теме. Неужели так просто и мощно?
Видео - https://ok.ru/video/3199684643487
https://ok.ru/video/3199684643487

Зубная паста (любая что ли?) + сода + активированный уголь (наверное плюс нагрев).
Пробовал кто нибудь такое?
Надо бы поискать инфу про изготовление такого клея, в подробностях. Ведь клей это не только сантехника))

Оффлайн surfin bird

  • Эксперт
  • *****
  • Сообщений: 2963
  • Поциент-заМКАДыш
    • Surfin Bird
Re: Околокрафтовский флуд
« Ответ #29483 : Мая 21, 2022, 12:48:48 »
Метод тыка показал, шо  увеличение R1 приводит к уменьшению напряжения на выходе схемы. С1 увеличивал до 1мкф, R1 уменьшал аш до 3ком, но более -20В ( на минусе С3) поциенту получить не удалось  :pozor:
« Последнее редактирование: Мая 21, 2022, 13:10:38 от surfin bird »

Оффлайн Alex_SG

  • Живу на форуме
  • *******
  • Сообщений: 7526
  • хейтер и пессимист :crazy:
Re: Околокрафтовский флуд
« Ответ #29484 : Мая 21, 2022, 13:08:58 »
surfin bird,
Напряжение на обмотке сколько вольт по переменке?
Так то схема проверенная, посмотреть хотя бы Ерасова GTA-15

Оффлайн surfin bird

  • Эксперт
  • *****
  • Сообщений: 2963
  • Поциент-заМКАДыш
    • Surfin Bird
Re: Околокрафтовский флуд
« Ответ #29485 : Мая 21, 2022, 13:12:10 »
« Последнее редактирование: Мая 21, 2022, 13:36:23 от surfin bird »

Оффлайн Alex_SG

  • Живу на форуме
  • *******
  • Сообщений: 7526
  • хейтер и пессимист :crazy:
Re: Околокрафтовский флуд
« Ответ #29486 : Мая 21, 2022, 13:19:06 »
Тогда, вероятно, это предел. Там максимум что можно получить это Uобмотки*1,4/4 если я с расчетами не ошибаюсь.

Странно очень с обратным поведением R1...
« Последнее редактирование: Мая 21, 2022, 13:23:19 от Alex_SG »

Оффлайн surfin bird

  • Эксперт
  • *****
  • Сообщений: 2963
  • Поциент-заМКАДыш
    • Surfin Bird
Re: Околокрафтовский флуд
« Ответ #29487 : Мая 21, 2022, 13:35:13 »
А поможет ли увеличить напряжение добавление второго диода с делителем  на другой конец анодной обмотки ( по аналогии со схемой предложенной злыми англицкими радиолюбителям ) ?  :o  Или может получится с удвоителем ?
« Последнее редактирование: Мая 21, 2022, 13:47:16 от surfin bird »

Оффлайн Alex_SG

  • Живу на форуме
  • *******
  • Сообщений: 7526
  • хейтер и пессимист :crazy:
Re: Околокрафтовский флуд
« Ответ #29488 : Мая 21, 2022, 13:48:59 »
Надо просто собрать схему английского радиогубителя с двумя конденсаторами и мостовым выпрямителем. Там без сюрпризов должно получиться как в классической схеме напряжение Uобмотки*1,4 за вычетом падения на конденсаторах. Думаю будет более, чем достаточно.
У схемы с двумя диодами будет Uобмотки*1,4/2 на выходе.

Онлайн Geezer

  • Живу на форуме
  • *******
  • Сообщений: 12748
  • Atypique
Re: Околокрафтовский флуд
« Ответ #29489 : Мая 21, 2022, 14:14:03 »
Подключить стандартный мост с фильтрующим электролитом к обмотке через 2 изолирующих конденсатора - при 1 мкФ Хс каждого на частоте 100 Гц будет 1,6 кОма.
Номинал их можно варьировать, если получится излишек напряжения.