Не совсем в клубе со своим гравером Зубр

Когда брал, был вообще не уверен, что такая штука будет доставаться чаще "раза в год", на попробовать брал, на дремели тогда смотрел, но подумал что уж точно дорогая блажь(см.контекст).
Но, да, всякие вот эти мелкие шарошки-круги отрезные, шлифовальные барабанчики - очень здорово выручают с мелочевкой. Причем, когда оно уже есть на руках, - применение находит самое необычное. Очень короче здорово все.

Да и по большому счету, - платы сверлятся норм. Предполагаю, качественно лучше будут зажиматься сверла с толстым хвостовиком.
Но, во-первых, твердосплавной инструмент более капризный, как я понял, нужно очень все фиксировать, максимальная концентрация в процессе и т.д.
А во-вторых - перпендикулярность подачи, что очень хорошо как для инструмента, так и для результата.
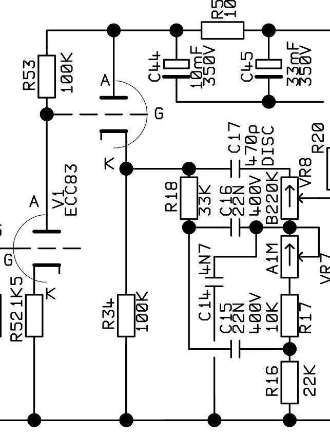
Засим зачесалось попробовать министаночек сделать. Простенькие направляющие у меня были. Заказал двигатель, ER патрон, цангу 3.175(важно брать четко в калибр инструмента, иначе гемор и портится цанга). Ну и так по мелочи. Посмотрим, что выйдет.
