Автор Тема: Околокрафтовский флуд  (Прочитано 2870917 раз)

Geezer, Jackson Николаевич и 15 Гостей просматривают эту тему.

Оффлайн AZG Автор темы

  • Живу на форуме
  • *******
  • Сообщений: 95736
  • Санкт-Петербург
    • AZG CUSTOM
Re: Околокрафтовский флуд
« Ответ #41430 : Июня 28, 2024, 12:12:02 »
Geo1, Если герметичность не потеряли, то обычно живые.

Оффлайн Geo1

  • Эксперт
  • *****
  • Сообщений: 2502
  • Нас гитаристов двое----- Я да Хендрикс
Re: Околокрафтовский флуд
« Ответ #41431 : Июня 28, 2024, 12:13:53 »
Alex_SG,
Понятно… в помойку  :)

Оффлайн Alex_SG

  • Живу на форуме
  • *******
  • Сообщений: 7526
  • хейтер и пессимист :crazy:
Re: Околокрафтовский флуд
« Ответ #41432 : Июня 28, 2024, 12:16:59 »
Geo1, Ну я бы не был столь категоричен. Для запуска движков по сочетанию цена/качество (при условии, что объём не важен) пока ничего лучше не придумали. Пусковые кондёры реально много стоят.

Оффлайн Валентин Гаврилов

  • Эксперт
  • *****
  • Сообщений: 2471
  • Long live Rock-n-Roll !!
Re: Околокрафтовский флуд
« Ответ #41433 : Июня 28, 2024, 13:31:47 »
Geo1, МБГО для хай-эндной тематики не катят вообще .  МБГЧ  редко ,но используют .  Как пусковые ещё куда ни шло , как Азнаур выше написал .   

Оффлайн iZEP

  • Живу на форуме
  • *******
  • Сообщений: 21109
  • .._ .__. .. __.. _.. .._
Re: Околокрафтовский флуд
« Ответ #41434 : Июня 28, 2024, 13:38:06 »
 кто с акустическими системами возится, полезно ими... Это проверенные

Оффлайн Spero_In_Inteligo

  • Живу на форуме
  • *******
  • Сообщений: 8977
  • Код пишу, на досуге на проволоку нажимаю.
Re: Околокрафтовский флуд
« Ответ #41435 : Июня 28, 2024, 20:26:16 »
:o ета как?

А вот так 8)

Сидит "жертва ЕГЭ", осознает что ЕГЭ просвечивает. Пишет мысль. просит бота оформить в деловой вид. И вот уже по ту сторону почтового ящика/мессенджера вполне респектабельный человек.

(нажмите чтобы показать/спрятать)

...Про отсутствие уважения обычно всегда заявляют те , кто в душé уже давно понял что уважения не заслуживает :sarcastic:

угу. плюс к этому, через какое-то время разлом в общении/культуре будет еще более заметен - основанный на дегенеративных моделях с одной стороны, и человеческому с другой. Ну, из тех кто уцелеет ментально в смысле ;D

Оффлайн Лёха2009

  • Эксперт
  • *****
  • Сообщений: 1256
Re: Околокрафтовский флуд
« Ответ #41436 : Июня 29, 2024, 12:34:20 »
Подскажите а есть какие нибудь хорошо звучащие транзисторные усилки откуда можно выдернуть схему преда?
Хотел вроде делать чисто оконечник, а сейчас подумал, а может тогда уж клин канал какой прикрутить, аля чамп с крутилками тон и громкость.

... и добавил:

Вроде где то про Vox транзисторные если ничего не путаю читал, хвалили.

... и добавил:

В общем чтоб не ломать мозг, оставим родной клин, три переменника получается всего, отлично.

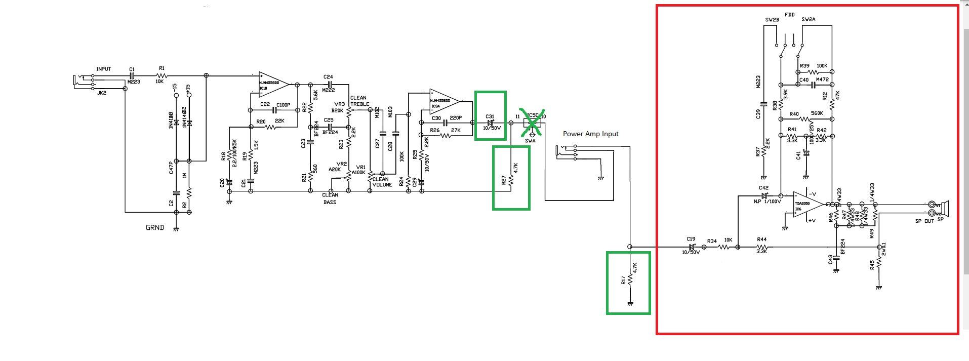
Вырезал грязный канал, нужно ли выкидывать обведенное зеленым?
Резисторы R27,17 висели на выводах микрухи IC5. Воткнул гнездо на вход преампа.
Обведенное красным это что имеется на плате УМ.
(нажмите чтобы показать/спрятать)
« Последнее редактирование: Июня 30, 2024, 04:05:23 от Лёха2009 »

Оффлайн Alex_SG

  • Живу на форуме
  • *******
  • Сообщений: 7526
  • хейтер и пессимист :crazy:
Re: Околокрафтовский флуд
« Ответ #41437 : Июня 30, 2024, 04:04:59 »
Лёха2009, нет, не выкидывай, без них щёлкать будет как минимум.

Оффлайн Лёха2009

  • Эксперт
  • *****
  • Сообщений: 1256
Re: Околокрафтовский флуд
« Ответ #41438 : Июня 30, 2024, 04:06:41 »
Alex_SG, так я грязный вырезал, только чистый остается, IC5 не будет.

Оффлайн Alex_SG

  • Живу на форуме
  • *******
  • Сообщений: 7526
  • хейтер и пессимист :crazy:
Re: Околокрафтовский флуд
« Ответ #41439 : Июня 30, 2024, 04:11:40 »
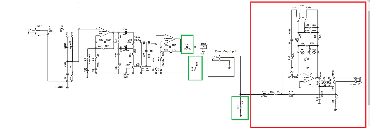
Лёха2009, Загружай схему в нормальном разрешении, что-ли. Ничерта обозначения не видно даже в масштабе 1:1 по версии грёбаного постимиджа.
Чисто электрически на той картинке сейчас всё ОК.

Оффлайн Лёха2009

  • Эксперт
  • *****
  • Сообщений: 1256
Re: Околокрафтовский флуд
« Ответ #41440 : Июня 30, 2024, 06:18:08 »
Вот.

Оффлайн Alex_SG

  • Живу на форуме
  • *******
  • Сообщений: 7526
  • хейтер и пессимист :crazy:
Re: Околокрафтовский флуд
« Ответ #41441 : Июня 30, 2024, 06:20:15 »
Лёха2009, Лучше то не стало, такие-же не читаемые в большинстве своём надписи. Впрочем, выше я уже сказал - собирай.

Оффлайн Umnick

  • Опытный
  • ****
  • Сообщений: 737
  • Генератор бреда
Re: Околокрафтовский флуд
« Ответ #41442 : Июня 30, 2024, 14:02:21 »
Ничего удалять не надо

Оффлайн FINikk

  • Ветеран форума
  • ******
  • Сообщений: 4576
  • Санкт-Петербург
Re: Околокрафтовский флуд
« Ответ #41443 : Июля 01, 2024, 17:37:35 »
приехали платы с али spcb  ...  9 дней в пути
кот понюхал
и сказал что
это контрабандный товар  :crazy: ;D но качество вроде норм



(нажмите чтобы показать/спрятать)


... и добавил:

вкладыш в посылке был
полиглоты есть ?
чо там они пишут..набирать текст в переводчике муторно.. оч дл. текст


« Последнее редактирование: Июля 01, 2024, 20:49:03 от FINikk »

Оффлайн Cornhol

  • Завсегдатай
  • ***
  • Сообщений: 391
Re: Околокрафтовский флуд
« Ответ #41444 : Июля 01, 2024, 21:22:08 »
чо там они пишут..
Ничего интересного, выпрашивают хороший отзыв с парой фоток плат. А взамен предлагают купон на скидку в 1$, если пришлёшь им скрин отзыва.