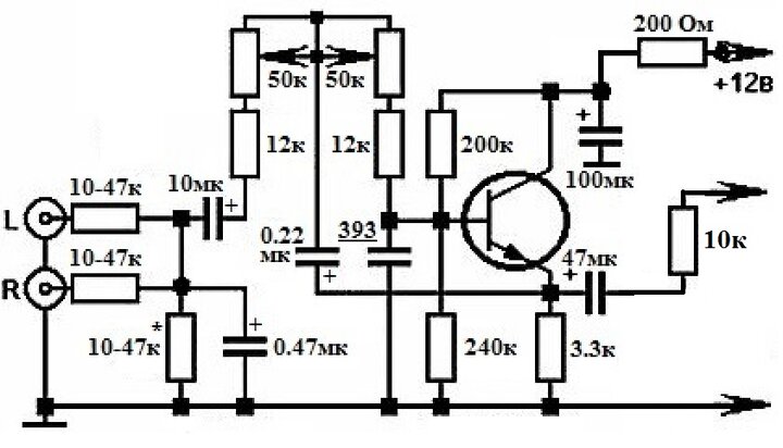
Сигнал подаём с ползунка крутидки на In+.
Землю сигнала подаём само собой на землю, In- так же соединяем с землёй.
Нижний вывод крутилки на землю, на верхний подаём сигнал из внешнего мира.
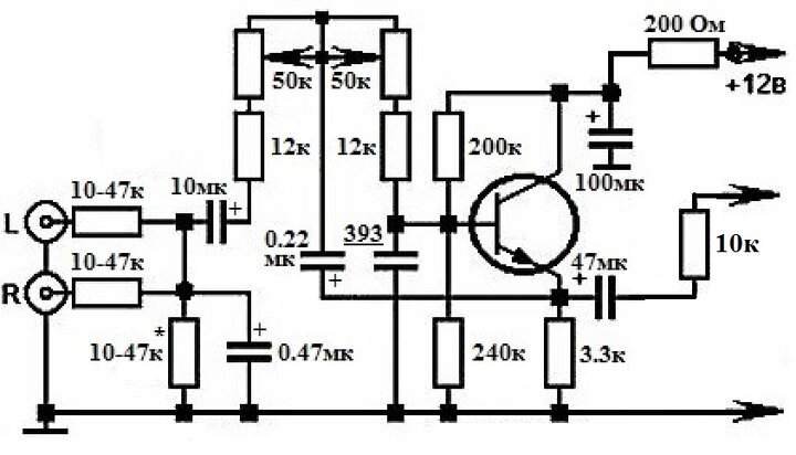
Уфф, вроде понятно обрисовал. Ну короче тут стандартный баллансный вход микросхемы на которыйй мы подаём небаллансный сигнал
... и добавил:Резисторы и конденсаторы что по входам микры на рисунке рекомендую оставить, а то, что я назвал In+ In- будет левыми по схеме контактами конденсаторов. А то может не взлететь. Кто знает чего там внутри микры
