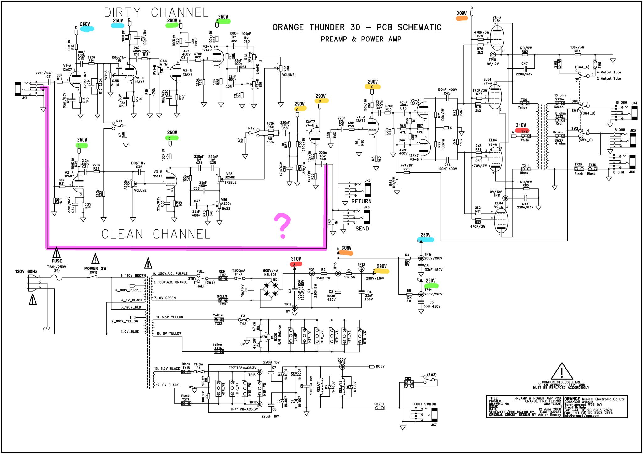
Камрады не корректную картинку выложили.
Вот:
i.jpgКогда пестик попадает в тычинку, то верхние на рисунке контакты отходят от нижних.
При этом верхние подпружиненные контакты замыкаются с соответствующими контактами джека, а нижние повисают в воздухе.
Ферштэйн?
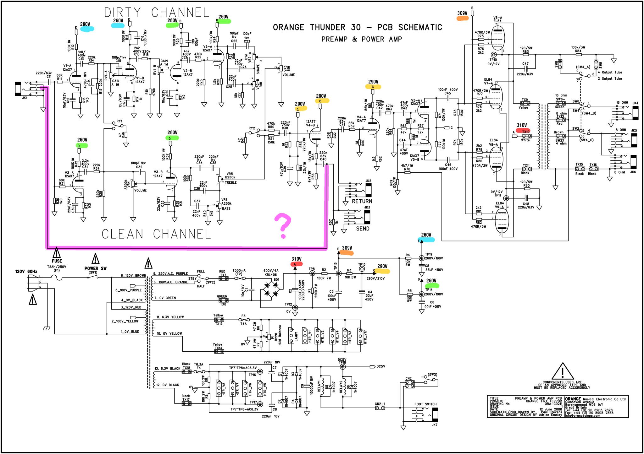
Безымянный3.jpgПока джек не вставлен все три пары контактов замкнуты друг с другом.
Давно хотел попробовать 6П6С...
Взял на Авито мешок 1973 года. Погонял на своём диагностическом стенде в щадящем режиме.
Разброс токов - 4мА. Жалко, одна лампа - с пониженной эмиссией. Получилось 4 пары с токами один- в один
