Автор Тема: Околокрафтовский флуд  (Прочитано 2825240 раз)

0 Пользователей и 29 Гостей просматривают эту тему.

Оффлайн MoP

  • Новичок
  • *
  • Сообщений: 91
  • GuitarPlayer.Ru fan!
Re: Околокрафтовский флуд
« Ответ #9240 : Июля 26, 2016, 23:04:07 »
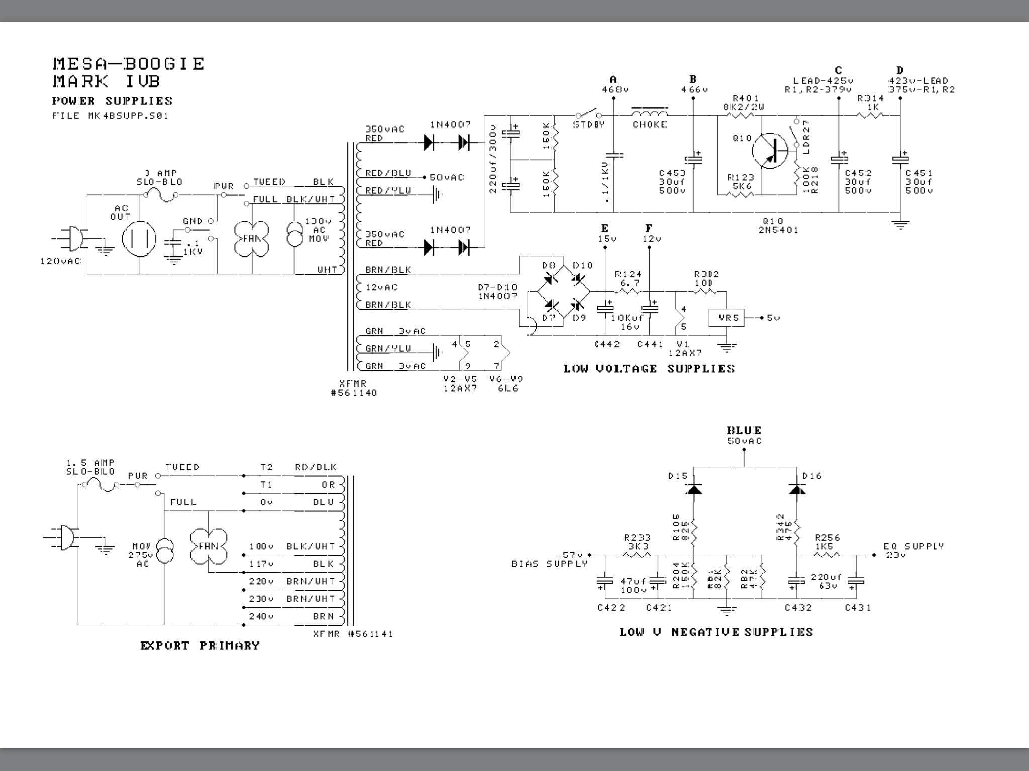
Экранированный провод двухжильный. Экран и одна из жил припаяны к замле только с одной стороны.
Питание сделано так- трансформатор-диодный мост-кондеры-дроссель. В общем все как на схеме.
« Последнее редактирование: Июля 26, 2016, 23:06:31 от MoP »

Оффлайн Tander

  • Ветеран форума
  • ******
  • Сообщений: 3732
    • Efremoff
Re: Околокрафтовский флуд
« Ответ #9241 : Июля 26, 2016, 23:05:50 »
После дросселя есть конденсатор на 10-22uF?

Оффлайн MoP

  • Новичок
  • *
  • Сообщений: 91
  • GuitarPlayer.Ru fan!
Re: Околокрафтовский флуд
« Ответ #9242 : Июля 26, 2016, 23:07:03 »
Добавил схему.
Самые первые конденсаторы у меня не 220мкф, а 330мкф. Осциллограф показывает на них "пилу".
« Последнее редактирование: Июля 26, 2016, 23:09:07 от MoP »

Оффлайн Oldvist

  • Опытный
  • ****
  • Сообщений: 983
Re: Околокрафтовский флуд
« Ответ #9243 : Июля 26, 2016, 23:08:42 »
Мужики, не забывайте, что усилитель у человека когда-то совсем недавно работал, но после грозы издох транс. Был заменен на другой. И тут начались проблемы. Может, дело в трансе?...

Оффлайн MoP

  • Новичок
  • *
  • Сообщений: 91
  • GuitarPlayer.Ru fan!
Re: Околокрафтовский флуд
« Ответ #9244 : Июля 26, 2016, 23:09:49 »
Транс нашёл другой (пока временно).

Оффлайн sammm

  • Завсегдатай
  • ***
  • Сообщений: 292
Re: Околокрафтовский флуд
« Ответ #9245 : Июля 27, 2016, 01:06:11 »
MoP, и что?

Оффлайн Землячёк

  • Эксперт
  • *****
  • Сообщений: 1304
  • В совершенстве владею 5-ю гитарами. Как владелец.
Re: Околокрафтовский флуд
« Ответ #9246 : Июля 27, 2016, 08:03:16 »
Добавил схему.
Самые первые конденсаторы у меня не 220мкф, а 330мкф. Осциллограф показывает на них "пилу".

Размах пилы какой? Диоды в мосту и кондеры проверял?

Оффлайн MoP

  • Новичок
  • *
  • Сообщений: 91
  • GuitarPlayer.Ru fan!
Re: Околокрафтовский флуд
« Ответ #9247 : Июля 27, 2016, 08:44:40 »
Диоды с кондерами целые. Размах пилы - от -0.3 до +0.3в, но она почему-то "прыгает" вверх-вниз.

Оффлайн Валентин Гаврилов

  • Эксперт
  • *****
  • Сообщений: 2441
  • Long live Rock-n-Roll !!
Re: Околокрафтовский флуд
« Ответ #9248 : Июля 27, 2016, 08:55:17 »
"Прыгающая пила" -это нормально . Да и размах напряжения пульсаций "похож на правду".   От питания фон 100Гц ,а у вас  вроде как 50-гц .  Или наводки от транса ,или накальные цепи . Но вы писали ,что накал постоянкой запитали.

Оффлайн Tander

  • Ветеран форума
  • ******
  • Сообщений: 3732
    • Efremoff
Re: Околокрафтовский флуд
« Ответ #9249 : Июля 27, 2016, 10:55:18 »
У кого-то есть схема данного преампа?
а то в нете какой-то треш только...

Оффлайн guitarjfet

  • Ветеран форума
  • ******
  • Сообщений: 4760
Re: Околокрафтовский флуд
« Ответ #9250 : Июля 27, 2016, 11:25:12 »
Tander, у меяна хде-то была, вроде... Надоть вечерком посмотреть.
А шо там гугл кажет?  :hmmm:

Оффлайн MoP

  • Новичок
  • *
  • Сообщений: 91
  • GuitarPlayer.Ru fan!
Re: Околокрафтовский флуд
« Ответ #9251 : Июля 27, 2016, 12:01:32 »
Здравствуйте, выше писал что записал накал постоянкой. сегодня решил посмотреть осциллографом, а там синусоида, промерял вольтметром - там пол Вольта переменки. Как такое может быть. Накал выпрямляется мостиком, затем конденсатор 2200мкф.  Когда меряю там 6 вольт постоянки и 0.5 вольта переменки. Может из-за этого фонит. 50гц.

Оффлайн iZEP

  • Живу на форуме
  • *******
  • Сообщений: 21049
  • .._ .__. .. __.. _.. .._
Re: Околокрафтовский флуд
« Ответ #9252 : Июля 27, 2016, 12:14:17 »
MoP, стало быть обмотка не отдаёт мгновенной мощности, на подпитку кондёра не остаётся,
+на мостике падает... Шоттки поставь может поможет

Оффлайн MoP

  • Новичок
  • *
  • Сообщений: 91
  • GuitarPlayer.Ru fan!
Re: Околокрафтовский флуд
« Ответ #9253 : Июля 27, 2016, 12:49:38 »
Нет возможности достать такие диоды. Можно по подробнее почему такое происходит. Раньше никогда не сталкивался.

Оффлайн Oldvist

  • Опытный
  • ****
  • Сообщений: 983
Re: Околокрафтовский флуд
« Ответ #9254 : Июля 27, 2016, 13:04:14 »
MoP, а ты не постоянкой питай, а дай на накал положительный потенциал вольт 30-40. Сделай простой делитель на двух резисторах и с него на накал.

А пол-Вольта переменки получилось так как в то время, когда полуволны спадают и поднимаются, накал питается от заряда конденсатора. Чтобы такого не было накал питают не просто выпрямителем с конденсатором, а еще и стабилизатор навешивают.