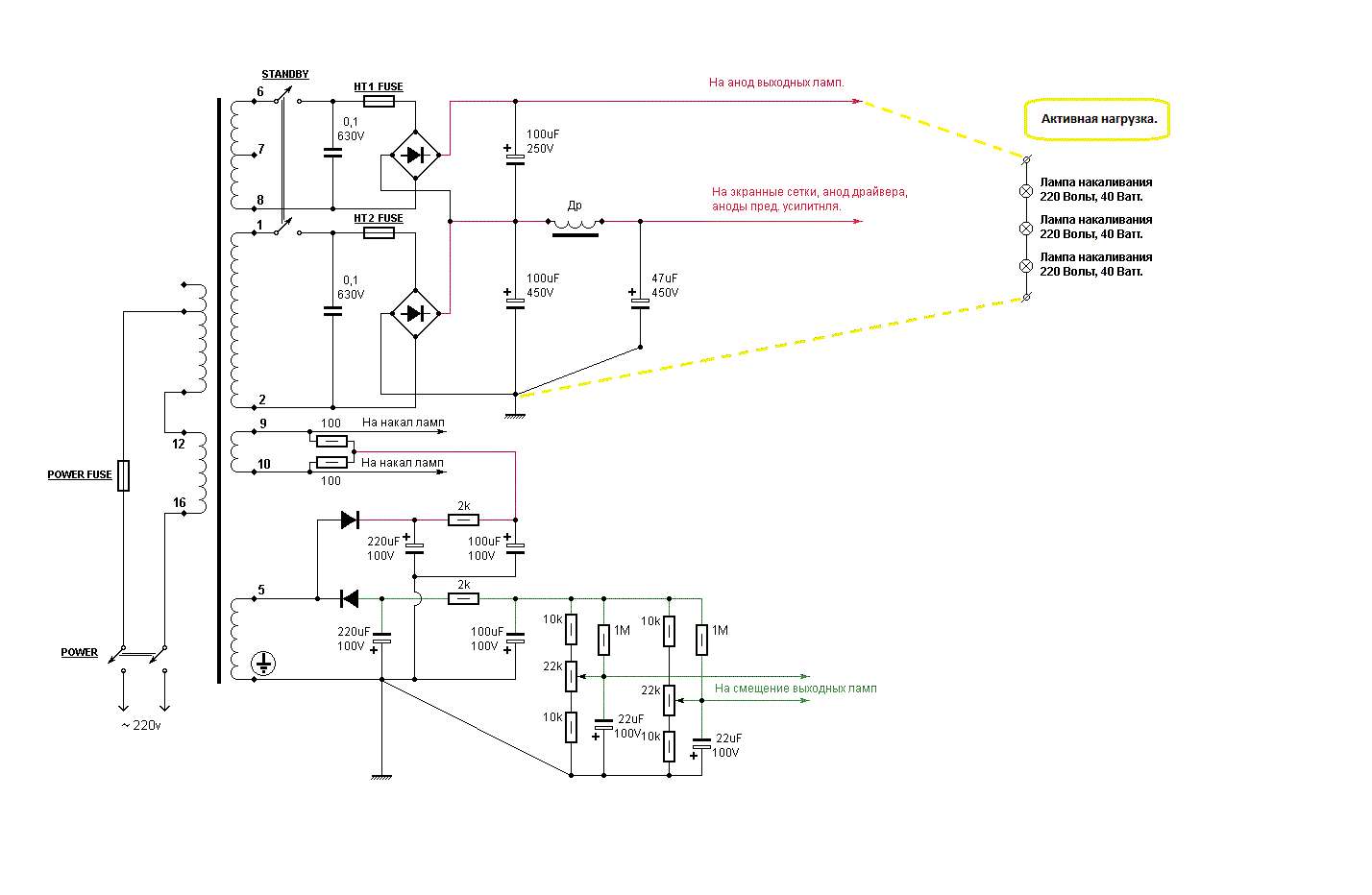
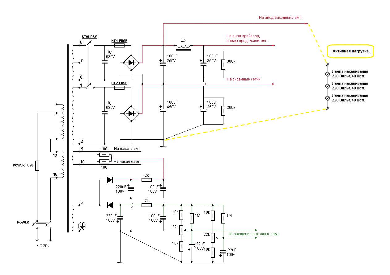
Ну, давайте посчитаем. Предположим имеет быть минимальное потребление тока по этой цепи. По расчётам, при номинальном напряжении в сети 220 Вольт, в этой точке может быть до +460 Вольт. Предположим, что напряжение в сети "скакнуло" в верх на 10% (такое случается сплошь и рядом), тогда в точке где "сидит" "плюс" нашего составного конденсатора может оказаться порядка 510 Вольт!!! В принципе, все электролитические конденсаторы должны иметь некий, небольшой запас по максимальному рабочему напряжению...., а ежёли его не много..., или совсем нет. Тогда будет - БА-БА-Х.... Скорее всего не будет, но лучше не рисковать.
На будущее, всегда закладывайтесь при расчётах на рабочее напряжение электролитических конденсаторов на 20% больше, как минимум, и будет Вам счастье.
Ну, а теперь решайте сами - ставить конденсатор с рабочим напряжение на 500 Вольт..., или нет?
Можно поставить этот вопрос по другому - выдержит наш кондёр на 500 Вольт экстремальные условия или не выдержит..., бахнет или не бахнет..., прокатит или не прокатит....
