Автор Тема: Orange valve tester Divo vt-1000 ламповый испытатель (тестер)  (Прочитано 4573 раз)

0 Пользователей и 1 Гость просматривают эту тему.

Оффлайн Dr.Velzevul Автор темы

  • Новичок
  • *
  • Сообщений: 39
  • +79677265007 Самара
Доброго времени суток друзья! На просторах интернета увидал  замечательнейшую штуковину как испытатель ламп от orange c не демократичной цено в 45 тыр. Итак что он может наш микропроцессорный, если я правильно понимаю, другОПИСАНИЕ ORANGE AMPLIFIERS DIVO VT1000 VALVE TESTER
Новый процессорный тестер ламп DIVO VT 1000 Valve Tester от компании Orange – находка для поклонников лампового звучания. Это устройство способно мгновенно проверить различные лампы усилителей и предусилителей на работоспособность и произвести профессиональную оценку в автоматическом режиме. Тестер предназначен для проверки ламп:
EL34/6CA7
EL34L
6L6
6V6/6v6GTA
KT66
KT77
KT88
6550
5881
EL84/6BQ5
ECC81/12AT7
ECC82/12AU7
ECC83/12AX7
ECC99
12BH7
В считанные секунды тестер Orange DIVO VT 1000 Valve Tester произведен проверку по следующим параметрам:
Тест проволочного нагревателя на короткое замыкание
Тест проволочного нагревателя на обрыв в цепи
Тест проволочного нагревателя на выносливость
Утечка между нагревателем и катодом
Короткое замыкание между нагревателем и катодом
Тест на нарушения в токе нагревателя
Фактор усиления
Коэффициент усиления напряжения
Коэффициент усиления мощности
Тест анодной сетки
Тест взаимной проводимости
Двойной тест на двойные триоды
Электронная эмиссия
Взаимная электродная утечка
Взаимное электродное короткое замыкание
Искрение дугового заряда
Высоковольтный пробой
Тест на ионизацию газа

Неплохо, да если все это правда, что он умеет делать, да при таких размерах, вопрос следующий, кто-нибудь видел, имел дело с ним, а то и не дай бог может схему срисовал, велком на обсуждение, очень хочу собрать данный девайс!
« Последнее редактирование: Декабря 27, 2015, 23:35:49 от Dr.Velzevul »

Оффлайн banzai-che

  • Эксперт
  • *****
  • Сообщений: 1071
Я конечно все понимаю, но показометр хорошо/плохо, пусть даже умный, за ценник недорогого цифрового осцилла? Ладно бы он еще пары подбирать умел  :hmmm:

Оффлайн Dr.Velzevul Автор темы

  • Новичок
  • *
  • Сообщений: 39
  • +79677265007 Самара
Так вроде как умеет, если учесть какие параметры он тестирует, на основании показаний, видимо и пары подобрать можно.

Оффлайн Dying Fetus

  • Moderator
  • *****
  • Сообщений: 10309
  • DIYng Fetus
    • http://cathar.ru
видимо мерит несколько значений токов и разных анодках, считает крутизну и сравнивает с "идеальными" из памяти. сомневаюсь, что там что-то сложнее

Оффлайн Dr.Velzevul Автор темы

  • Новичок
  • *
  • Сообщений: 39
  • +79677265007 Самара
Да ну фиг знает, может и так, хотя две 9 пиновых панельки для ламп, как бы намекают, на сравнение их характеристик между собой. А основа прибора скорее всего и впрямь такова, в память должны быть само собой занесены какие-то данные для сравнения-это логично.

... и добавил:

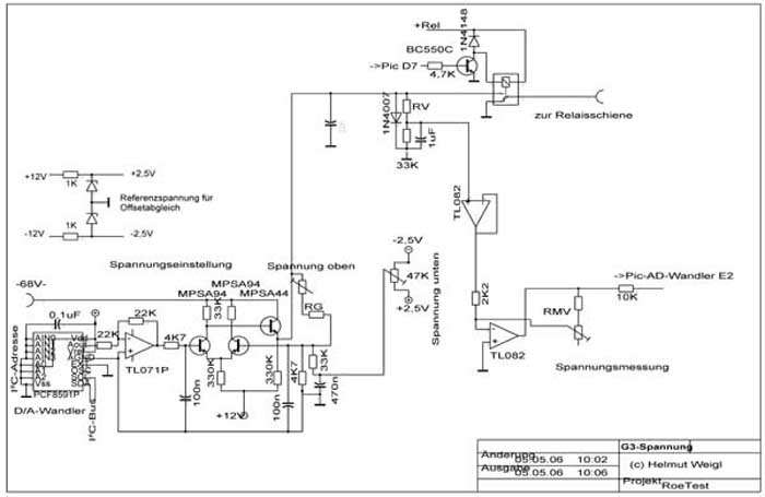
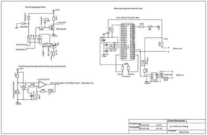
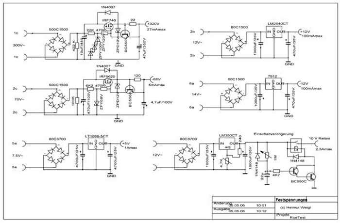
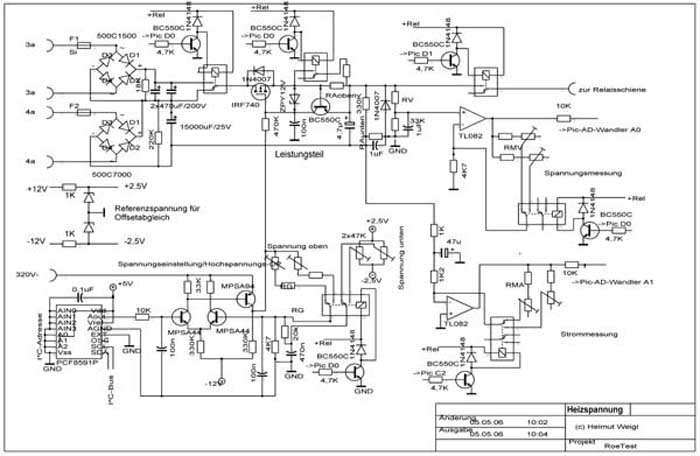
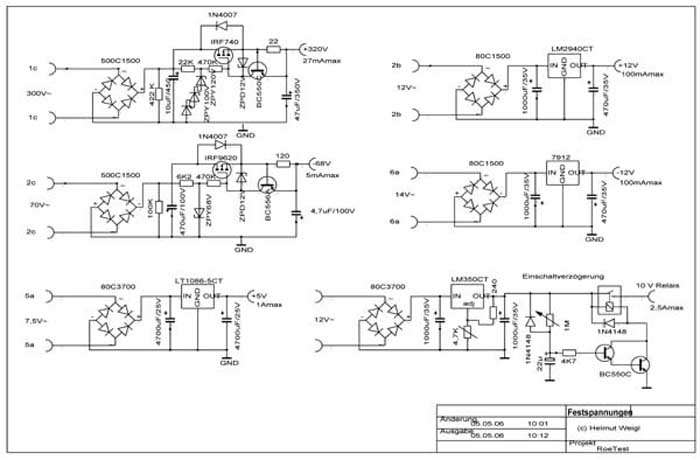
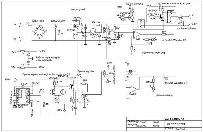
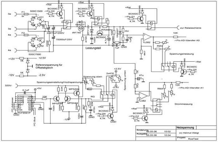
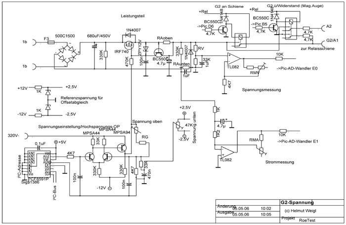
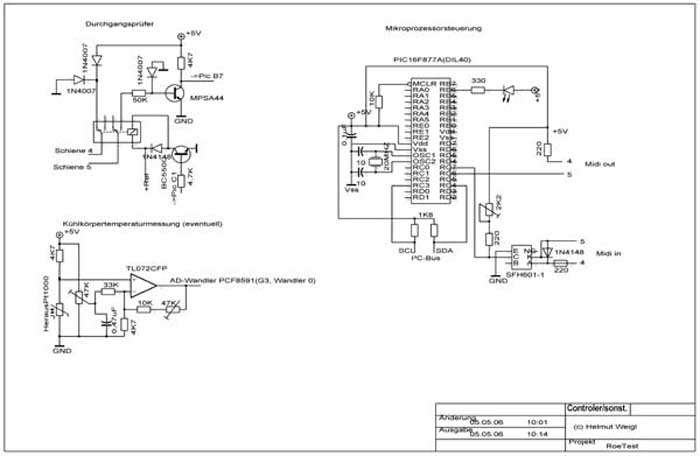
Вот кстати прибор посерьезней! http://www.jogis-roehrenbude.de/Roehren-Geschichtliches/Roe-Pruefer/Computer-Roe-Pruef-und-Messgeraet-Helmut-Weigl/ROETEST1.htm
« Последнее редактирование: Декабря 28, 2015, 10:22:08 от Dr.Velzevul »

Оффлайн bottle

  • Ветеран форума
  • ******
  • Сообщений: 6388
  • решил включить дурачка
Dying Fetus, сам ты меришь! Прибор измеряет! >:(

Оффлайн Dr.Velzevul Автор темы

  • Новичок
  • *
  • Сообщений: 39
  • +79677265007 Самара
Bottle, а по теме?

Оффлайн bottle

  • Ветеран форума
  • ******
  • Сообщений: 6388
  • решил включить дурачка
Bottle, а по теме?
Было бы что сказать по теме, сказал бы ;D

Оффлайн Dying Fetus

  • Moderator
  • *****
  • Сообщений: 10309
  • DIYng Fetus
    • http://cathar.ru
Dr.Velzevul, над 9пиновыми почитай, что написано  :hmmm:

bottle, уууу, грамар-наци  >:(

Оффлайн bottle

  • Ветеран форума
  • ******
  • Сообщений: 6388
  • решил включить дурачка
...
bottle, уууу, грамар-наци  >:(
Как будто в этом есть что-то плохое :(

Оффлайн banzai-che

  • Эксперт
  • *****
  • Сообщений: 1071
Dr.Velzevul, именно оранж, как я понял, показывает именно нормуль/ненормуль, и на этом все.
С мощными лампами не знаю, но для предовых тестилку на ардуине смастрякать проблемой быть не должно.

В простейшем случае мне видится так: сначала проверить все со всем на предмет кз, потом подать накал, замерить его ток, потом анодку (и если мы всякие "высоковольтный пробой", "тест на ионизацию газа" не проверяем, так и напряжение последней можно взять любое), потом напряжение на сетку и подцепляя разные делители на вход измерять что твориться на аноде. В память девайса можно залить нормальные показания и моргать светодиодами, ну и по usb в комп можно данные слать.

Оффлайн Dying Fetus

  • Moderator
  • *****
  • Сообщений: 10309
  • DIYng Fetus
    • http://cathar.ru
banzai-che, всяких тестов можно огого сколько придумать. главное определиться, по каким параметрам показывать - хорошо или нет

Оффлайн banzai-che

  • Эксперт
  • *****
  • Сообщений: 1071
Dying Fetus, думаю, что конструктивная целостность (отсутствие кз), ток накала (погрешности из даташитов) и вставание в режим при заданных номиналах (картину нормы, что б не морочиться, составить статистически) уже даст более-менее показательную картину.

С другой стороны, что скрывается под "Тест проволочного нагревателя на выносливость" у оранжа мне не понятно. Но если иметь на руках программируемый девайс способный измерять все точки обычного каскада, то постепенно можно что-то в тестовую программу и добавить, мы ж вроде не разработку промышленного девайса обсуждаем =)

Оффлайн Ден2

  • Ветеран форума
  • ******
  • Сообщений: 4278
Цитировать
Тест проволочного нагревателя на выносливость

Я не знаю, кто как, а я вот ни разу не сталкивался с неисправностью нити накала за последние лет десять.

Оффлайн Dying Fetus

  • Moderator
  • *****
  • Сообщений: 10309
  • DIYng Fetus
    • http://cathar.ru
видимо потребление тока накала проверяют, что он есть