Гы, тишина

Вообщем если кому интересно, то все собрано и работает

С байпасом я заморачиваться не стал - просто нашел точно такую же кнопку, но с фиксацией. А работать педаль отказывалась по весьма банальной причине: в качестве флюса я использовал ТТ гель (такая розовая хреновина для пайки SMD компонентов), так вот послушав то, что пишут на коробке я не стал его смывать (это якобы должно афигенно защищать пайку и все такое). Но в какой-то момент, когда был уже доведен до отчаяния (вытравил новую печатку и собрал все чуть ли не со вторым комплектом деталей), я решил отмыть плату и... все тут же заработало.

По сабжу - педаль очень полезная на выступлениях - чистота и качество! Несмотря на то что сама по себе цепь у меня фонит очень и очень слабо, это совсем другой уровень. Ни свистов, ни фона, ничего! Включена она у меня не постоянно, в основном только во время брейков. Это мой первый шумодав и я был очень удивлен, что педаль заставляет играть гораздо чище, а не наоборот как хотелось бы думать - любые плохо извлеченные ноты он проглатывает

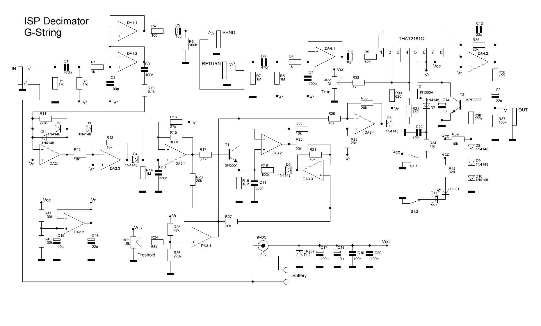
Детали которые использовал:
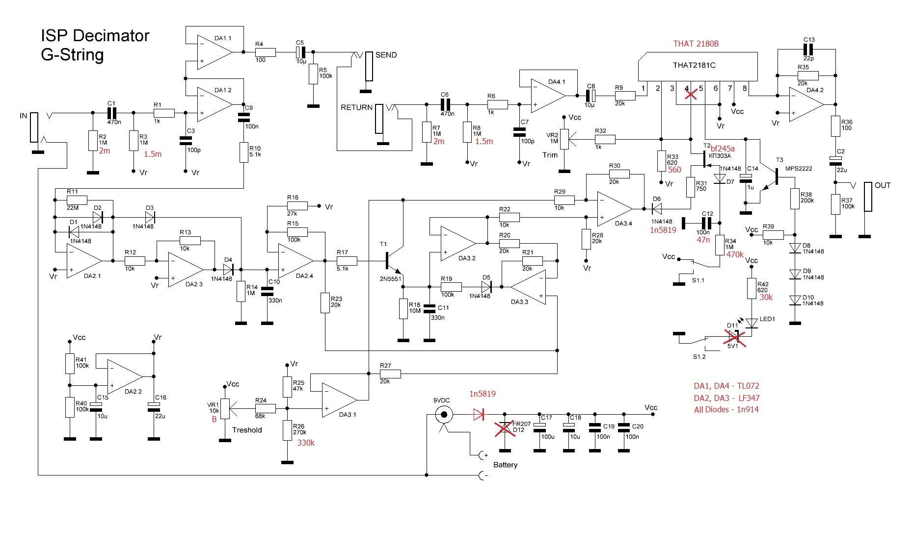
Сдвоенные операционники LF353N, счетверенные LF347N, все диоды кроме D6 и D12, 1N4148, собственно эти два Шоттки 1N5819, причем D12 воткнут в питание последовательно, а не как на схеме. Все остальное так же как на схеме/печатке. Микросхему заказывал у Ерасова.
Печатку и схему взял здесь:
https://guitar-gear.ru/forum/topic/3840-isp-decimator-g-string/P.S. Забавно, что здесь ее постройку еще не освещали
