Автор Тема: Осторожно!! Нуб.  (Прочитано 3133 раз)

0 Пользователей и 1 Гость просматривают эту тему.

Оффлайн Till_Eulenspiegel Автор темы

  • Частый посетитель
  • **
  • Сообщений: 114
Осторожно!! Нуб.
« : Декабря 07, 2011, 14:35:13 »
Есть желание спаять себе комб. Но нет большого желания лезть в схемотехнику.
Техзадание - один, два канала. Чистый не критичен, но явно не помешает.
Море динамики. Вожможность высечь хайгейн с мощным датчиком.
Мощность до 50Вт. Желательно регулируемая. Чтобы не напрягать сильно соседей и дать жару на репе.
Буду благодарен если кто-нибудь ткнет меня фейсом в готовую схему. И даст подсказки по монтажу и подбору комлектации.
Корпус и шаси для меня не проблема. Паяльник в руках держал, но не паял ничего сложнее гитарного темброблока.

Оффлайн runing

  • Живу на форуме
  • *******
  • Сообщений: 12572
  • Киев
Re: Осторожно!! Нуб.
« Ответ #1 : Декабря 07, 2011, 14:53:59 »
Ты это всё серьёзно написал?

Оффлайн Мяталист

  • Ветеран форума
  • ******
  • Сообщений: 5743
  • Будь как все. Собирай JCM 800 и SLO 100
Re: Осторожно!! Нуб.
« Ответ #2 : Декабря 07, 2011, 14:56:30 »
Та да.
Я на первый удачно собранный усилок 5 неудачных макетов собрал и кучу бабла угрохал а тут так сразу.

Оффлайн Ksandr-

  • Эксперт
  • *****
  • Сообщений: 1437
  • хто здесь?!
Re: Осторожно!! Нуб.
« Ответ #3 : Декабря 07, 2011, 15:00:17 »
Есть желание спаять себе комб. Но нет большого желания лезть в схемотехнику.
Техзадание - один, два канала...

я со знанием электротехники и физики полупроводников первый раз не сразу вкурил как бустер на одном транзюке работает, а тут на сразу...

Оффлайн Till_Eulenspiegel Автор темы

  • Частый посетитель
  • **
  • Сообщений: 114
Re: Осторожно!! Нуб.
« Ответ #4 : Декабря 07, 2011, 15:08:37 »
И в деда мороза тоже верю.
Я к тому, что хочу взять проверенную схему оригинального усилителя, а не пытаться что-то моддить и скрещивать.
Если с первого раза не заработает, придется разбираться.

Оффлайн Мяталист

  • Ветеран форума
  • ******
  • Сообщений: 5743
  • Будь как все. Собирай JCM 800 и SLO 100
Re: Осторожно!! Нуб.
« Ответ #5 : Декабря 07, 2011, 15:10:34 »
Осмелюсь предположить, что с такой базой знаний с первого раза точно не заработает.

Оффлайн runing

  • Живу на форуме
  • *******
  • Сообщений: 12572
  • Киев
Re: Осторожно!! Нуб.
« Ответ #6 : Декабря 07, 2011, 15:26:58 »
И в деда мороза тоже верю.

А в Бабу Ягу веришь?

Цитировать
Я к тому, что хочу взять проверенную схему оригинального усилителя, а не пытаться что-то моддить и скрещивать.

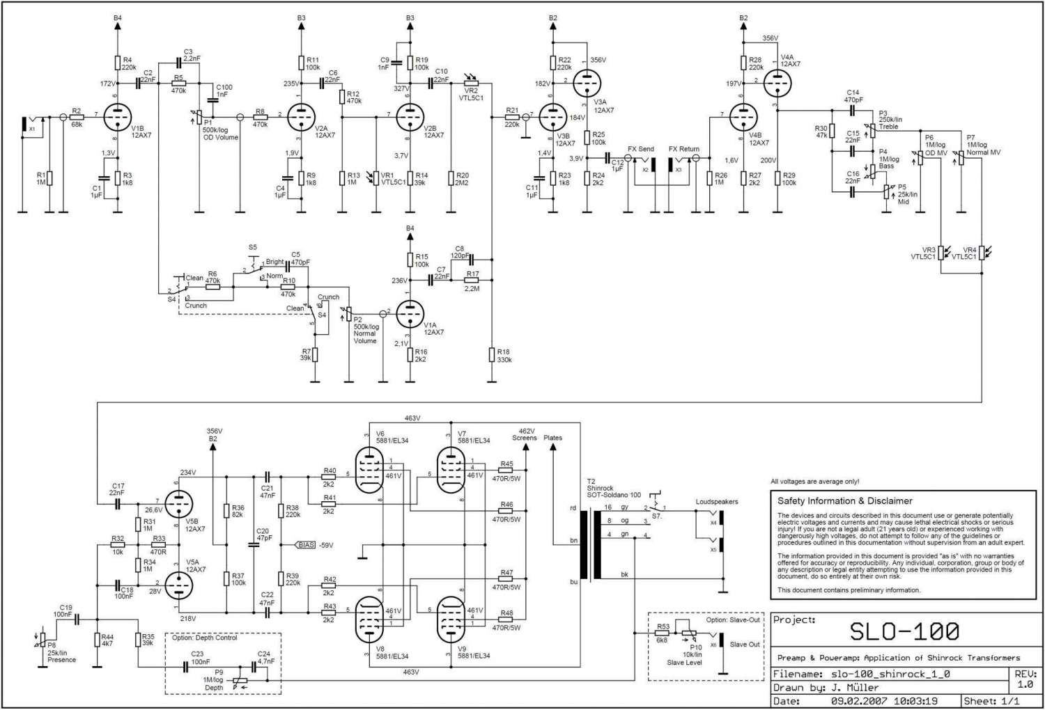
Вот пожалуйста, можешь не разбираться, схема 100% рабочая.

555416-0

Оффлайн Till_Eulenspiegel Автор темы

  • Частый посетитель
  • **
  • Сообщений: 114
Re: Осторожно!! Нуб.
« Ответ #7 : Декабря 07, 2011, 15:27:42 »
Попробую обьяснить. Результат моей первой попытки сделать гитару - испорченное дерево. Но если бы нашелся человек сказавший: "Подгонять склейки фрезером? Ты м.дак? Возьми рубанок, заточи его так и сделай вот так." Результат был бы лучше. Я расчитываю на форум. Учить матчасть - будем учить матчасть. Беру свои слова насчет нежелания ласть в схемотехнику обратно.

Оффлайн runing

  • Живу на форуме
  • *******
  • Сообщений: 12572
  • Киев
Re: Осторожно!! Нуб.
« Ответ #8 : Декабря 07, 2011, 15:42:03 »
Till_Eulenspiegel, по моему я дал тебе схему. Два канала, классика гитарных усилителей. Оригинал стоит 4000$.

Soldano SLO

Оффлайн Till_Eulenspiegel Автор темы

  • Частый посетитель
  • **
  • Сообщений: 114
Re: Осторожно!! Нуб.
« Ответ #9 : Декабря 07, 2011, 15:44:00 »
Если схемы было бы достаточно, тему бы не создал. Я понятия не имею где заказать трансформаторы. Откуда стянуть монтаж или печатку. Я даже не знаю какого типа конденсатор использовать в конкретном месте.

Оффлайн Gunpowder

  • Эксперт
  • *****
  • Сообщений: 1096
Re: Осторожно!! Нуб.
« Ответ #10 : Декабря 07, 2011, 15:46:07 »
Солдано - круто не только для первого, но и для десятого проекта :)

Имхо, стоит собрать МОДС. Причина: звучит отлично и процесс сборки предельно разжеван автором, есть схемы, лейки и даже иллюстрации степени лучащих проводов.
« Последнее редактирование: Декабря 07, 2011, 15:48:21 от Gunpowder »

Оффлайн Child In Time

  • Завсегдатай
  • ***
  • Сообщений: 466
Re: Осторожно!! Нуб.
« Ответ #11 : Декабря 07, 2011, 15:47:50 »
Till_Eulenspiegel,
Если с первого раза не заработает, придется разбираться.
А, возможно, придётся покупать новые дорогостоящие комплектующие, взамен спалённых.

И для начала, посмотри цены на 50-ваттные трансы: http://www.yerasov.ru/shop/product_info.php?cPath=27&products_id=655 . И это только выходник :)

Оффлайн runing

  • Живу на форуме
  • *******
  • Сообщений: 12572
  • Киев
Re: Осторожно!! Нуб.
« Ответ #12 : Декабря 07, 2011, 15:52:38 »
Имхо, стоит собрать МОДС.

Не удовлетворяет техзаданию. Нужно два канала  :hmmm:

Оффлайн Ksandr-

  • Эксперт
  • *****
  • Сообщений: 1437
  • хто здесь?!
Re: Осторожно!! Нуб.
« Ответ #13 : Декабря 07, 2011, 15:53:38 »
а что за "МОДС"?

Оффлайн Till_Eulenspiegel Автор темы

  • Частый посетитель
  • **
  • Сообщений: 114
Re: Осторожно!! Нуб.
« Ответ #14 : Декабря 07, 2011, 15:58:20 »
Чистый, как я сказал, не помешает. Без него я могу обойтись.
50Вт - верхний предел.
Gunpowder, Если ты об этом http://diyfactory.ru/forum/index.php?s=37c8ee6dfb7d5d3fdc52156fc9e2e949&showtopic=484&st=0
то спасибо, уже кое-что.