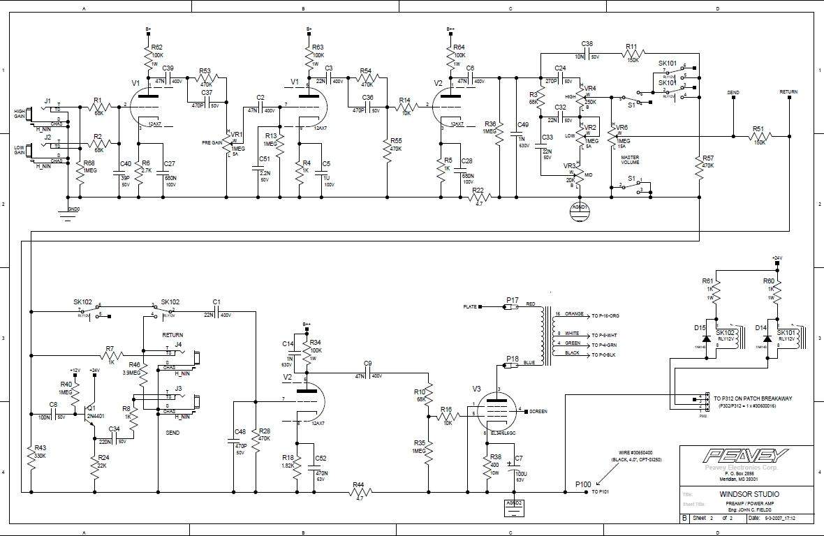
Здравствуйте дорогие форумчане. Нуждаюсь в помощи экспертов для создания мода комбоусилителя Peavey Windsor Studio.
Что требуется:
1. Заменить кондеры, резисторы (пленка, керамика и тд)
2. Увеличить немного гейна в high gain канале
3. Более грамотное реагирование ручек bass, mid, treb (что крутишь, что нет, слабо меняется тон)
Так же, не против и других предложений по моддингу.
Схема
