Автор Тема: Переделка 110 на 220 Marshall JTM310 / схемы, фото / нужна помощь  (Прочитано 2520 раз)

0 Пользователей и 1 Гость просматривают эту тему.

Оффлайн nesposobny Автор темы

  • Новичок
  • *
  • Сообщений: 23
Здравствуйте.
Marshall JTM 30 2x10
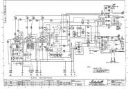
Транс Drake power transformer 1961-166 cудя по схеме универсальный.
Фотки ниже.

... и добавил:

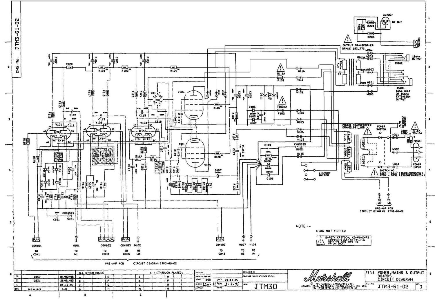
Схема.
Каричневый и синий провода, которые идут от сети к кнопке Power, а потом на трансформатор - соеденены (см фото).


... и добавил:

Сейчас там сделан вход на транс - 2 на 110 В. А судя по схеме, мне нужно пустить туда 1 на 220В. Следовательно убрать лишнюю пару проводов (синий и каричневый) и на входе транса сделать бридж на центральных клеммах (соеденить центральные клеммы, см фото). Ну и заменить предохранитель на Mains Fuse на T1.6A. Я все правильно понял???

... и добавил:

Не дождался ответа. Попробовал. Все получилось.
« Последнее редактирование: Декабря 17, 2013, 13:33:56 от nesposobny »

Оффлайн bottle

  • Ветеран форума
  • ******
  • Сообщений: 6388
  • решил включить дурачка
...
Не дождался ответа. Попробовал. Все получилось.
Вот всегда бы так :D

Оффлайн Евгений Котляревич

  • Новичок
  • *
  • Сообщений: 2
  • GuitarPlayer.Ru fan!
Спасибо автору! Сегодня по его инструкциям переделал питание на своём 310.

Оффлайн sabaneev

  • Опытный
  • ****
  • Сообщений: 597
А у меня сейчас 310-й на 220V. Но выставил его на продажу. Хочу притащить с ибея JTM 60 2х12" На шестидесятках функционала поболее, да и на ёлках он, вродь как ближе это к маршам. Задал вопрос одному продавцу с ибея, по поводу мультивольтажности транса. Тот в свою очередь кинул запрос в представительство маршалла в сша, с просьбой пробить по серийнику.
Ответ:
Цитировать
Thanks for your request. Unfortunately we don’t really deal with overseas voltages, as we are only the USA distributor for Marshall. The schematics look like the can be converted inside to run on 110 or rewired to use 220V
  Она чё Михалыч  ;D

Ну и собственно вопрос к клубням: Если всё таки пролёт с трансом выйдет, можно ли что-то заказать  приличное (на 220) для JTM 60? Схема-то вообще есть на него?
пс. Кст, на большинстве шестидесяток, не дрейки, а дегнеллы стоят. По выходным трансам, грустно это, или не?
За ранее спасибо всем ответившим.
« Последнее редактирование: Октября 14, 2014, 21:42:43 от sabaneev »

Оффлайн AZG

  • Живу на форуме
  • *******
  • Сообщений: 95541
  • Санкт-Петербург
    • AZG CUSTOM
sabaneev, Не страдай, 5881 тоже вполне Маршалловская лампа. Реально много аппарата с ней выпускалось.

И Маршалла тех лет, сколько видел, переключаемые.

Оффлайн Dying Fetus

  • Moderator
  • *****
  • Сообщений: 10308
  • DIYng Fetus
    • http://cathar.ru
AZG, пусть страдает  :gitler:

Оффлайн Bazometr

  • Новичок
  • *
  • Сообщений: 17
Приветствую. Кто-нибудь в курсе, в jtm-312 для Японского рынка переключаемый транс?

Оффлайн AZG

  • Живу на форуме
  • *******
  • Сообщений: 95541
  • Санкт-Петербург
    • AZG CUSTOM
Bazometr, Там ВСЕГДА переключаемый транс.

Оффлайн Bazometr

  • Новичок
  • *
  • Сообщений: 17
AZG,  Понял, спасибо. Едет ко мне сей аппарат. Ну и спрошу уж коль здесь... Где-то на забугорном форуме вычитал, мол ставят в них вентилятор. Типа плата греется от ламп. Имеет ли смысл подобный мод?

Оффлайн AZG

  • Живу на форуме
  • *******
  • Сообщений: 95541
  • Санкт-Петербург
    • AZG CUSTOM
Bazometr, Да, там расположение мощных ламп спорное и вентилятор вполне может помочь если ну совсем сильный нагрев. Но надо смотреть по реалии у конкретного аппарата.