Автор Тема: Переделываем немца MV3 в Orange Tiny Terror  (Прочитано 4306 раз)

0 Пользователей и 1 Гость просматривают эту тему.

Оффлайн AZG

  • Живу на форуме
  • *******
  • Сообщений: 95680
  • Санкт-Петербург
    • AZG CUSTOM
Не, тут винтаж просится, притом под чистый. Трансы как бы то, что надо. Можешь еще Велосет собрать, тоже супер!

Оффлайн Billy_Rock Автор темы

  • Опытный
  • ****
  • Сообщений: 651
Этот винтаж оценят у нас тут в городе два человека - первый - это я, а второй - это мое отражение в хромированных деталях ампа)

Чем 800-й плох на елках?

Оффлайн AZG

  • Живу на форуме
  • *******
  • Сообщений: 95680
  • Санкт-Петербург
    • AZG CUSTOM
Слишком колючий, плюс выходник широковат для такого звука.

Оффлайн Billy_Rock Автор темы

  • Опытный
  • ****
  • Сообщений: 651
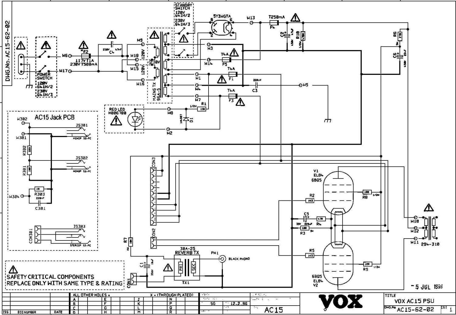
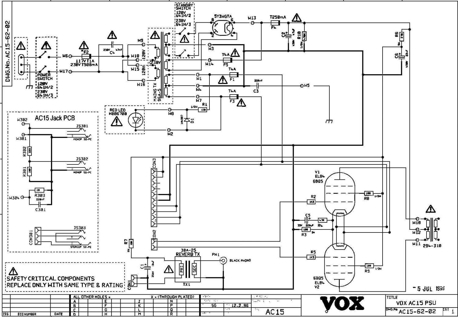
то есть вокс.... а есть нормальная схема навскидку? а то схематикхэйвен закрыли......(

Оффлайн Dying Fetus

  • Moderator
  • *****
  • Сообщений: 10324
  • DIYng Fetus
    • http://cathar.ru
Billy_Rock, тебе уже сказали несколько)

Оффлайн jdanin

  • Эксперт
  • *****
  • Сообщений: 1098
а продать ты его не хочешь? ;)

Оффлайн Silver63

  • Завсегдатай
  • ***
  • Сообщений: 468
Billy_Rock,  а почему ты не хочешь вот это глянуть? https://guitarplayer.ru/index.php?topic=123124.0

Оффлайн Billy_Rock Автор темы

  • Опытный
  • ****
  • Сообщений: 651
jdanin, а ты хочешь купить?

Silver63, не знаю, что-то толковых сэмплов не нашел на ту схему.
Dying Fetus, вокс АС15 не могу найти в разборчивом размере. Либо я не туда лыжи обул, либо одно из двух) Не работает шематиксхэйвен, не знаю других ресурсов где есть воксы в нормальном разрешении.

Оффлайн Dying Fetus

  • Moderator
  • *****
  • Сообщений: 10324
  • DIYng Fetus
    • http://cathar.ru

Оффлайн Billy_Rock Автор темы

  • Опытный
  • ****
  • Сообщений: 651
Dying Fetus, Пасиба, мужик)

Оффлайн Bulgartabak

  • Джемер
  • *****
  • Сообщений: 2469
  • А компот?!!!
Ой, да он же очень неплохо звучит сам по себе и в оригинальном виде :), а "на всю" старомодно так жужжит  ;D. Грелки принимает как надо.. Я на своём кроме гнёзд под джеки и электролитов ничего не стал менять :twiddle:

Оффлайн NektoS

  • Эксперт
  • *****
  • Сообщений: 1619
Billy_Rock, Может, и это пригодится?

Оффлайн dreamforlife

  • Новичок
  • *
  • Сообщений: 8
ВОТ Вам схематикхеавен,выкачивай пока и это не закрыли :crazy:

http://web.archive.org/web/20090228202355/http://schematicheaven.com/index_HTML.htm                     

Оффлайн Dying Fetus

  • Moderator
  • *****
  • Сообщений: 10324
  • DIYng Fetus
    • http://cathar.ru
поиском пользоваться учитесь судари)

авось и поможет :hitrez:
http://www.6v6power.ru/inf/Amplifier/

Оффлайн Alex Shade

  • Ветеран форума
  • ******
  • Сообщений: 6608
  • Volume и разум
    • Alex Shade Sound Laboratory
Я занимался переделкой одного такого усилка. Могу сказать, что на мой вкус пространства внутри оказалось маловато, а передняя панель - несколько неудобна.
Поэтому, мое мнение таково: если переделывать, то просто взять трансы и поставить их на стандартное шасси нормальных размеров, и делать схему в пределах возможностей силовика (они не столь велики, как хотелось бы).
Ну а если оставаться в пределах имеющегося корпуса, то я бы сменил разъемы на джековые, и этим бы и ограничился. Ну, разве что, кому-то захочется сменить диоды на ультрафасты, плюс электролиты поменять.
Все это мое личное сугубое имхо.