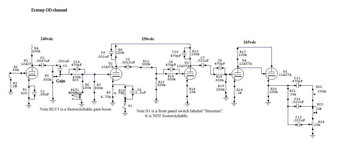
Мну только этот (см вложения) упрощенный вариант проверял - звучит же сцуко !!

Правда аффтар этой версии Экстази по чему то ( возможно маршалловский характер на дух не переносит

) выкинул шунтирующий R6 конденсатор 1000рF ( У дяденьки Богнера и в моем варианте этот культовый

кондер присутствует )
Мну, в свою очередь, тож не упустил возможности поглумиться над осколком шедевра и после нескольких дней тестирования, упразднил переключатель RLY1 гейн буст, заменив R6 и R7 на один резистор 82ком (+1000pF параллельно! ), упразднил переключатель S1, заменив R9 и R10 на один резистор 2,2ком (+C4 параллельно!! ), уверовав, что все это лично мне ни к чему ( возможно потому что вынужденно/временно поставил С2 и С5 на порядок больше ), гейн пот 500ком заменил на 1м ( имхо по-интереснее звучит ), С14 сделал составным- состоит из двух слюдяных конденсаторов 500pF и 1500pF и переключателя выдающего 500pF, или1500pF или 2000pF. В результате тестов, понял, что, помимо этих двух конденсаторов, в данном узле схемы мну хочется иметь альтернативу в образе еще двух конденсаторов такой же емкости, но из полиестра ( ну очень надоть мля

)