Автор Тема: Помогите подобрать схему преампа  (Прочитано 2710 раз)

0 Пользователей и 1 Гость просматривают эту тему.

Оффлайн Helavis Автор темы

  • Новичок
  • *
  • Сообщений: 42
Есть ли какие-то схемы преампов с довольно сильным перегрузом, на двух балонах, но что бы один каскад был включен как КП? То есть хайгейн на трех каскадах+КП. Поставить третью лампу под КП нет возможности, а он обязательно нужен. Хотят, что бы была тру-лампа, без повторителей на ОУ или мосфетах. По характеру звука нужно что-то такое
https://www.youtube.com/watch?v=9jpiheNGeZA&t=172s

Оффлайн AZG

  • Живу на форуме
  • *******
  • Сообщений: 95570
  • Санкт-Петербург
    • AZG CUSTOM
Re: Помогите подобрать схему преампа
« Ответ #1 : Июля 01, 2019, 14:59:38 »
В Рокервербе нет КП и как-раз два баллона. Если надо повторитель на выход, то там можно и без ламп обойтись.

А так, никто не мешает собрать например маршаллоид, где во втором каскаде в катоже 2к2 с параллельным электролитом на 2.2-10 мкФ и в третьем параллельный кондер на 0.47-1 мкФ в катод. И да, с первого триода надо кондер 2н2 с анода.

Оффлайн tube-freak

  • Эксперт
  • *****
  • Сообщений: 1241
  • yo yoda
Re: Помогите подобрать схему преампа
« Ответ #2 : Июля 01, 2019, 15:02:59 »
Злой хайгейн на трех каскадах наверное не выйдет.
Посмотри схему Богнер Шива - это первое, что на ум приходит.
Или разогретый Плекси (Хосе мод), т.е. Плекси с дополнительным триодом на входе. Например как в Friedman Pink Taco

Только буфер на выходе (После Тонстэка) я бы добавил (на LND например).
Совсем без кремния не очень будет

 

Оффлайн AZG

  • Живу на форуме
  • *******
  • Сообщений: 95570
  • Санкт-Петербург
    • AZG CUSTOM
Re: Помогите подобрать схему преампа
« Ответ #3 : Июля 01, 2019, 15:04:45 »
tube-freak, мыслите шире :) Все реально.

... и добавил:

Helavis, А, чуть не забыл! После КП еще догрузку КП можно устроить. Тоже поддаст жару.

Оффлайн Helavis Автор темы

  • Новичок
  • *
  • Сообщений: 42
Re: Помогите подобрать схему преампа
« Ответ #4 : Июля 01, 2019, 15:11:15 »
Цитировать
В Рокервербе нет КП и как-раз два баллона. Если надо повторитель на выход, то там можно и без ламп обойтись.

А так, никто не мешает собрать например маршаллоид, где во втором каскаде в катоже 2к2 с параллельным электролитом на 2.2-10 мкФ и в третьем параллельный кондер на 0.47-1 мкФ в катод. И да, с первого триода надо кондер 2н2 с анода.
Рокверб я просто для примера звука привел, структуру перегруза которая нужна, примерно. Заказчик по "религиозным" причинам не хочет полупроводники в тракте, а нужно что бы преамп без проблем втыкался куда угодно. Под третью лампу нет места и по току накала с ней прям только-только влезаю, без всякого запаса. Лампы кстати 6н2п-ев.  В сторону маршалоидов смотрел. В частности мод от "Медведя", вроде так. И посоветовали еще третий канал от Diesel VH4, он вроде тоже из маршалоидов. По структуре звука маршал немного не то, что нужно. Если его можно заточить немного под Рокрверб, то это интересно
Цитировать
А, чуть не забыл! После КП еще догрузку КП можно устроить. Тоже поддаст жару.
Это как?
« Последнее редактирование: Июля 01, 2019, 15:13:21 от Helavis »

Оффлайн AZG

  • Живу на форуме
  • *******
  • Сообщений: 95570
  • Санкт-Петербург
    • AZG CUSTOM
Re: Помогите подобрать схему преампа
« Ответ #5 : Июля 01, 2019, 15:33:28 »
Helavis, Я переделку и назвал как сделать ближе к звуку РВ. Догрузка КП у Медведя есть. Можно там подсмотреть, цепочка параллельно ТБ на катоде.

Дизель можно, но там звук более сухой. Но тоже корректируется. Плюс в известной схеме цепь догрузки КП неправильная.

И эта, после КП идет пассивный ТБ с БОЛЬШИМ выходных сопротивлением. Куда угодно такое решение звучать не будет. Выходной буфер нужен по любому. Клиенту надо осадить пыл и спокойно согласиться на выходной буфер с LND150. Уверен на 100500% он разницу не услышит никогда.
« Последнее редактирование: Июля 01, 2019, 15:41:28 от AZG »

Оффлайн Helavis Автор темы

  • Новичок
  • *
  • Сообщений: 42
Re: Помогите подобрать схему преампа
« Ответ #6 : Июля 01, 2019, 15:35:41 »
AZG Спасибо большое!

... и добавил:

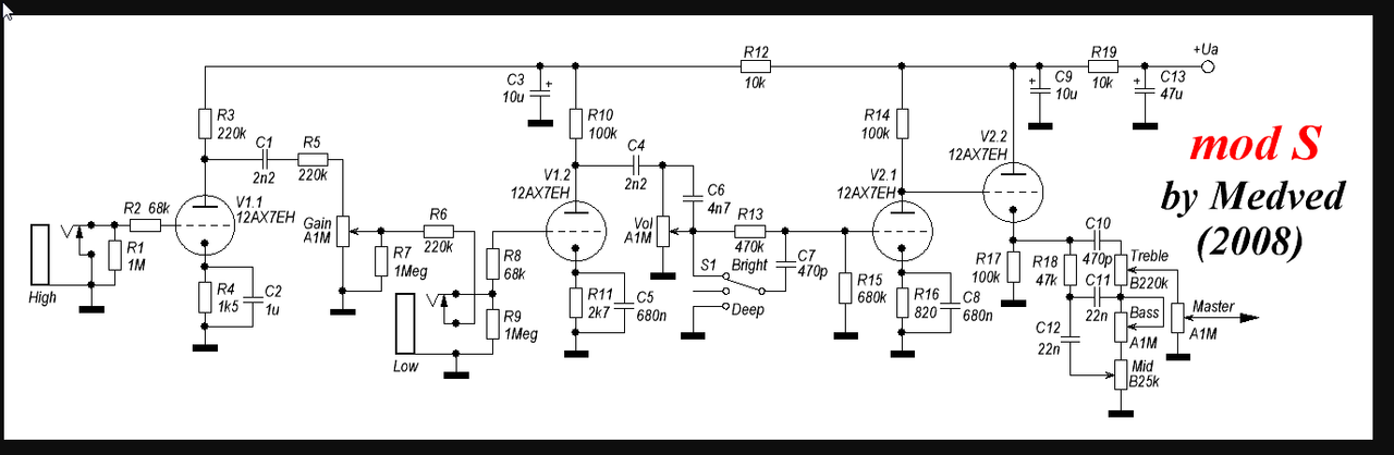
AZG, у меня только вот такая схема есть, цепочки параллельно ТБ нет. Есть какой-то еще мод от Медведя?


« Последнее редактирование: Июля 01, 2019, 15:51:22 от Helavis »

Оффлайн Максим Смелый

  • Опытный
  • ****
  • Сообщений: 562
  • Inmalum
Re: Помогите подобрать схему преампа
« Ответ #7 : Июля 01, 2019, 15:55:53 »
у меня как то пару раз не было LND150 то ли заказать забыл то ли ещё что, ставил IRF840, всё ок. и в карту тыкать можно и в усилок в импут если нет петли, и в саму петлю.

Оффлайн AZG

  • Живу на форуме
  • *******
  • Сообщений: 95570
  • Санкт-Петербург
    • AZG CUSTOM
Re: Помогите подобрать схему преампа
« Ответ #8 : Июля 01, 2019, 16:02:34 »
Максим Смелый, IRF840 неплохо,но ВЧ садит ощутимо. С LND150 на столько прозрачно, что и не замечаешь наличие буфера.

Helavis, Вот целый топик... Изучайте: https://guitarplayer.ru/index.php?topic=102956.msg1870202#msg1870202

Оффлайн M1g

  • Живу на форуме
  • *******
  • Сообщений: 7223
  • The MUTILATOR
Re: Помогите подобрать схему преампа
« Ответ #9 : Июля 03, 2019, 20:59:42 »
Делал ректифаер без третьего каскада, после второго разделительного кондера связка 470к+4н7.  От кранча до митола. По сути кранч канал сло на стероидах.

Оффлайн VaDeR

  • Эксперт
  • *****
  • Сообщений: 2151
Re: Помогите подобрать схему преампа
« Ответ #10 : Июля 03, 2019, 23:53:00 »
как на счет е530?

Оффлайн M1g

  • Живу на форуме
  • *******
  • Сообщений: 7223
  • The MUTILATOR
Re: Помогите подобрать схему преампа
« Ответ #11 : Июля 04, 2019, 01:58:23 »
VaDeR, где там КП?

Оффлайн Лёха2009

  • Эксперт
  • *****
  • Сообщений: 1211
Re: Помогите подобрать схему преампа
« Ответ #12 : Июля 04, 2019, 04:09:33 »
JCM900. Если диоды не смущают)

Оффлайн Alixxx

  • Новичок
  • *
  • Сообщений: 76
  • GuitarPlayer.Ru fan!
Re: Помогите подобрать схему преампа
« Ответ #13 : Июля 04, 2019, 06:42:02 »
Преамп от Friedman BE-100, например. Без НВЕ каскада. Как раз два баллона. КП присутствует. Звук шикарный.

Оффлайн Максим Смелый

  • Опытный
  • ****
  • Сообщений: 562
  • Inmalum
Re: Помогите подобрать схему преампа
« Ответ #14 : Июля 05, 2019, 14:22:17 »


Возможно так как на lnd так и не попробовал, во всяком случае на моём модденном шарпе мне например вч хватает, хотя вч я ставлю чуть больше 12 часов.