Автор Тема: помогите понять схемку  (Прочитано 1461 раз)

0 Пользователей и 1 Гость просматривают эту тему.

Оффлайн DatoG Автор темы

  • Частый посетитель
  • **
  • Сообщений: 136
помогите понять схемку
« : Октября 28, 2015, 19:54:54 »
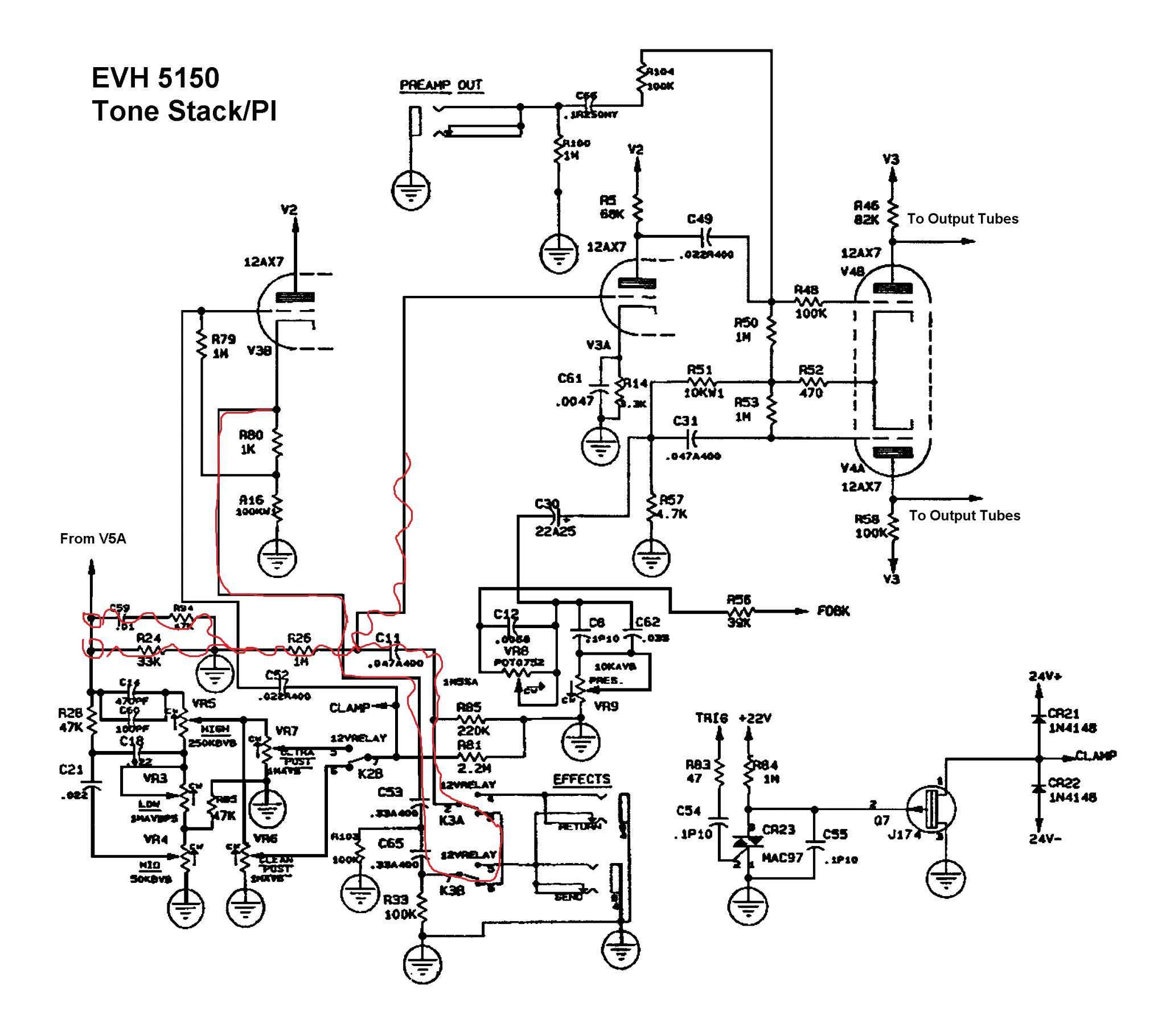
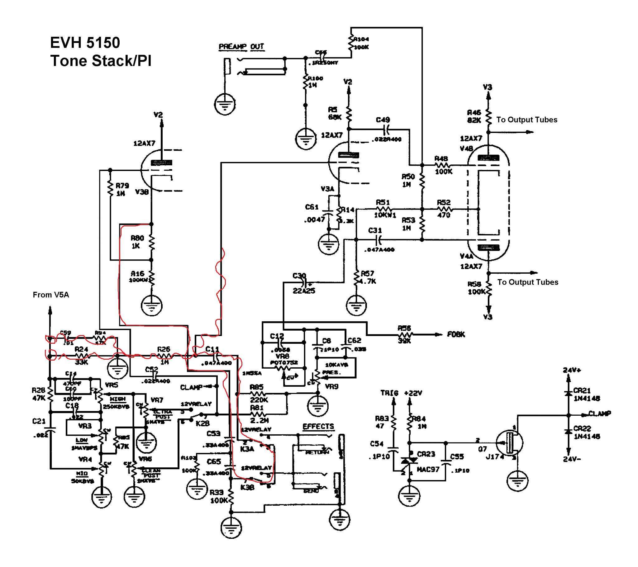
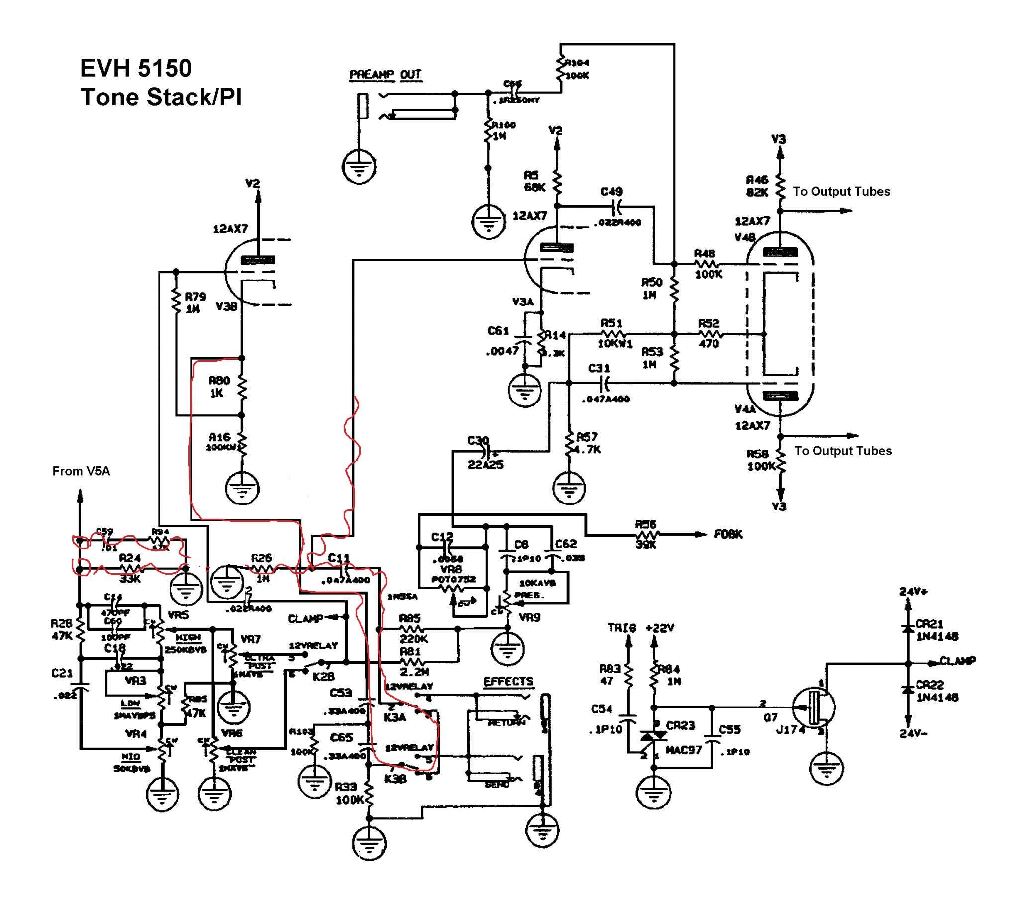
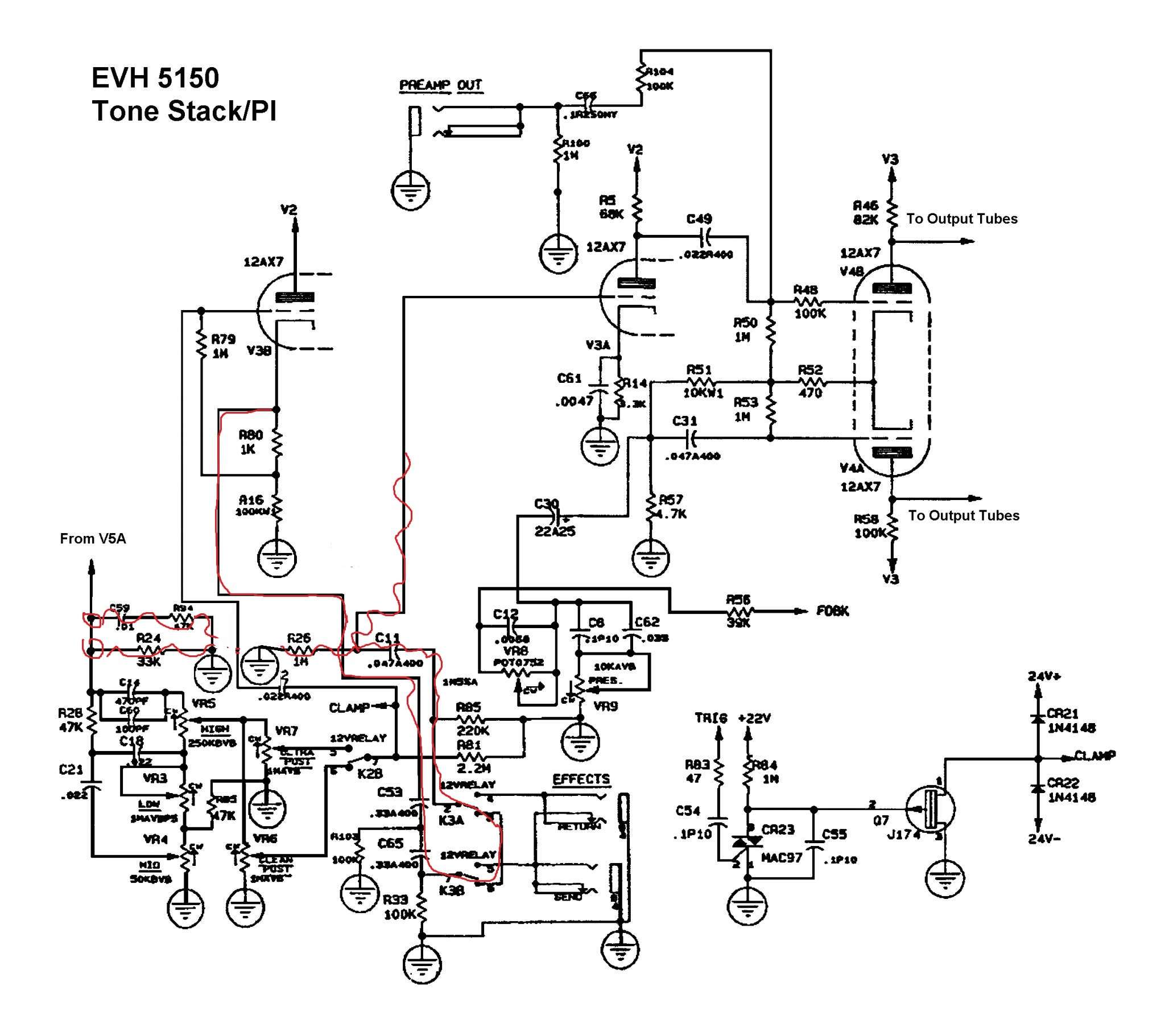
это 5150.
что это за такая петля интересная ,как это работает?

Оффлайн AZG

  • Живу на форуме
  • *******
  • Сообщений: 95604
  • Санкт-Петербург
    • AZG CUSTOM
Re: помогите понять схемку
« Ответ #1 : Октября 28, 2015, 20:00:17 »
Абсолютно классическая петля. КП на Сенд и обычный усилительный каскад с Ретурна. Удручает отсутствие мастер-громкости. Ну и релюшка на гнездах для обхода...

Оффлайн DatoG Автор темы

  • Частый посетитель
  • **
  • Сообщений: 136
Re: помогите понять схемку
« Ответ #2 : Октября 28, 2015, 20:03:37 »
Абсолютно классическая петля. КП на Сенд и обычный усилительный каскад с Ретурна. Удручает отсутствие мастер-громкости. Ну и релюшка на гнездах для обхода...
меня смущает ,почему там отвод идет в самом верху  и только потом на темброблок. для чего это?
а есть еще схемы где точно так сделано? в 5150II  по другому сделана петля
« Последнее редактирование: Октября 28, 2015, 20:33:48 от DatoG »

Оффлайн AZG

  • Живу на форуме
  • *******
  • Сообщений: 95604
  • Санкт-Петербург
    • AZG CUSTOM
Re: помогите понять схемку
« Ответ #3 : Октября 28, 2015, 20:48:15 »
Так проследи цепи. После реле переключения каналов идет на полевик подавления щелчков и верхний триод буфера Сенда. С катода этого триода на пару 0.33 мкФ (дурь!) и гнездо Сенд. Никаких отводов сверху или сбоку.  ???

Оффлайн DatoG Автор темы

  • Частый посетитель
  • **
  • Сообщений: 136
Re: помогите понять схемку
« Ответ #4 : Октября 28, 2015, 21:15:27 »
Так проследи цепи. После реле переключения каналов идет на полевик подавления щелчков и верхний триод буфера Сенда. С катода этого триода на пару 0.33 мкФ (дурь!) и гнездо Сенд. Никаких отводов сверху или сбоку.  ???
проследи от надписи From5a
сигнал идет сначало на этот отвод а потом уже на темброблок  а после тембро блока на переключение реле.
и получается что в разрыв сигнал  идет не обработанный эквалайзером?

Оффлайн AZG

  • Живу на форуме
  • *******
  • Сообщений: 95604
  • Санкт-Петербург
    • AZG CUSTOM
Re: помогите понять схемку
« Ответ #5 : Октября 28, 2015, 21:27:45 »
DatoG, Значок ЗЕМЛИ ни на что не намекает?  ;D :hmmm:

Оффлайн DatoG Автор темы

  • Частый посетитель
  • **
  • Сообщений: 136
Re: помогите понять схемку
« Ответ #6 : Октября 28, 2015, 21:35:14 »
и как правильно вырезать петлю в схеме?
ps для чего кусок С59 R94 R24 R25?
получается сигнал раздваивается и часть идет на темброблок а часть на петлю?
« Последнее редактирование: Октября 28, 2015, 21:36:53 от DatoG »

Оффлайн Rolly

  • Живу на форуме
  • *******
  • Сообщений: 9055
  • Мнение - не повод получить пулю сразу.
Re: помогите понять схемку
« Ответ #7 : Октября 28, 2015, 21:55:43 »
DatoG, обрати внимание на значок ЗЕМЛИ

Оффлайн DatoG Автор темы

  • Частый посетитель
  • **
  • Сообщений: 136
Re: помогите понять схемку
« Ответ #8 : Октября 28, 2015, 22:20:16 »
DatoG, обрати внимание на значок ЗЕМЛИ
понял
а вот так перерисовать если , тоже самое будет?
и как грамотно вообще петлю вырезать?

Оффлайн AZG

  • Живу на форуме
  • *******
  • Сообщений: 95604
  • Санкт-Петербург
    • AZG CUSTOM
Re: помогите понять схемку
« Ответ #9 : Октября 28, 2015, 22:22:54 »
DatoG, От места CLAMP и до входа на фазик (откуда идет линейный выход).

Оффлайн DatoG Автор темы

  • Частый посетитель
  • **
  • Сообщений: 136
Re: помогите понять схемку
« Ответ #10 : Октября 28, 2015, 22:25:49 »
DatoG, От места CLAMP и до входа на фазик (откуда идет линейный выход).
а цепочку с59 р24 р26 оставить ?

Оффлайн AZG

  • Живу на форуме
  • *******
  • Сообщений: 95604
  • Санкт-Петербург
    • AZG CUSTOM
Re: помогите понять схемку
« Ответ #11 : Октября 28, 2015, 22:27:55 »
а цепочку с59 р24 р26 оставить ?

Она отношения к петле не имеет и находится ДО эквалайзера. Тебе уже несколько раз указали на ошибку - там соединение с ЗЕМЛЕЙ. Т.е сигнал на петлю там не идет.

Оффлайн DatoG Автор темы

  • Частый посетитель
  • **
  • Сообщений: 136
Re: помогите понять схемку
« Ответ #12 : Октября 28, 2015, 22:38:09 »
Она отношения к петле не имеет и находится ДО эквалайзера. Тебе уже несколько раз указали на ошибку - там соединение с ЗЕМЛЕЙ. Т.е сигнал на петлю там не идет.
вот так верно?

Оффлайн Rolly

  • Живу на форуме
  • *******
  • Сообщений: 9055
  • Мнение - не повод получить пулю сразу.
Re: помогите понять схемку
« Ответ #13 : Октября 28, 2015, 22:54:38 »
Неверно, нарисуй путь прохождения сигнала.

Оффлайн AZG

  • Живу на форуме
  • *******
  • Сообщений: 95604
  • Санкт-Петербург
    • AZG CUSTOM
Re: помогите понять схемку
« Ответ #14 : Октября 28, 2015, 23:04:48 »
DatoG, R85 убери, R81 поменять на 1М и на соединение между ним и реле подключить С11. R26 удалить.