Автор Тема: Помогите прокачать пиво  (Прочитано 3964 раз)

0 Пользователей и 1 Гость просматривают эту тему.

Оффлайн mogaed Автор темы

  • Ветеран форума
  • ******
  • Сообщений: 3552
  • Волк с гитарой
Re: Помогите прокачать пиво
« Ответ #15 : Июля 16, 2009, 15:21:33 »
жесть, помойму пора переименовывать топик. название типа "как пиво было слито в унитаз" подойдет гораздо лучше.автор не мучайте бедный пиви отдайте его хозяину.
Хозяин - мой друг, серьёзный человек, у него, может быть, последняя надежда на меня.
Он в меня верит, это главное.
Да сделаю ему компрессор в его пивик, вы меня плохо знаете(во как).

... и добавил:

serste, не кипятись. Человек просто не имеет ни малейшего представления о схемотехнике лампового перегруза и о процессах, происходящих в лампе. Отсюда и детские рассуждения о драйве на одной лампе.

С нетерпением жду окончания "прокачки".
Человек не имеет, а не человек?
« Последнее редактирование: Июля 16, 2009, 15:23:37 от mogaed »

Оффлайн serste

  • Завсегдатай
  • ***
  • Сообщений: 366
Re: Помогите прокачать пиво
« Ответ #16 : Июля 16, 2009, 15:34:01 »
...Да сделаю ему компрессор в его пивик...
Правильно, он им потолки сможет красить... и автомобили... и акваланги заправлять. Це дИло!  :)

Оффлайн bottle

  • Ветеран форума
  • ******
  • Сообщений: 6388
  • решил включить дурачка
Re: Помогите прокачать пиво
« Ответ #17 : Июля 16, 2009, 15:41:43 »
Холодный компресс нужен... Остудить чутка ;D

Оффлайн SPK

  • Ветеран форума
  • ******
  • Сообщений: 4958
  • Blues
Re: Помогите прокачать пиво
« Ответ #18 : Июля 16, 2009, 15:44:01 »
Помогите прокачать пиво
Добавь водки.

Оффлайн maximilian

  • Ветеран форума
  • ******
  • Сообщений: 3937
    • borkhes точка livejournal точка com
Re: Помогите прокачать пиво
« Ответ #19 : Июля 16, 2009, 15:52:04 »
Г-н Можаев, не томите. Давайте скорее ваш вариант переделки пиви.  :)

Оффлайн mogaed Автор темы

  • Ветеран форума
  • ******
  • Сообщений: 3552
  • Волк с гитарой
Re: Помогите прокачать пиво
« Ответ #20 : Июля 16, 2009, 15:54:58 »
Ден2,а мод металзона мыслей о результате не навевает? ;)
+1

mogaed, ученье - свет. Отрисуйте схемку с переключателями в положении 2го канала и посчитайте триоды, только не по модулю 2  :crazy:
Может стоит сначала собрать преамп самостоятельно, не корёжа чужую технику?  :)

По модулю 2 - для меня не понятно?

... и добавил:

Г-н Можаев, не томите. Давайте скорее ваш вариант переделки пиви.  :)
Ни кто пока демок не выставил,
Выставляю свою, к чему буду стремиться.
* 01-Shine On You Crazy Diamond (Part I-V).mp3 (3434.78 КБ - загружено 195 раз.)
« Последнее редактирование: Июля 16, 2009, 16:38:59 от mogaed »

Оффлайн gigabyte

  • Эксперт
  • *****
  • Сообщений: 1669
  • Вот такая наша земля

Оффлайн mogaed Автор темы

  • Ветеран форума
  • ******
  • Сообщений: 3552
  • Волк с гитарой
Re: Помогите прокачать пиво
« Ответ #22 : Июля 16, 2009, 16:58:48 »
Да не сможете!!!!
https://guitarplayer.ru/index.php?action=dlattach;topic=116478.0;attach=186168
gigabyte, два альпиниста поспорили, кто вперёд покорит Пик комунизма.
Оба погибли - спешили!!!

Оффлайн Bulldozerrr

  • Эксперт
  • *****
  • Сообщений: 2935
Re: Помогите прокачать пиво
« Ответ #23 : Июля 17, 2009, 01:45:08 »
Чета я за пиво очкую. Как-то гадостно на душе стало, жалко приличную вещь.

Оффлайн el-doctor

  • Ветеран форума
  • ******
  • Сообщений: 3734
Re: Помогите прокачать пиво
« Ответ #24 : Июля 17, 2009, 06:35:56 »
Bulldozerrr, накати вотки в память о безвременно погибшем пиве. :crazy:

Оффлайн Ден2

  • Ветеран форума
  • ******
  • Сообщений: 4278
Re: Помогите прокачать пиво
« Ответ #25 : Июля 17, 2009, 06:52:13 »
Кстати, дельтаблюз шибко похож схемой и конструктивом на классик30. Кто нибудь сравнивал звучание и комплектуху в лоб? Сильно подозреваю, что это одно и то же, с разницей в наличии у дельтаблюза тремоло.

Оффлайн mogaed Автор темы

  • Ветеран форума
  • ******
  • Сообщений: 3552
  • Волк с гитарой
Re: Помогите прокачать пиво
« Ответ #26 : Июля 17, 2009, 06:58:51 »
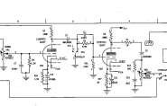
Кстати, дельтаблюз шибко похож схемой и конструктивом на классик30. Кто нибудь сравнивал звучание и комплектуху в лоб? Сильно подозреваю, что это одно и то же, с разницей в наличии у дельтаблюза тремоло.
Звучание не сравнивал, а схема одна и та-же
186298-0
Для сравнения
186300-1
Это то место, которое пока ещё девственно.
« Последнее редактирование: Июля 17, 2009, 07:07:26 от mogaed »

Оффлайн NektoS

  • Эксперт
  • *****
  • Сообщений: 1619
Re: Помогите прокачать пиво
« Ответ #27 : Июля 17, 2009, 08:26:22 »
Звучание не сравнивал, а схема одна и та-же
(Ссылка на вложение)
Для сравнения
(Ссылка на вложение)
Это то место, которое пока ещё девственно.
Трындец мальчику :D

Оффлайн Bulldozerrr

  • Эксперт
  • *****
  • Сообщений: 2935
Re: Помогите прокачать пиво
« Ответ #28 : Июля 17, 2009, 08:27:32 »
Станет мальчик женщиной. :D

Оффлайн bottle

  • Ветеран форума
  • ******
  • Сообщений: 6388
  • решил включить дурачка
Re: Помогите прокачать пиво
« Ответ #29 : Июля 17, 2009, 08:53:25 »
Кстати, дельтаблюз шибко похож схемой и конструктивом на классик30. Кто нибудь сравнивал звучание и комплектуху в лоб? Сильно подозреваю, что это одно и то же, с разницей в наличии у дельтаблюза тремоло.
Я сравнивал, правда не совсем в лоб (внутрь вообще не лазил), звучали очень похоже, дельта-блюз чуть интересней, скорей всего из-за 15'' динамика. Ну и тремоло, конечно :)