всем спасибо.
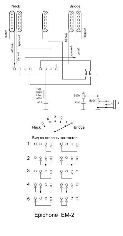
в общем так. я так понял, что 4 контакт, откуда красный провод уходит на потенциометр громкости - это по сути выходной сигнал с переключателя.
т.о., я могу в каждом положении переключателя прозванивать данный 4 контакт с остальными контактами. т.о. и составлю схему переключений. так же разобрался со схемами подключения потенциометров. черный провод отвалился от корпуса потенциометра тембра, вследствие чего потенциометр получается не имеет подключения к общему проводу и не работает.
разобрался и с белыми проводами. в пучок это экран проводов подключен.
спасибо, парни. респект вам, плюсану
... и добавил:Shade, если подскажешь как заэкранировать, то обязательно это сделаю

батарею скорее всего оставлю в тремоло, т.к. там удобней до нее добираться. рычаг тремоло один хрен скручен и не пользуюсь. кстати, а можно пружины снять?
... и добавил:парни, как плюсануть репутацию?
совсем я туплю
