Автор Тема: Помогите с разрывом на JTM45  (Прочитано 1819 раз)

0 Пользователей и 1 Гость просматривают эту тему.

Оффлайн khvtol Автор темы

  • Новичок
  • *
  • Сообщений: 20
  • 300 V on anod
Помогите с разрывом на JTM45
« : Июня 02, 2010, 12:27:06 »
Год наза сделал с помощью форумцев усилитель по схеме Marshall JTM45.
С овердрайвами и дистами звучит отлично, но всякие преампы и процессоры в инпут - очень уж ядовито выходит!
Встал вопрос о разрыве, хотя может даже не разрыве, а входе сразу на усилитель мощности, минуя преамп. Очень уж не хочется наступать на грабли, поэтому присоветуйте, как с минимальными изменениями осуществить эту затею?
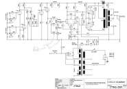
Насколько правомерно просто сделать вход в отмеченном на схеме месте?266075-0
Схема прикреплена.
Заранее спасибо:)

Оффлайн hellslayer

  • Эксперт
  • *****
  • Сообщений: 1966
  • Зарегистрированный
Re: Помогите с разрывом на JTM45
« Ответ #1 : Июня 02, 2010, 14:02:01 »
Если преды включать, то сделай просто разрыв в одно гнездо сразу  за темброблоком, чтобы не уродовать усилок дополнительными буферами.   С  темброблока на контакт-выключатель гнезда,   кондер на входе мощника на основной контакт-лепесток.   Если у внешнего преда достаточный запас громкости, раскачиваться будет ок.   И насчет "ядовито"  странно.   Ты наверное в брайтовый канал включался ?  Второй, более глухой канал попробуй там сплошной низ и середина  живут.  Врубайся в Low input

Оффлайн khvtol Автор темы

  • Новичок
  • *
  • Сообщений: 20
  • 300 V on anod
Re: Помогите с разрывом на JTM45
« Ответ #2 : Июня 02, 2010, 14:14:52 »
Спасибо, попробую. А яд как вч, так и по верхней середине, причем и в один и второй канал и в оба (если с перемычкой).