Автор Тема: Помогите с усилителем ЛОМО УО-4  (Прочитано 1770 раз)

0 Пользователей и 1 Гость просматривают эту тему.

Оффлайн Борланд Тёмный Автор темы

  • Новичок
  • *
  • Сообщений: 42
  • GuitarPlayer.Ru fan!
Помогите с усилителем ЛОМО УО-4
« : Сентября 11, 2014, 23:44:28 »
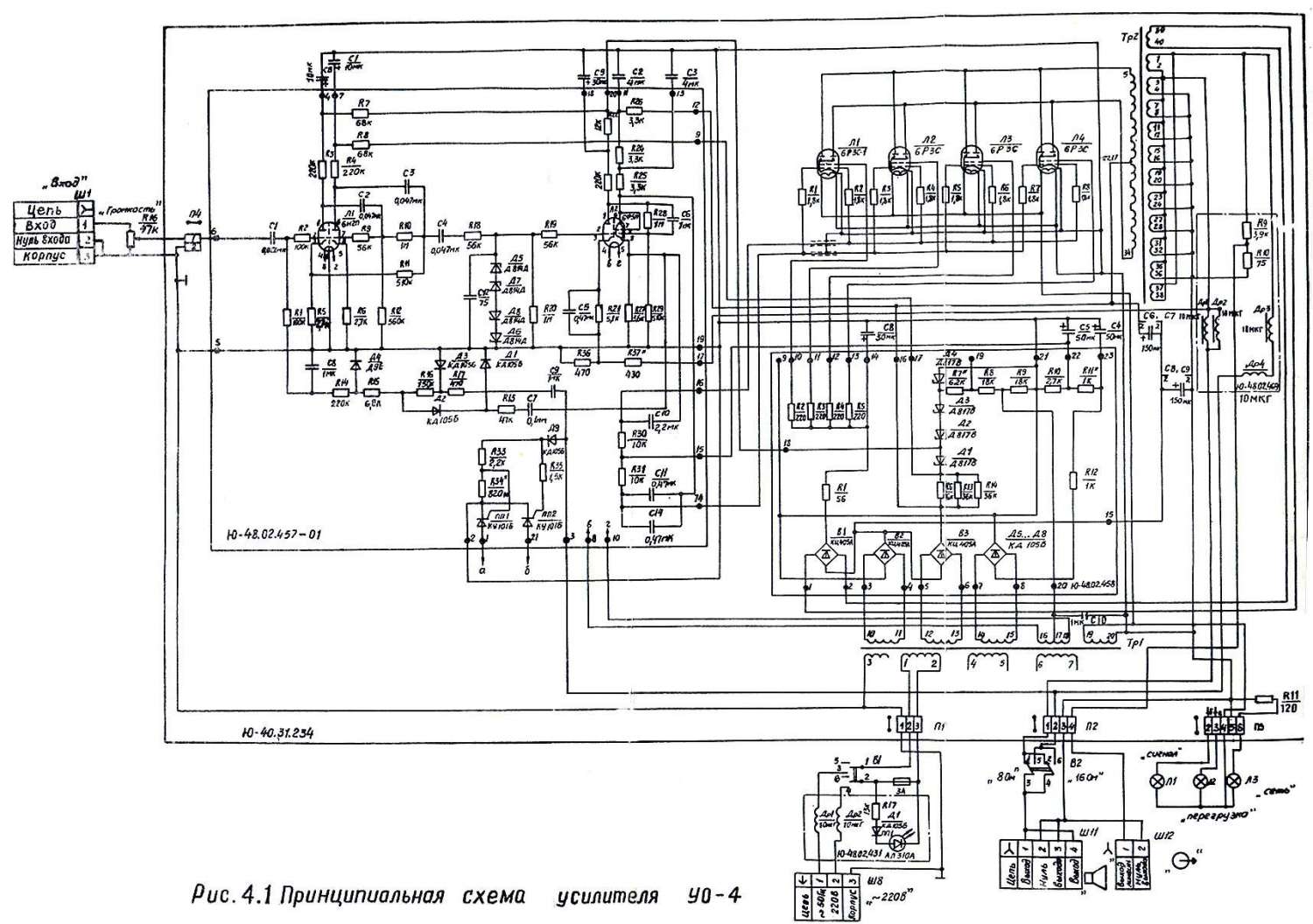
Сижу сейчас ковыряю данный усилитель, поменял все электролиты, и пленочные конденсаторы тоже на более адекватные в отличии от того что что стояло.  Но вздумалось мне поставить выключатель на анодное напряжения, и отрегулировать смещения на выходных лампах ( так как я вместо родных 6р3с поставил гу 19  ) и тут у меня наступил ступор через недостаток знаний.
 
Перовое это где и как подключить выключатель на анодное напряжения? Если я правильно понял схему, то анодное напряжения  суммируется из двух обмоток: 10-11(180в) и 12-13(185в). Питался отключать какую-то одну обмотку, к примеру выводи обмоток 12-13, звук пропадает, но остается какой-то неприятный фон. Вот и думаю теперь, как правильней сделать отключение анодки, отключать не два вывода 12-13 из одной обмотки, а по одному из двух обмоток 11-12 одним тумблером или уже после диодных мостов там где контакт 16 на плате?

И второе, где и как правильно расположить регуляторы смещения? За смещения отвечают R11 И R12? Нужно делать общий регулятор для всех ламп или на каждую отдельно?

Оффлайн Борланд Тёмный Автор темы

  • Новичок
  • *
  • Сообщений: 42
  • GuitarPlayer.Ru fan!
Re: Помогите с усилителем ЛОМО УО-4
« Ответ #1 : Сентября 13, 2014, 15:48:04 »
Никто не хочет помочь? Никто не сталкивался с таким усилителем? 

Онлайн sadky

  • Эксперт
  • *****
  • Сообщений: 2656
Re: Помогите с усилителем ЛОМО УО-4
« Ответ #2 : Сентября 13, 2014, 16:26:58 »
1) Режим Standby я бы попробовал организовать разрывом минусового провода от диодного моста В2, т.к. он является общей составной частью как для питания 2-х сеток, так и анодов, и его отключением можно обесточить обе эти цепи.
2) За смещение отвечают R10, R11, R12 , но для подстройки (возможно) достаточно будет заменить только R11 на подстроечный/переменный резистор такого же номинала, замкнув его средний и один из крайних выводов.
Раздельную регулировку я бы не делал - при разных параметрах ламп это не спасёт. лучше их просто подобрать в четвёрку при замене и не парить мозг.