Автор Тема: Помогите с усилком  (Прочитано 1602 раз)

0 Пользователей и 1 Гость просматривают эту тему.

Оффлайн Ddegra Автор темы

  • Опытный
  • ****
  • Сообщений: 663
Помогите с усилком
« : Октября 13, 2009, 10:18:04 »
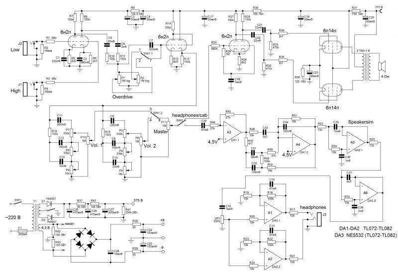
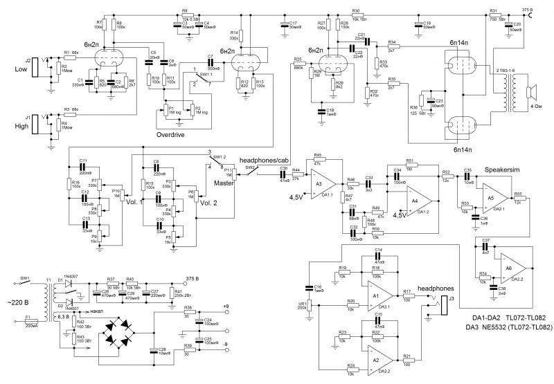
Хочу собрать усилок по данной схеме

Но есть несколько вопросов:
1. Кто то собирал эту схему, если да, то как усилок, норм?
2. Можно ли сделать разрыв?
3. Выходное сопротивление 4Ом, а надо 8Ом, как это сделать?
4. Блок питания http://ipicture.ru/Gallery/Viewfull/24855932.html подойдёт?
« Последнее редактирование: Октября 13, 2009, 10:19:36 от Ddegra »

Оффлайн Intimidator

  • Ветеран форума
  • ******
  • Сообщений: 3269
Re: Помогите с усилком
« Ответ #1 : Октября 13, 2009, 10:20:52 »
Ddegra, 4 ома не так страшно на 8 омный динамик, я так играю сейчас, усил есть подобный, тока он уже был собран, я его слегка переделал, сделал линейный вход, так как пред там не нравился

Оффлайн begmas

  • Опытный
  • ****
  • Сообщений: 566
Re: Помогите с усилком
« Ответ #2 : Октября 13, 2009, 11:01:57 »
насколько я понял это скиф, тогда тут смотри больше информации
http://www.sugardas.lt/~igoramps/index02.html

ТВЗ 1-9 на 8 ом надо доматывать вторичку 28-38 витков провода 0,5-0,7
а зачем разрыв между 2 лампами-то? просто в инпут втыкать и все

Оффлайн Ddegra Автор темы

  • Опытный
  • ****
  • Сообщений: 663
Re: Помогите с усилком
« Ответ #3 : Октября 13, 2009, 12:26:32 »
Intimidator, но звучит как?
begmas, Тут есть преамп, и у меня есть преамп, вот и думаю что будет плохо звучать...

Онлайн Dying Fetus

  • Moderator
  • *****
  • Сообщений: 10310
  • DIYng Fetus
    • http://cathar.ru
Re: Помогите с усилком
« Ответ #4 : Октября 13, 2009, 17:31:01 »
Ddegra,
1) Усилитель нормальный, соберёшь, помодишь в нужную тебе сторону и всё будет ок.
2) Можно.
3) Купить трансформатор в аудиоинструменте.
4) Насч0т накальной порнухи ничего не скажу, а анод нормально.

Оффлайн Ddegra Автор темы

  • Опытный
  • ****
  • Сообщений: 663
Re: Помогите с усилком
« Ответ #5 : Октября 14, 2009, 04:08:15 »
Dying Fetus, спасибо :) а можешь на схеме разрыв дорисовать?

Оффлайн Ddegra Автор темы

  • Опытный
  • ****
  • Сообщений: 663
Re: Помогите с усилком
« Ответ #6 : Октября 18, 2009, 16:08:17 »
Подскажите, анодной напряжение должно быть 250В? А на накал лампы 6.3В?

Оффлайн hunted

  • Ветеран форума
  • ******
  • Сообщений: 4227
Re: Помогите с усилком
« Ответ #7 : Октября 18, 2009, 16:34:02 »
Подскажите, анодной напряжение должно быть 250В? А на накал лампы 6.3В?
Да. Сверху справа точка подключения анодного.
А слева от руки написано подключение накала и напряжение - 6,3.

Оффлайн cerr

  • Опытный
  • ****
  • Сообщений: 862
Re: Помогите с усилком
« Ответ #8 : Октября 19, 2009, 07:53:02 »
Для разрыва понадобится еще одна лампа.

Оффлайн Ddegra Автор темы

  • Опытный
  • ****
  • Сообщений: 663
Re: Помогите с усилком
« Ответ #9 : Октября 19, 2009, 17:39:06 »
hunted, спс, как всегда выручил))
cerr, а без никак нельзя? :rolleyes:

Оффлайн hich

  • Завсегдатай
  • ***
  • Сообщений: 342
  • GuitarPlayer.Ru fan!
Re: Помогите с усилком
« Ответ #10 : Октября 21, 2009, 15:34:51 »
Мне кажется, что лучше собирать то, что проверено. Двухтактный не хочешь сделать? маршал 20/22 там схема ещё проще, можно собрать за день, если конечно есть из чего  :) а звук получается нормальный. Проверено неоднократно.

Оффлайн Ddegra Автор темы

  • Опытный
  • ****
  • Сообщений: 663
Re: Помогите с усилком
« Ответ #11 : Октября 22, 2009, 11:06:28 »
hich, кинь схему или ссылку

Оффлайн hich

  • Завсегдатай
  • ***
  • Сообщений: 342
  • GuitarPlayer.Ru fan!
Re: Помогите с усилком
« Ответ #12 : Октября 22, 2009, 12:56:03 »
Вот ссылька http://satriani.borda.ru/?1-4-0-00000044-000-180-0
вот в лучшем качестве
« Последнее редактирование: Октября 22, 2009, 12:59:01 от hich »

Оффлайн kfender

  • Ветеран форума
  • ******
  • Сообщений: 5915
  • к.т.н.
Re: Помогите с усилком
« Ответ #13 : Октября 22, 2009, 13:00:56 »
Кто-то придумал и распространяет слухи, что однотакт сложнее двухтакта. Не верьте! Возьмите схемы и убедитесь, что это не так.

Оффлайн hich

  • Завсегдатай
  • ***
  • Сообщений: 342
  • GuitarPlayer.Ru fan!
Re: Помогите с усилком
« Ответ #14 : Октября 22, 2009, 13:10:15 »
Короче тут сразу спикерсим и преамп. Преамп слабый. Если те только оконечник, то часть схемы начиная с последней 6н2п. то есть тебе надо 1 лампа 6н2п и 2 лампы 6п14п. проверено, всё работает отлично. Я собрал только оконечник.

... и добавил:

  :D я ничего не распространяю, просто если можно сделать мощнее почему не сделать??? а ламповые схемы все типовые.